Влияние ОС на искажение, создаваемое усилителем.

При отрицательной обратной связи искажения, создаваемые усилителем уменьшаются в (1+bK°) раз.
Будем считать, что усилитель идеальный, искажений не соэдает, а все искажения включены в источник ЭДС.
1) Если b=0, цепь обратной связи отсутствует, а Uвх=0, то выходной сигнал Jвых=Еи
2) При отрицательной обратной связи 1>b>0; Uвых.ос=Еи-bKUвых.ос

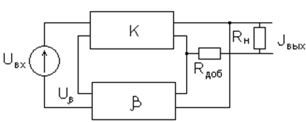
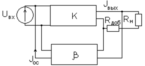
В зависимости от способа снятия сигнала обратной связи с выхода и подачи на вход различают четыре типа обратной связи. Их название состоит из двух слов. Первое говорит как сигнал подается на вход, второе – как снимается с выхода:
1)
Последовательно – параллельная обратная связь.
Uвх и Ub - последовательные

Пример схемы на биполярном транзисторе:
2) Параллельно – параллельная обратная связь:

При параллельной обратной связи по входу происходит суммирование токов.
3) Последовательно – последовательная обратная связь.
![]() |
4) Параллельно – последовательная обратная связь.

Выводы:
Всякая последовательная обратная связь (по входу или по выходу) увеличивает соответствующее сопротивление в (1+bK°) раз. Всякая параллельная обратная связь уменьшает соответствующее сопротивление в (1+bK°) раз.
|
|
|
