1. Получение электромагнитных колебаний в закрытом колебательном контуре.
2. Вынужденные колебания. Электрический резонанс.
3. Получение незатухающих электромагнитных колебаний с помощью лампового генератора.
4. Токи высокой частоты и их применение.
1. Получение электромагнитных колебаний в закрытом колебательном контуре.
Процесс перехода энергии электрического поля в энергию магнитного поля и наоборот называется электромагнитными колебаниями.
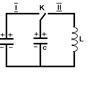
Для получения колебаний используется колебательный контур, это цепь состоящая из последовательного соединения конденс. и катушки индуктивности.


Т=2
формула расчета периода свободных колебаний
в колебательном контуре.
Ключ (к) переведен в положение I, при этом конденсатор заряжается и между его обкладками появляется электромагнитное поле, обладающее энергией.
Переведем ключ (к) в положение II, при этом конденсатор начинает разряжаться на катушку, ток разряженного конденсатора будет увеличиваться постепенно, препятствуя быстрому нарастанию тока ЭДС самоиндукции, которая наводится в катушку.
К моменту времени t=
конденсатор полностью разрядится, ток достигнет максимальной величины, при этом энергия электрического поля конденсатора перешла в энергию магнитного поля катушки.
Вывод: в течение
энергия электрического поля конденсатора перешла в энергию магнитного поля.
Начиная с этого момента времени в течении второй четверти периода, ток в контуре начинает убывать. Убывающий ток свои магнитным полем в катушке наводит ЭДС самоиндукции которая поддерживает убывающий ток. В результате конденсатор перезаряжается к одной второй периода конденсатор полностью перезарядится и энергия магнитного поля катушки перейдет в энергию электрического поля конденсатора. Во второй половине периода процессы в контуре полностью повторяется, только в обратном порядке.
Таким образом, в течение всего периода в контуре наблюдается переход энергии электрического поля в энергию магнитного поля и наоборот.
То есть проходит электромагнитные колебания. Ток в контуре при этом будет переменным. То есть со временем будет изменяться, по закону синуса или косинуса, с частотой 
2. Вынужденные колебания. Электрический резонанс.
Свободные колебания в контуре будут затухающими, так как идущий ток по контуру при колебаниях в контуре совершает работу, в результате которой электромагнитная энергия контура переходит во внутреннюю энергию.
Для того чтобы колебания были не затухающими необходимо энергию контура пополнять. С этой целью контур подсоединяют к генератору переменного тока, то при этом колебания в контуре становятся вынужденными.
Выясним, при каких условиях передача энергии от генератора к контуру будет наиболее благоприятной.

Из графика зависимости амплитудных значений тока в колебательном контуре от частот видно, что чем ближе по значениям частота генератора и собственная частота колебательного контура, тем больше амплитудное значение тока в колебательном контуре.
Наибольшее значение ток достигает при равенстве частот. Это явление называют электрическим резонансом. При электрическом резонансе условия передачи энергии в колебательном контуре наиболее благоприятные.
3. Получение незатухающих электромагнитных колебаний с помощью лампового генератора.
Для того чтобы колебания в контуре были незатухающими необходимо периодически подключать к источнику тока и пополнять его энергию. Таким переключающим устройством может быть триод или транзистор. Такое устройство называют электронным генератором.
Рассмотрим принцип работы электронного генератора.
Схема лампового генератора незатухающих колебаний.

Подадим напряжение в схему генератора при этом конденсатор «С» колебательного контура заряжается, после этого момента времени конденсатор разряжается на катушку L.
При этом нарастающий ток разрядки конденсатора своим магнитным полем в катушке L1 наводит ЭДС индукции, так что на сетке лампы будет «+» на катоде «-». Лампа открыта. Через нее идет ток и энергия контура пополняется.
К концу первой половины периода конденсатор полностью перезарядится.
Вывод: в течении
энергия электрического поля конденсатора перешла в энергию электромагнитного поля катушки, при этом лампа открыта. Во второй четверти периода конденсатор перезаряжается, лампа остается открытой. Во второй половине периода направление тока в контуре меняется на противоположное.
Этот ток своим магнитным полем в катушке L1 наводит ЭДС индукции так, что на сетке лампы будет «-» на катоде «+» и лампа закрывается.
Колебания будут продолжаться в контуре за счет энергии контура.
С начала нового периода лампа вновь открывается и энергия контура пополняется. В результате электромагнитные колебания в контуре будут незатухающими.
Рассмотренный генератор на практике используют для получения переменного тока любой заданной частоты.
частота генер.колеб.движ.
4. Токи высокой частоты и их применение.
Если по проводнику идет ток высокой частоты, то он создает переменное магнитное поле этой же частоты. Это поле, в этом же проводнике наводит индукционные высокочастотные токи самоиндукции. Высокочастотный ток самоиндукции на поверхности проводника по направлению совпадает с высокочастотным током и усиливает его внутри проводника направлен на встречу высокочастотному току и ослабляет его, в результате высокочастотные токи в основном идут по поверхности проводника, разогревая ее.
Это свойство высокочастотных токов в промышленности используют для поверхностной закалки металлических изделий.
Поверхность изделия разогревают токами высокой частоты, при этом внутренний объем деталей остается холодным при резком охлаждении меняется структура поверхностного слоя, поверхность затвердевает, а внутренний объем деталей остается без изменений.
Толщину закаливаемого слоя можно регулировать, меняя частоту тока. Чем выше частота тем меньше толщина поверхностного слоя, по которому идет ток.