Оценка снижения поперечного сопротивления пути. В практике эксплуатации бесстыкового пути часто встречаются случаи, когда в пути находятся не подбитые шпалы, иногда называемые выплесками или отрясенными шпалами. В таких случаях, между основанием шпалы и подстилающим слоем балласта находится воздушный зазор, т.е нижняя поверхность шпалы (основание) не соприкасается с балластом и при смещении рельсо - шпальной решетки поперек оси пути сила трения по основанию не подбитой шпалы отсутствует. В этих случаях, сопротивление поперечному оси пути смещению каждой не подбитой шпалы происходит за счет трения балласта по другим (кроме основания) поверхностям.
Лекция 6 Определение условий устойчивости бесстыкового пути по методике ВНИИЖТа при наличии не подбитых шпал.
6.1.Алгоритм действий при определении фактической температуры закрепления рельсовых плетей при наличии не подбитых шпал (t0.н.шп..).
6.2. Определение условий устойчивости бесстыкового пути при наличии не подбитых шпал
|
|
|
Исследованиями [7] установлено, что доля сопротивления основания шпалы в общем ее сопротивлении поперечному сдвигу составляет 0,5.
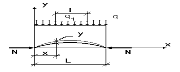
Пусть в середине стержня длиной L имеется участок длиной l с интенсивностью сил сопротивления q1, причем q1 <q (cм. Рис.6.2.).

Рис. 6.2.
Введем понятие эквивалентного сопротивления
. Это некое постоянное по величине на длине L сопротивление, эквивалентное сопротивлению пути с не подбитыми шпалами, определяемое по формуле:
, (6.1)
где L – длина участка поперечной деформации, (по данным Е.М. Бромберга при R ‹ 600 м L =6,0 м а в остальных случаях L =8,0 м)
l – то же с ослабленным сопротивлением сдвигу, т.е. с не подбитыми шпалами. Значение l можно определить по формуле:
l = lэп n н..шп (6.2.)
где l эп - расстояние между осями шпал, n н..шп - количество не подбитых шпал на длине пути протяженностью 6-8 м.
Из (6.1) видно, что коэффициент, характеризующий снижение поперечного сопротивления пути К q.н. шп из-за наличия не подбитых шпал равен
К q.н. шп =
. (6.3)
Определим значения К q.н. шп , по формуле (6.3), в табличной форме (см. табл. 6..1)
Определение К q.н. шп и К q.н. шп.уд
Таблица 6.1
| n н..шп , шт. | L, м | l, м | 0,5cos | К q.н. шп | К q.н. шп.уд = К q.н. шп / n н..шп |
| 1. | 2. | 3. | 4. | 5. | 6. |
| 1,0 | 6 | 0,13 0,10 | 0,87 0,90 | 0,064 0,05 | |
| 2,0 | 6 | 0,25 0,19 | 0,75 0,81 | 0,06 0,05 | |
| 3.0 | 6 | 0,35 0,28 | 0,65 0,72 | 0,06 0,05 | |
| 4,0 | 6 | 0,43 0,35 | 0,57 0,65 | 0,06 0,04 |
6.2.2.Оценка снижения превышений температуры рельсовых плетей при наличии не подбитых шпал. Превышение температуры рельсов, соответствующее условию устойчивости для участка бесстыкового пути с наличием не подбитых шпал определится условием
[∆ t У] Н.ШП. = [∆ t У]· Кq. н.шп.уд n н..шп . (6.4)
или для Р65, ЖБ, Щ [∆ t У] Н.ШП =(58 – 9360 /R) · Кq. н.шп · Кэп×. (6.5)
|
|
|
Количественная оценка снижения превышений температуры рельсов при не подбитых шпалах определится из условия
∆ tН.ШП. = [∆ t У] - [∆ t У] Н.ШП(6.6)
или для Р65, ЖБ, Щ
∆ tН.ШП = (58 – 9360 /R) Кэп × - (58 – 9360 /R) · Кq. н.шп.уд · n н..шп· Кэп×
∆ tН.ШП = (58 – 9360 /R) Кэп (1 - Кq. н.шп.уд. ·n н..шп )× (6.7)
Значения ∆ tН.ШП, полученные по формуле (6.7.) приведены в табл. 6.2.(числитель)
Здесь же, в табл.6.2, приведены (знаменатель) удельные значения необходимых снижений превышений температуры рельсов ∆ tН.ШП.УД.,т.е. отнесенных к одной шпале.
Для упрощения вычислений значения ∆∆ tН.ШП и ∆∆ tН.ШП.УД. дифференцированы по группам радиусов также, как действующих Технических указаниях по бесстыковому пути.
Определение ∆tН.ШП (числитель) и ∆tН.ШП.УД (знаменатель) Таблица 6.2
| n н..шп, шт. | Радиус кривой, м | |||||||||
| прям | ||||||||||
| 1. | 2. | 3. | 4. | 5. | 6. | 7. | 8. | 9. | 10. | |
| 6,7 3,4 | 6,2 3,1 | 6,3 3,2 | 6,1 3,0 | 5,9 3,0 | 5,4 2,7 | 4,2 2,1 | 3,7 1,8 | 3,4 1,7 | ||
| 13,4 3,4 | 12,3 3,1 | 12,7 3,2 | 12,2 3,0 | 11,7 2,9 | 10,8 2,7 | 8,4 2,1 | 7,4 1,8 | 6,8 1,7 | ||
| 20,0 3,3 | 18,5 3,1 | 19,0 3,2 | 18,4 3,1 | 17,6 2,9 | 16,2 2,7 | 12,6 2,1 | 11,2 1,9 | 10,2 1,7 | ||
| 26,7 3,3 | 24,7 3,3 | 25,3 3,2 | 24,6 3,1 | 23,5 2,9 | 21,6 2,7 | 13,4 1,7 | 11,9 1,5 | 10,8 1,4 | ||
| Среднее по R | 3.4 | 3.1 | 3.2 | 3.0 | 2.9 | 2.7 | 2.0 | 1.8 | 1.6 | |
| Среднее по груп. R | 3.0 | 1.8 |
Из табл.6.2 следует, что каждая не подбитая шпала осредненно снижает предельное превышение температуры на 3.0 °С при R, более 500 м и на 1,8 ° С при R, менее 500 м т.е.
Δ t н.шп.уд = 3,0 °С при R > 500 м Δ t н.шп.уд = 1,8 °С при R ≤ 500 м (6.8.)
При количестве не подбитых шпал более одной, (например nн.шп.) отклонение от первоначальной температуры закрепления можно определить по формуле
Δt н.шп. = Δt н.шп.уд * nн.шп °С (6.9.)
6.3.. Определение новой (фактической) температуры закрепления рельсовых плетей при наличии не подбитых шпал.
Значение новой (фактической) температуры закрепления участка рельсовой плети в местах наличии не подбитых шпалах определится по формуле
t О.Н,ШП, = t З - Δ t Н.ШП. (°С) (6.10.)
6.4. Определение условий устойчивости мест с наличием не подбитых шпал.
Условие устойчивости бесстыкового пути в местах наличия не подбитых шпал определяется неравенством: t 0.Н.ШП. ≥ min t З (°С) (6.11.)
Форма температурной диаграммы работы бесстыкового пути приведена на рис. 2.1.
Пример 6.1. По заданному количеству не подбитых шпал определить по методике ВНИИЖТа
6.1 - отклонения фактической температуры закрепления от первоначальной,
6.2 - новую температуру закрепления,
6.3 – определить условия устойчивости бесстыкового пути в местах наличия не подбитых шпал
6.4. построить температурную диаграмму, приняв за температуру закрепления
min t з.опт.