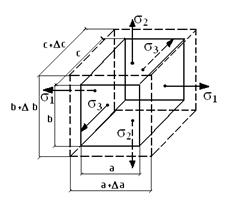
Деформации при растяжении – сжатии. Обобщенный закон Гука.














- главные относительные (линейные) деформации.




В частном случае при всестороннем сжатии:


- модуль объемной деформации

Если P>0, то εV>0
Если P<0, то εV<0
Формула, связывающая модули упругости I и II рода и коэффициент Пуассона.

Потенциальной энергией деформации называется энергия, накапливаемая в теле при его упругой деформации.
Потенциальная энергия деформации численно равна работе внешних сил, затраченной на упругую деформацию тела.
- получено ранее


, 



Для нахождения потенциальной энергии, накапливаемой в теле при упругой деформации необходимо проинтегрировать удельную потенциальную энергию по объему.

Полная потенциальная энергия складывается из энергии изменения формы и энергии изменения объема.

Прочность материала в основном определяется энергией формоизменения.
; 


![]() |







