Решение многих технологических задач в современных условиях строятся на применении цифровых систем, используемых и для управления, и для регулирования. Цифровые системы - разновидность дискретных систем.
Обычно дискретную величину представляют в следующем виде:

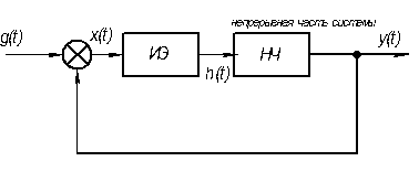
ИЭ – импульсный элемент;
ИЭ обладает условными без инерционными свойствами.
НЧ – непрерывная часть системы.
НЧ включает все непрерывные и инерционные элементы системы.
Сигналы g, x, y – непрерывные сигналы системы.
Сигнал
- это импульсный сигнал, формируемый импульсным элементом на основе непрерывного сигнала
.
Процесс преобразования непрерывной функции
в
- называется квантованием.
Квантование разделяется на:
1. По времени;
2. По уровню;
3. По времени и уровню.
1. Квантование по времени

Особенностью этого квантования является то, что функция
может принимать любое значение из области значений функции 
2. Квантование по уровню (релейное)

Двухпозиционная система.
3. Квантование по времени и уровню

Значения определяются шагом решетки (т.е. дискретны).
Для 1.:
позволяет определить
- решетчатая функция.
Для того, чтобы импульсный сигнал нес информацию о непрерывном сигнале, подаваемым на вход импульсного элемента, необходимо чтобы параметры импульса были связаны с входным сигналом; обеспечение такой связи называется модуляцией импульсов.

h – величина импульса
Т – период чередования
- действительная длительность
Это основные параметры, с помощью которых можно выполнять модуляцию:
· Амплитудно-импульсная (АИМ);
· Широтно-импульсная (ШИМ);
· Частотно-импульсная (ЧИМ).

АИМ:
h = var
T = const
= const
ШИМ:
h = const
T = const
= var
ЧИМ:
h = const
T = var
= const
Импульсный элемент считается линейным, если для него выполняется принцип суперпозиции. Из всех видов модуляций, только амплитудно-импульсная модуляция, при которой
прямо пропорционально входному сигналу, обладают линейными свойствами.
Системы ШИМ и ЧИМ не линейны, даже если в них обеспечивается пропорциональность изменяемого параметра импульса и входного сигнала.
Форма импульсов, создаваемых импульсным элементом, может быть самой разнообразной: прямоугольной, треугольной в виде
. Поэтому для анализа свойств импульсный элемент обычно представляют в виде сочетания последовательно соединенных: идеально-импульсного элемента, формирующего импульсы в форме
и формирователя
- обеспечивающего требуемую форму импульсов.

Схема импульсной системы с АИМ может быть в этом случае представлена в следующем виде:

Передаточная функция формирователя, создающего прямоугольные импульсы:

В случае если: 


Выходной сигнал импульсного элемента является непрерывной ступенчатой функцией и такой формирователь называется фиксатором нулевого порядка.
При выполнении данного условия (
) система (рис.2) приводится к виду:

Где WПНЧ – приведенная непрерывная часть системы.
Сигналы g, x, y – непрерывные сигналы
Таким образом система с АИМ приводится к виду импульсной системы, схема которой приведена на рис.1