Зубчатые передачи предназначены для передачи вращательного движения от одного вала к другому, а также для изменения величины и направления угловой скорости валов. Пару зубчатых колес, находящихся в зацеплении друг с другом, называют ступенью, а передачи – одноступенчатыми.
По характеру расположения валов все зубчатые одноступенчатые передачи можно разделить на цилиндрические, конические и гиперболоидные.
В цилиндрических передачах (рис. 6,а) оси валов параллельны. По характеру расположения зубьев на зацепляющихся колесах они разделяются на прямозубые, косозубые и шевронные.
В конических передачах (рис. 6,б) оси валов пересекаются. Наиболее распространены конические передачи с прямым углом между осями валов.
В гиперболоидных передачах (рис. 6,в) оси валов перекрещиваются. В свою очередь эти передачи подразделяются на гипоидные, винтовые и червячные. Последние являются частным случаем винтовых передач и состоят из червяка и червячного колеса.

Рис. 6. Кинематические схемы зубчатых передач: а – цилиндрическая;
|
|
|
б – коническая; в – гиперболоидная.
Преимуществами зубчатых передач перед другими (фрикционными, ременными, цепными) являются постоянство передаточного отношения, высокий механический кпд, долговечность и компактность.
Недостатком является то, что наличие высшей кинематической пары в месте контакта зубьев приводит к большим контактным напряжениям, тем самым при их эксплуатации приходится ограничивать величину передаваемых усилий, упрочнять поверхности зубьев в зоне их контакта, применять систему смазки колес.
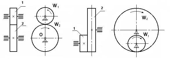
Передаточное отношение – это отношение угловых скоростей взаимодействующих (зацепляющихся) зубчатых колес. Если взаимо-действие колес внешнее, то их передаточное отношение отрицательно (U1-2 < 0), (рис. 7), если взаимодействие внутреннее, то U1-2 > 0 (рис. 8). Знак «+» указывает на совпадение векторов угловых скоростей (направлений вращения колес).
Численно величина передаточного отношения ступени равна отношению угловых скоростей
, (1/с), частот вращений
, (об/мин), или обратному отношению количества зубьев колес
:
.


| Рис. 7. Пара зубчатых колес с внешним зацеплением: 1, 2 – зубчатые колеса | Рис. 8. Пара зубчатых колес с внутренним зацеплением: 1, 2 – зубчатые колеса |
Передаточное отношение сложных (многоступенчатых) зубчатых передач равно произведению передаточных отношений ступеней:
,
где
– передаточные отношения ступеней; k – количество ступеней.

Рис. 9. Двухступенчатая зубчатая передача
Например, для двухступенчатой зубчатой передачи, кинематическая схема которой представлена на рис. 9, величина передаточного отношения
|
|
|
.