Реостатный пуск
При трогании с места величина тока двигателя равна

.
Величина сопротивления двигателя rд обычно не превышает 0,1 ом, а при трогании с места Е = 0, величина тока проходящего через двигатель в этом случае будет равна 5000 А..
.

![]() |
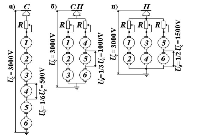
а) - последовательное (С); б) – последовательно-параллельное (СП); в) - параллельное (П).
Регулирование напряжения электроподвижного состава переменного тока.

Упрощенная силовая схема электровоза переменного тока







