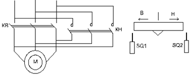
Схема автоматизации возвратно-поступательного движения АД с КЗ ротором
Схема автоматизации возвратно-поступательного движения представлена на рисунке 2.14, где приняты обозначения: SQ1, SQ2 – конечные выключатели.
Применяется в продольно-строгальных станках и шлифовальных станках.
![]()
Рисунок 2.14
|
Таблица 2.1 Способы управления и область применения
| Функция | Аппаратура управления | Область применения |
| f(t) | 1) Реле времени на постоянном и переменном токе 2) Пневматические реле | 1) Пуск АД, ДПТ 2) Динамическое торможение |
| f(W) | 1) Реле напряжения 2) Реле контроля скорости | 1) Пуск ДПТ на х.х. в одну ступень 2) Торможение противовключением АД с к.з. ротором 3) Пуск с синхронизацией СД |
| f(I) | Реле тока | 1) Двухзонный ЭП постоянного тока (Ф<Фн) 2) Пуск с синхронизацией СД |
| f(S) | Конечные выключатели | 1) Автоматизация возвратно-поступательного движения 2) Защитные путевые блокировки |
Традиционной областью применения СД является АЭП большой мощности, как правило, не регулируемые с продольным режимом работы. Существенными достоинствами СД являются:
- самый высокий КПД;
- СД имеют 500 ВТ и выше;
- СД могут выполнять функцию выполнять компенсаторов реактивной мощности (работать как с потреблением, так и с отдачей реактивной мощности).
Учитывая, что режим работы СД длительный, поэтому требуется аппаратура, обеспечивающая пуск. Торможение этих двигателей, в основном, на выбеге, в редких случаях динамическое.
Пуск СД – асинхронизированный, для чего на ротор закладывается специальная пусковая обмотка в виде беличьей клетки, рассчитанная на кратковременный режим работы. Эта обмотка также выполняет демпферную функцию при разно-переменных нагрузках. Особенностью пуска СД является то обстоятельство, что нужно не только подключить статор, но и в определенный момент подать напряжение на обмотку возбуждения.
А: По способу подключения статора пуск бывает:
1) Прямой пуск – на статор сразу поддается Ucт = Uн.
2) Пуск при пониженном напряжении Uст < Uн
а) резисторный пуск (при Рдв < 400 кВт, Uн < 1000в);
б) реакторный U > 1000 B, Pн > 1МВт;
в) автотрансформаторный U > 1000 B, Pн > 1МВт.
Б: По способу подключения обмотки возбуждения:
1) с глухоподключенным возбудителем;
2) с подключением возбуждения (возбудителя) на подсинхронной скорости wпс = 0.95w0
а) Uc<Uн;
б) Uc = Uн.
Если позволяет двигатель и питающая сеть, то применяют способ пуска (1а+1б) либо (1а+2б). Uc< (5-10)%Uн – посадки в сети от броска пускового тока. В остальных случаях применяют (2а+2б).
2а – легкий пуск (P < 0,4Pн); 2б – тяжелый пуск (P > 0,4Pн).

Рисунок 2.14






