Посадки скорости в замкнутой системе (рисунок 5.44)
;
;
.
Посадки скорости большие и статизм системы велик. При слишком больших посадках (слишком мягкие характеристики) систему с ОС по ЭДС строят с датчиком ЭДС, который при определенных решающих элементах может скомпенсировать инерционность датчика напряжения. В этом случае могут быть получены скоростные характеристики такие же, как в системе с ОС по скорости с П-регулятором.
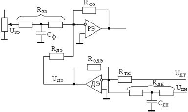
Фрагмент принципиальной схемы с датчиком ЭДС представлен на рисунке 5.45.
а) б)
Рисунок 5.45
|
На рисунке 5.45а Rодэ = Rдн; Rдэ = Rдн.
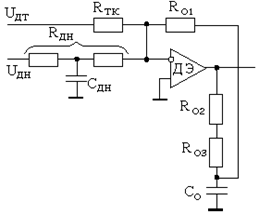
Пусть на рисунке 5.45б R03 – очень мало.
;
R02×C0 @ Тяц¢;
.
ЛАЧХ датчика ЭДС представлена на рисунке 5.46.
Рисунок 5.46
|
а) б)
Рисунок 5.45
Рисунок 5.46






