Режимы малых перемещений не являются типичным для позиционных систем. Регуляторы положения (РП) для режима средних и больших перемещений рассчитываются иначе, чем для режима малых перемещений. Для удобства сравнительной оценки различных настроек позиционной системы перейдем к расчету и оптимизации позиционной системы в относительных единицах.
При выборе базовых значений принимают во внимание следующее:
- в силовой цепи за базовые значения принимают номинальные параметры привода Uн, Iн, nН;
- в системе рассогласования за базовые принимают значения, при которых ОС становятся единичными с учетом того, что в узлах суммарные базовые значения должны быть одни и те же.
Uзт(d) = Uдт(d) = Iн Кдт;
Uзc(d) = Uдc(d) = WнKдс;
Uзп(d) = Uдп(d) = qd Кдп.
– базовое перемещение – поворот вала исполнительного двигателя за 1с при вращении со скоростью, равной номинальной Wн. Произведение Wн ×1c с учетом коэффициента редукции редуктора
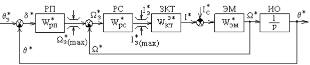
Структурная схема позиционного АЭП в относительных единицах приведена на рисунке 6.9. Сама система осталась 3-х контурной, но мы свернули контур тока.
Рисунок 6.9
|
Передаточная функция в относительных единицах имеет вид


С учетом принятых базовых значений получим передаточные функции в относительных единицах
;
;
.
Структурная схема в относительных единицах контура положения представлена на рисунке 6.10.
Рисунок 6.10
|
Оптимизируем контур положения на МО
;
;
;
=
= Крп =
.
Получим тот же результат, который был получен при оптимизации контура положения при его настройке на МО в абсолютных единицах.
Найдем величину ошибки dc*.
W* = 0;
dC* К*рп К*рс = I3* = I*C;
dC* =
.
Рисунок 6.9
Рисунок 6.10






