Сигнал, поступающий с выхода КПТ, должен быть отождествлен с “1” или “0”. Процесс определения и запоминания значащей позиции сигнала данных – называется регистрацией.
Наиболее распространены для регистрации методы стробирования и интегрирования.
Метод стробирования – значащая позиция принимаемого элемента определяются на основании анализа знака импульса в середине единичного интервала.

Рисунок 1.11 – Метод регистрации символа
Если индивидуальное КИ не превышает 0,5
, то элемент регистрируются правильно.
Говорят идеальная исправляющая способность 50%.
Исправляющая способность – это величина, на которую допускаются смещения ЗМ, не вызывающее неправильный прием элемента.

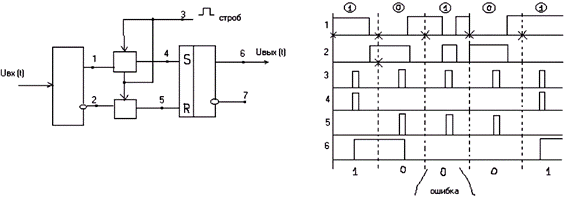
Рисунок 1.12 - Простейшая схема регистрации методом стробирования.
Схема состоит из входного устройства, двух ключей и RS-триггера. Входное устройство имеет два выхода на один транслируется входной сигнал без изменений, а на другой с инверсией (точки 1 и 2). Стробирующие импульсы открывают ключи на время своего существования. Через ключи высокий потенциал поступает на один из входов тригера и переводит его в соответствующее состояние. Последовательность 4 – устанавливает триггер в “1”, а 5 – сбрасывает триггер в “0”.
Интегральный метод регистрации
Решение о виде принятого элемента выносится на основании анализа напряжения на всем единичном интервале.
![]() |
(1.10)
В идеальном случае (если единичный. элемент не искажен), то Uвых= 1
решением о “1” принимается при
;
решением о “0” принимается при
.
В цифровом виде интегральный метод может быть реализован на основе многократного стробирования.

Рисунок 1.13 – Структурная схема интегрального метода.
На ключ поступают стробирущие импульсы. Управление ключом производится сигналом с выхода порогового устройства. Импульсы прошедшие ключ подсчитываются счетчиком. По приходу тактового импульса решающее устройство считывает показание счетчика, сравнивает его с пороговым значением и принимает решение о значащей позиции на текущем интервале.
Алгоритм принятия решения:
Пусть за время неискаженной токовой посылки появляется N тактовых импульсов, тогда:
если показание счетчика
– решение “1”, если меньше, то “0”.
Временные диаграммы работы данной схемы приведены на следующем рисунке

Рисунок 1.14 – Сравнение методов регистрации.
1. Вероятность ошибки при действии КИ у метода стробирования меньше
[стробирование лучше].
2. При дроблениях лучше интегральный метод
.
