Железоуглеродистые сплавы – стали и чугуны – важнейшие металлические сплавы современной техники. По объему, производство чугуна и стали намного (более чем в 10 раз) превосходит производство всех других металлов вместе взятых.
Диаграмма состояния железо углерод дает основное представление о строении железоуглеродистых сплавов – сталей и чугунов. Сталью называют сплавы железа с углеродом, содержание углерода до 2,14 %, а чугуны – сплавы, содержание углерода свыше 2,14%.
Железо образует с углеродом химическое соединение: (карбид железа) Fe3C – цементит. Известно, что устойчивое химическое соединение можно рассматривать как компонент, а диаграмму можно рассматривать по частям. Поэтому диаграмму железо-углерод рассматривают на участке от железа до цементита, тем более, что на практике применяют железоуглеродистые сплавы с содержанием углерода до 5% (цементит содержит 6,67%). В данном случае компонентами системы считают железо и цементит.
Свойства компонентов
|
|
|
Железо – металл серебристо-белого цвета, кристаллизуется при температуре 15390С. В твердом состоянии железо существует в двух полиморфных модификациях α и γ:
α – Fe имеет кристаллическую решетку объемно-центрированного куба и существует при температурах ниже 9110С;
γ – Fe имеет кристаллическую решетку гранецентрированного куба и сохраняется в интервале температур ниже 911 - 13920С;
δ – Fe имеет кристаллическую решетку объемно-центрированного куба, является высокотемпературной модификацией α – Fe и существует при температурах 1392 – 15390С.
При температуре 7680С (точка Кюри) железо меняет магнитное состояние: ниже 7680С железо ферромагнитно, а выше – немагнитно.
Второй компонент системы – цементит (карбид железа Fe3C), он имеет ромбическую решетку, температура плавления 12500С, является неустойчивым соединением и в определенных условиях(высокие температуры и большое содержание углерода) разлагается на железо (Feγ или Feα) и углерод в виде графита, что имеет большое значение в структурообразовании чугуна.
Фазы и структурные составляющие железоуглеродистых сплавов.
На диаграмме Fe – Fe3C различают в твердом состоянии три фазы: феррит, аустенит, цементит и три структурные составляющие: перлит, ледебурит эвтектический и ледебурит превращенный.
Феррит Ф – твердый раствор внедрения углерода в α – Fe при 7270С может содержать 0,02% углерода, при комнатной – около 0,01%, пластичный, имеет твердость около 600 МПа. При растворении в феррите марганца, кремния, фосфора твердость повышается до 900 МПа. Феррит ферромагнитен до температуры 7680С, является чистым железом, имеет предел прочности примерно 250 МПа.
|
|
|
Аустенит А - твердый раствор внедрения углерода в γ – Fe. При 11470С может содержать до 2,14% углерода, при 7270С – 0,8%. Аустенит немагнитен, вязок, имеет твердость до 2000 МПа (назван по имени английского ученого Р. Аустена).
Цементит Ц – карбид железа Fe3C, содержит 6,67%С, хрупкий, твердость 8000 МПа, слабомагнитный (при 2170С полностью теряет магнитные свойства). Различают цементит первичный, вторичный и третичный. Цементит первичный кристаллизуется из жидкого сплава по линии DC. Цементит вторичный выпадает из аустенита по линии ES и располагается по границам зерен перлита. Цементит третичный выделяется из феррита по линии PQ.
Кроме того, в эвтектическом сплаве цементит кристаллизуется (одновременно с аустенитом) из жидкого сплава эвтектической концентрации точки С (4,3% С), а в эвтектоидном сплаве образуется (одновременно с ферритом) при распаде аустенита эвтектоидного состава точки S (0,83% С).
Перлит П – эвтектоидная смесь феррита и цементита. Образуется в результате распада аустенита концентрации точки S при температуре 7270С и содержит 0,83% С. Перлит может быть пластинчатым и зернистым. Твердость перлита увеличивается с его дисперсностью. Твердость зернистого перлита 1600 – 2200 МПа, а пластинчатого – 2000 – 2500 МПа.
Ледебурит Л – эвтектика, представляет собой эвтектическую смесь цементита и аустенита, предельно насыщенного углеродом. Кристаллизуется ледебурит из жидкого сплава концентрации точки С при температуре 11470С. Назван по имени немецкого ученого А. Ледебура.
Ледебурит превращенный состоит из цементита первичного и перлита, существует при температурах ниже 7270С, отличается большой твердостью (7000 МПа) и хрупкостью.
Диаграмма состояния железо-цементит (Fe-Fe3C) представлена на рис. 1.1. По оси абсцисс на диаграмме приведено содержание углерода и цементита. Видно, что количество цементита в сплаве равно 15-кратному содержанию углерода. На левой оси ординат диаграммы точка А (15390С) отвечает температуре плавления железа; точки N (13920С) и G (9110С) соответствуют полиморфным превращениям α↔γ. До температуры 9110С существует Feα с решеткой ОЦК, от 9110С до 13920С существует Feγ с решеткой ГЦК и свыше 13920С - Feδ с решеткой ОЦК.
Правая ордината диаграммы соответствует цементиту, точка Д отвечает температуре плавления цементита.
Концентрация углерода (по массе) для характерных точек диаграммы состояния Fe-Fe3C следующая: В – 0,51%C, Н – 0,1%С, J – 0,16%С (14990С), Е – 2,14%С, С – 4,3%С (11470С), Р – 0,02%С, S – 0,83%С (7270С).

Рис. 1.1 Диаграмма состояния Fe-Fe3C
Линии диаграммы состояния Fe-Fe3C, определяющие процесс кристаллизации, имеют следующие обозначения и физический смысл:
АВСD – линия ликвидус, соответствует температурам начала кристаллизации из жидкого сплава при его охлаждении (или конца плавления при нагреве). По АВ из жидкого сплава начинает кристаллизоваться феррит – δ (Фδ), по ВС –аустенит (А), по линии СD –цементит первичный (ЦI). Поэтому в области АВН существует жидкость и феррит – δ, в области ВСЕJ – жидкость и аустенит, в области СДF – жидкость и цементит первичный.
Линия АНJECF –солидус, соответствует окончанию кристаллизации при охлаждении сплава (или началу плавления при нагреве). Ниже этой линии все сплавы находятся в твердом состоянии.
Линия HJB (14990С) – линия перитектического превращения; по достижении температуры соответствующей линии HJB протекает взаимодействие жидкого сплава состава В с кристаллами Фδ состава Н с образованием аустенита состава J: (жв+Фδн 1499 АJ). Превращение охватывает сплавы, содержащие углерод от 0,1 до 0,51 %.
Линия ECF (11470С) – линия эвтектического превращения; по достижении температуры соответствующей линии ECF из жидкости эвтектического состава (С=4,3%) одновременно выделяются кристаллы аустенита состава точки Е и цементита первичного. Образовавшуюся эвтектическую смесь кристаллов аустенита и цементита первичного называют ледебуритом (Жс
АЕ+ЦI).
Точка Е диаграммы показывает максимальную растворимость углерода в аустените при 11470С. Она принята границей деления железоуглеродистых сплавов на стали (до 2,14%С) и чугуна (свыше 2,14%С).
Стали после затвердевания не содержат хрупкой составляющей – ледебурита и при высоком нагреве имеют только аустенитную структуру, обладающую высокой пластичностью. Поэтому стали легко деформируются при нормальных и повышенных температурах, т.е. являются в отличие от чугуна ковкими сплавами.
По сравнению со сталью чугуны обладают лучшими литейными свойствами и относятся к литейным сплавам.
В результате первичной кристаллизации (кристаллизации из жидкого сплава) у всех сталей получается структура аустенита; у чугунов структура состоит из ледебурита с избыточным аустенитом или цементитом.
Превращения в сплавах Fe-Fe3C после затвердевания связаны с полиморфными превращениями железа и изменением растворимости углерода в аустените и феррите. Наиболее важные превращения в твердом состоянии описываются следующими линиями.
Линия GS соответствует началу выкристаллизовывания феррита из аустенита (при охлаждении сплава). Углерод понижает температуру полиморфного превращения железа поэтому с увеличением его содержания до 0,83% температура снижается от 9110С до 7270С.
Линия GP соответствует концу превращения аустенита в феррит, поэтому область GPQ характеризует феррит.
SE – линия предельной растворимости углерода в аустените. При понижении температуры от 11470С до 7270С растворимость углерода уменьшается от 2,14 до 0,83 % С. При охлаждении эта линия соответствует температурам начала выделения цементита вторичного из аустенита, а при нагреве – температурам окончания растворения цементита вторичного в аустените. В условиях равновесия точки линии SE принято обозначать Аст.
PSK (7270С) – линия эвтектоидного превращения. Во всех сплавах между точками P и K при содержании углерода от 0,02 до 6,67% по достижении температуры, соответствующей линии PSKаустенит эвтектоидного состава (0,83%) перекристаллизовывается в эвтектоидную феррито-цементитную смесь, получившую название перлит (АS
(ФР+ЦII)П). Точки, соответствующие линии PSK, в условиях равновесия обозначают А1.
Линия МО на диаграмме соответствует температуре точки Кюри (7680С), при охлаждении парамагнитный феррит превращается в ферромагнитный, а при нагреве - наоборот.
PQ – линия предельной растворимости углерода в феррите. При понижении температуры от 7270С до комнатной растворимость углерода уменьшается от 0,02 до 0,01 %. При охлаждении эта линия соответствует температурам начала выделения цементита третичного из феррита, а при нагреве – температурам окончания растворения цементита третичного в феррите.
Структуры, образующиеся в железоуглеродистых сплавах в результате завершения вторичной кристаллизации, определяются содержанием в них углерода.
Стали по структуре (в соответствии с диаграммой Fe-Fe3С) разделяют на доэвтектоидные (С<0,83 %), эвтектоидные (С=0,83 %) и заэвтектоидные (С>0,83 %), в которых можно выделить четыре типа структур:
1 – феррит и цементит третичный. Присутствуют в сталях, содержащих от 0,01 до 0,02 % углерода. Такие стали называют техническим железом;
2 – феррит и перлит наблюдается в доэвтектоидных сталях, содержащих от 0,02 до 0,83% С. Чем больше в стали углерода, тем больше в ней перлита. Количество перлита возрастает от нуля в точке Р до 100% в точке S;
3 – перлит – присутствует в эвтектоидной стали, содержащей 0,83% С;
4 – перлит и цементит вторичный, наблюдаются в заэвтектоидных сталях.
Чугуны по структуре разделяются на доэвтектические (2,14 – 4,3%) – структура перлит, ледебурит превращенный и цементит вторичный; эвтектические (4,3%) – структура ледебурит превращенный и заэвтектические (С= 4,3 – 6,67%С) – структура ледебурит превращенный и цементит вторичный.
По равновесной структуре белые чугуны подразделяют на доэвтектические, эвтектические и заэвтектические. Содержание углерода в доэвтектическом чугуне находится в пределах 2,14...4,3 %. Структура его состоит из перлита, вторичного цементита и ледебурита превращенного.
Эвтектический чугун содержит 4,3 % углерода и имеет структуру ледебурита превращенного. В заэвтектическом чугуне содержится более 4,3 % углерода (до 6,67 %). Его структура состоит из первичного цементита и ледебурита превращенного.



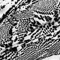
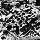
а) б) в) г)
Рис.4.2. Структурные составляющие в системе Fе-Fе3С: а ‑ аустенит (увеличение х250); б ‑ феррит (х250); в ‑ ледебурит(х200); г ‑ перлит (х10000)
Чугуны со структурно свободным углеродом в зависимости от геометрической формы графитных включений называют: серыми (пластинчатый графит), ковкими (хлопьевидный графит), высокопрочными (шаровидный графит). Металлическая основа чугунов может быть ферритной, ферритно-перлитной и перлитной. В ферритных чугунах весь углерод находится в свободном состоянии в виде графита. В перлитных ─ 0.8 % углерода связанно в цементит, остальной углерод находится в свободном состоянии. При одинаковой металлической основе механические свойства чугунов возрастают от серого к высокопрочному.
Серые чугуны получают при охлаждении отливок с обычными скоростями, характерными для песчаных форм (при больших скоростях получают белый чугун). Маркируют серые чугуны буквами СЧ и числом, обозначающем временное сопротивление разрушению σв в кг/мм2 (в десятых долях МН/м2), например СЧ 24.



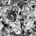
а) б) в) г)
Рис.4.3. Микроструктуры сплавов в системе Fе-Fе3С (х200):
а ‑ доэвтектоидная сталь; б ‑ заэвтектоидная сталь; в ‑ доэвтектический чугун; г ‑ заэвтектический чугун



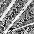
а) б) в) г)
Рис.4.4. Микроструктуры чугунов (х 200): а ‑ ферритный серый; б ‑ ферритный ковкий; в ‑ перлитный ковкий; г ‑ ферритно-перлитный высокопрочный.
Ковкие чугуны получают путем длительного графитизирующего отжига белых чугунов. Маркируют ковкий чугун буквами КЧ и двумя числами, первое из которых ─ σв в кг/мм2, второе ─ относительное удлинение δ в %, например, КЧ 37-12.
Высокопрочные чугуны получают путем модифицирования в ковшах расплава серого чугуна магнием или церием. Маркируют чугуны буквами ВЧ и числом, обозначающим σв в кг/мм2, например ВЧ 65.