Приводы групповых контакторов.
Классификация и общая характеристика. По числу позиций (положений) приводы групповых контакторов разделяют на двух-, трех-, четырех-и многопозиционные, по направлению вращения — на одно- и двусторонние, по роду привода — на пневматические, гидравлические, электродвигательные и электромагнитные. На магистральных электровозах наибольшее распространение получили приводы пневматические и электродвигательные.
Групповые приводы тяговых аппаратов сообщают кулачковому валу вращательное движение. Поворот кулачков или кулачковых шайб вместе с кулачковым валом вызывает перемещение подвижной системы механически связанных с ними контактов. Мощность привода и развиваемый им вращающий момент определяют исходя из нагрузок, создаваемых контакторами.
Для снижения необходимого усилия или вращающего момента привода и повышения четкости его работы предусматривают по возможности постоянную сумму моментов сопротивления отдельных контакторов при любом угле поворота кулачкового вала ( ∑ Мпк). Это достигается включением и выключением одинакового числа контакторов на каждой позиции, а в случае необходимости — некоторым смещением моментов включения отдельных контакторов в пределах одной позиции При этом, конечно, предотвращают возможность возникновения вредных контуров в электрических цепях при неодновременном переключении контакторов.
Вращающий момент, развиваемый приводом и приложенный к кулачковому валу, должен несколько превышать суммарный момент, обусловленный сопротивлением контакторов, с тем, чтобы обеспечить первоначальное ускорение системы. Однако это превышение должно быть сравнительно невелико, так как значительные угловые ускорения не способствуют четкой фиксации группового контактора на позициях. Кроме того, наличие больших угловых ускорений, вызывающих значительные неуравновешенные инерционные усилия, приводит к разрегулировке системы и быстрому износу ее деталей и узлов.
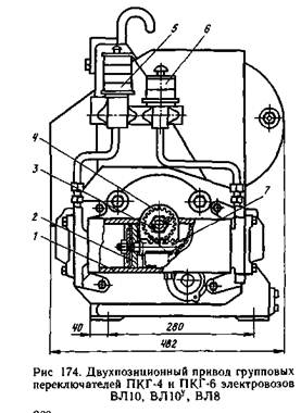
Он имеет два фиксированных положения, соответствующих двум соединениям тяговых двигателей. В двухпози-ционном приводе имеется один цилиндр / (рис. 174) с двумя поршнями 2 и зубчатой рейкой 7, связанной с шестерней
4 кулачкового вала 3. Управление приводом осуществляется вентилями выключающим 5 и включающим 6, пневматически соединенными с полостями цилиндра /.
Когда катушки вентилей не возбуждены, сжатый воздух через клапан вентиля
5 поступает в первую полость цилиндра,
|
вторая полость которого через клапан вентиля 6 сообщена с атмосферой. Под действием сжатого воздуха поршень вместе с зубчатой рейкой перемещается, поворачивая шестерню и кулачковый вал, чем фиксируется первое положение переключателя.
Для того чтобы получить второе положение, возбуждают катушки вентилей. При этом вторая полость цилиндра через клапаи вентиля 6 сообщается с источником сжатого воздуха, а первая через клапан вентиля 5 соединяется с атмосферой. Под действием сжатого воздуха на поршень цилиндра зубчатая рейка перемещается в другое крайнее положение, поворачивая шестерню и кулачковый вал. При этом фиксируется второе положение группового переключателя.






