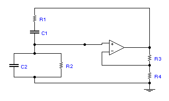
При построении схем генераторов используется явление самовозбуждения, условия возникновения которого были сформулированы ранее, как условия баланса амплитуд и условия баланса фаз. Для обеспечения их выполнения в каждой конкретной схеме используются цепи положительной и отрицательной обратной связи. Если генератор вырабатывает колебание на одной частоте, он относится к генераторам гармонических колебаний. Выходной сигнал в этом случае по форме близок к синусоиде. Условия баланса фаз в такой схеме выполняется на одной частоте. Если условия самовозбуждения выполняются в широком диапазоне частот, вырабатываемые колебания могут иметь сложную форму, а спектр сигнала представляется рядом гармоник кратных частот. Такую схему часто называют мультивибратором. Пример схемы генератора гармонических колебаний с мостом Вина в цепи положительной обратной связи приведен ниже.

Мостом Вина называется схема, образованная резисторами R1, R2 и конденсаторами C1, C2. Последовательное включение цепей R1C1 и R2C2 приводит к тому, что на некоторой частоте опережение по фазе, вносимое первой цепью, компенсируется равным по величине запаздыванием, вносимым второй цепью, в результате чего именно на этой частоте реализуется условие баланса фаз. Определим коэффициент передачи цепи положительной обратной связи данной схемы в виде комплексной функции частоты. Для этого обозначим
,
. Тогда
. При условии
, на частоте
получим
,
,
.
. Если принять
, получим
.
Таким образом, при выполнении принятых требований к величинам R1, R2, C1, C2 на частоте
коэффициент положительной обратной связи оказывается вещественным и численно равным 1/3. Фазовый сдвиг в цепи положительной обратной связи на этой частоте оказывается равным нулю, следовательно, условие баланса фаз выполнено. Для выполнения условия баланса амплитуд необходимо, чтобы
, где
.
При разработке практических схем генераторов с мостом Вина в цепи положительной обратной связи можно пользоваться методическими указаниями и рекомендациями, приведенными в методических пособиях “ Применение интегральных микросхем операционных усилителей в схемах активных RC-фильтров и стабилизированных RC-генераторов”, СпбГМТУ 1997 и “Электронные устройства аналоговой обработки сигналов. Схемы на операционных усилителях”, СпбГМТУ 1995.






