К радиосигналам относятся сигналы, спектр которых сосредоточен в узком диапазоне частот около некоторой частоты, называемой несущей. В общем случае математическая модель радиосигнала представляется как 
Информация, передаваемая с помощью радиосигнала, содержится в
и (или)
и, соответственно, определяется амплитудной или фазовой модуляцией, частным случаем которой является частотная модуляция (
). Целью аналоговой обработки радиосигналов является, в конечном итоге, извлечение информации, передаваемой с помощью того или иного вида его модуляции. В реальных радиосистемах эта информация часто маскируется помехами, для уменьшения влияния которых осуществляется так называемая согласованная фильтрация сигнала.
Простейший согласованный фильтр реализуется в виде схемы резонансного усилителя, настроенного на несущую частоту сигнала и имеющего полосу пропускания, соответствующую ширине спектра сигнала. Для сигналов на частотах, превышающих несколько десятков килогерц резонансные усилители выполняются обычно в виде транзисторных каскадов с нагрузкой в виде LC -контура. На более низких частотах для этих же целей могут быть использованы схемы резонансных каскадов на основе операционных усилителей с частотнозависимыми RC цепями.
|
|
|
Широко распространенной является схема с двойным Т-образным RC мостом в цепи отрицательной обратной связи.

В данной схеме усилитель А1 выполняет функцию сумматора входного сигнала U1 и сигнала отрицательной обратной связи, поступающего на второй вход сумматора через частотнозависимую цепь, состоящую из C1,C2,C3 и R4,R5,R6. Эта цепь получила название двойной Т-образный RC мост. Отличительной особенностью этой схемы является то, что при условии C1=C2=C, R4=R5=R, C3=2C, R6=0.5R ее коэффициент передачи на частоте
равен нулю. Это условие в реальной схеме выполняется при высоком сопротивлении нагрузки и низком выходном сопротивлении источника сигнала, к которым подключен мост. В рассматриваемом случае нагрузкой моста является неинвертирующий высокоомный вход усилителя А2, включенного по схеме повторителя, а источником сигнала является низкоомный выход усилителя А1. Коэффициент передачи моста определяется по формуле
, где
,
-оператор Лапласа, при переходе к частотной характеристике может быть заменен на
. График для модуля
имеет вид

Связь между входным и выходным напряжениями рассматриваемой схемы можно определить, записав следующее уравнение
, откуда можно получить
.
Как видно из полученной формулы, максимальное значение коэффициента усиления схемы соответствует
, а минимальное- значению
. Разница между минимальным и максимальным значениями тем больше, чем больше величина
. В результате расчета частотной характеристики схемы по полученной формуле можно получить графики для нескольких значений
.
|
|
|

На данном графике приведены частотные характеристики схемы для значений
и
.
Как видно, в данной схеме можно регулировать избирательность (добротность) за счет изменения соотношения сопротивлений резисторов R1 и R2. При разработки схемы данного типа обычно задается относительная ширина полосы пропускания, определяемая в виде отношения ширины полосы пропускания на уровне половинной мощности (уровень
от максимального, приблизительно 0.7) к резонансной частоте. Величина, обратная этому отношению, называется добротностью. Для данной схемы можно получить следующее соотношение:
. Таким образом, если задано
, то
, а
, где
.
Схемы выделения огибающей и фазы.
Огибающей радиосигнала вида
называется
, а его фазой -
. Для одновременного выделения огибающей и фазы узкополосного радиосигнала его предварительно представляют в виде пары ортогональных колебаний, соответствующих вещественной и мнимой составляющим так называемого аналитического сигнала, представляемого в виде
.
Как видно, вещественная компонента аналитического сигнала соответствует исходному сигналу, а мнимая компонента получается из вещественной путем введения в нее фазового сдвига на
, за счет чего косинус превращается в синус. В реальных схемах такая операция осуществляется путем пропускания исходного сигнала через фазосдвигающую цепь. После представления сигнала парой ортогональных составляющих его огибающая и фаза могут быть определены по формулам:
, где
и
соответственно вещественная и мнимая части аналитического сигнала, а
- текущая фаза по модулю 2
. В практических схемах часто осуществляется предварительное преобразование спектра исходного сигнала путем его умножения на опорный сигнал, имеющий частоту
. При этом образуются сигналы на нулевой и удвоенной частотах, причем последний подавляется с помощью фильтра нижних частот. На выходе этого фильтра остается сигнал вида
, где k- масштабный коэффициент, зависящий от параметров схемы. Этот сигнал содержит всю необходимую информацию о амплитуде и фазе, но для извлечения этой информации необходимо одновременно сформировать квадратурный сигнал
. Эта задача решается на основе следующих формул:


Выделение огибающей и фазы осуществляется путем следующих преобразований полученных низкочастотных сигналов

Структурная схема выделения огибающей и ее квадратурных компонентов может быть реализована в виде

В схеме использованы обозначения: Gen-генератор квадратурных опорных сигналов, Fnch-фильтр нижних частот, Sum-сумматор, Sqr-схема извлечения квадратного корня. Для получения квадратурных сигналов на фиксированной частоте может быть использована приведенная ниже схема генератора, представляющая собою каскадное соединение фильтра нижних частот второго порядка (А1) и интегратора (А2).

Частотная (ЛАЧХ) фильтра нижних частот (ФНЧ-2)
, результирующая ЛАЧХ совместно с интегратором
и соответствующие им фазовые характеристики ФНЧ -
и результирующая
представлены на следующих графиках. Расчеты произведены для рассматриваемой схемы по формулам, приведенным ранее для схем ФНЧ-2 и интегратора. Для данной схемы расчетное значение частоты полюса fp=0.512 кГц,
qp=0.707.

На этом графике представлены ЛАЧХ ФНЧ-2 и результирующая ЛАЧХ схемы каскадного соединения ФНЧ-2 и интегратора. Далее следуют графики соответствующих фазовых характеристик и отдельный график результирующей ФЧХ. Как видно, результирующая ФЧХ получается путем смещения ФЧХ для ФНЧ-2 вниз на 270 градусов. Это объясняется тем, что интегратор дает 90 градусов фазового сдвига за счет частотно-зависимой цепи отрицательной обратной связи и 180 градусов за счет инвертирующего включения ОУ.
|
|
|


Как видно из графиков, на частоте полюса фазовый сдвиг равен 0 градусов, следовательно, выполняется условие баланса фаз и при выполнении условия баланса амплитуд в схеме возникает генерация на этой частоте. Условие баланса амплитуд обеспечивается цепью положительной обратной связи, образованной резистором R4 и двухполярным стабилитроном VD, который выполняет роль двустороннего ограничителя и стабилизирует таким образом амплитуду выходных напряжений. Сдвиг по фазе между сигналами на входе и на выходе интегратора составляет 90 градусов, что и обеспечивает на выходах схемы действие сигналов вида синусоиды и косинусоиды, т.е. квадратурных сигналов.
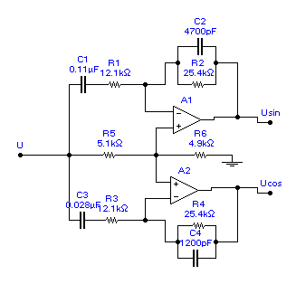
В некоторых случаях квадратурные составляющие формируются непосредственно из исходного сигнала, занимающего некоторую спектральную полосу относительно несущей частоты. В этих случаях для построения соответствующей схемы необходимы широкополосные фозосдвигающие цепи, обеспечивающие фазовый сдвиг на
в пределах всей эффективной полосы частот, занимаемой сигналом. Примером такой схемы является нижеследующая. Как видно, схема является двухканальной, коэффициент передачи для верхнего и нижнего каналов определяются в виде суммы коэффициентов передачи по инвертирующему и неинвертирующему входам ОУ. Для неинвертирующего входа он определяется через отношение комплексных сопротивлений цепей R2C2 и R1C1 (для верхнего канала), для неивертирующего входа за счет резисторов R5,R6 обеспечивается коэффициент передачи равный отношению R2 к R1. Для нижнего канала отличие состоит только в величинах постоянных времени RC цепей. Расчетная формула для комплексного коэффициента передачи верхнего канала может быть приведена к виду
, где
,
,
,
,
. Как видно из формулы, модуль числителя равен модулю знаменателя, поэтому формула приводится к виду
. Результаты расчета фазово-частотных характеристик для двух каналов рассматриваемой схемы представлены на графике для
и
.
|
|
|


На следующем графике представлена зависимость разности фаз двух каналов от частоты.

Как видно, в диапазоне частот от 0.25кГц до 2.5кГц разность фаз с небольшой погрешностью равна 90 градусам, что и обеспечивает квадратурное преобразование сигнала со спектром в пределах этой полосы.