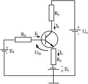
Рассмотрим обобщенную схему каскада:
| Составим уравнение для контура Еб–Еэ:
Еб+Еэ-Uбэ = IбRб+IкRэ+IбRэ
Отсюда
Обозначим gб= Rэ/(Rб+Rэ) – коэффициент токораспределения в цепи базы.
Определим ток коллектора по формуле:
Iк = bIб + (b+1)Iкб.0
.
|
В частности, в схеме с ОБ:
Rб=0; Eб=0; gб=1; 
В схеме с ОЭ:
Rэ=0;Eэ=0; gб=0; 
Обозначим gб= Rэ/(Rб+Rэ) – коэффициент токораспределения в цепи базы.
Определим ток коллектора по формуле:
Iк = bIб + (b+1)Iкб.0
.






