Коэффициент ослабления синфазного сигнала
от 60 до 110дБ, наиболее типичные от 70 до 80дБ.
Выходные параметры.
Выходное сопротивление Rвых - сотни Ом, в справочниках приводится редко.
Выходной ток Iвых.max или минимальное сопротивление нагрузки Rн.min.
В большинстве ОУ Rн.min=2кОм.
Максимальное выходное напряжение Uвых.max привязано к напряжению питания.
|
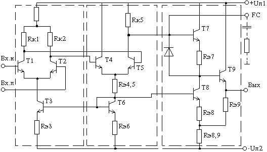
Схема К140УД1(А,Б)
Входной ДК Второй каскад Выходной каскад
Кu1»40 Кu2»20 Кu3»3¸5
Согласование уровней:

При Uхв.дф, равном нулю, Uвых должно быть равно нулю.
Параметры ОУ:
Ku = 500...1000;
Uсм.о=5...9мВ;
Iвх=5...10мкА;
Кос.сф=60дБ;
f1=3...5МГц;
Vu=0.5...3В/мкс;
Rвх=4кОм;
Uп=2 х 6.3В (А);
2 х 12.6В (Б, В);
Uвых.max=2.5В (А);
6В (Б, В);
Rн.min=1.6кОм (А);
3.7кОм (Б, В).
8.4. ОУ с МДМ-каналом
|
|
Модулятор работает, как прерыватель (ключ):
· контактные вибропреобразователи;
· оптроны;
· полевые транзисторы.
Демодулятор восстанавливает полярность входного сигнала.
ФНЧ сглаживает пульсации, выделяет “постоянную составляющую”.
|
Дрейфом нуля обладают только демодулятор и модулятор. Лучшие образцы УПТ с МДМ имеют дрейф ~ 0.1 мкВ/град., т.е. в сто раз меньше, чем УПТ прямого усиления.
Для качественного воспроизведения формы входного сигнала fм должна быть выше в десять раз верхней частоты спектра. Поэтому при ограничении на частоту коммутации полоса частот ОУ невелика.
В интегральном исполнении ОУ с МДМ-каналом 140УД13.
Частота модуляции fм равна 10кГц. Верхняя частота ОУ fв» 1кГц. Коэффициент усиления Ku» 10. Если этого не достаточно, можно включить дополнительно усилитель переменного напряжения перед демодулятором.






