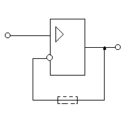
Коэффициент передачи цепи О.С

-
__это коэффициент передачи резисторного делителя.
Если Ku - коэффициент усиления ОУ без О.С., то с учетом О.О.С.
.
При большом значении Ku усиление определяется только сопротивлениями внешней цепи:
.
Так как дифференциальное напряжение на входах ОУ очень мало:
,
можно считать, что входной сигнал Uвх присутствует на обоих входах ОУ, т.е. синфазный сигнал равен входному:
,
что является недостатком этой схемы включения. В выходном сигнале кроме полезной составляющей, равной Кu.ос. Uвх, содержится погрешность, равная Кu.сф . Uвх. Эта погрешность не зависит от глубины обратной связи.
Достоинством этой схемы является высокое входное сопротивление (О.О.С.последовательного типа). Если бы Rвх.сф ® ¥, то


|
На самом деле Rвх.о.с. для дифференциального сигнала не может превысить Rвх.сф для синфазного сигнала. В пределе при c=1 
При c=1, т.е. стопроцентной О.О.С. (когда R1 = ¥) коэффициент передачи Ku.ос» 1, т.е. получается схема повторителя напряжения с самым высоким входным сопротивлением.
|
|
|






