Логические элементы.
Логические элементы (ЛЭ) бывают:
- Потенциальные. В них информация кодируется уровнями сигналов. Это уровни напряжения.
- Импульсные. В них информация кодируется отсутствием или наличием импульса.
- Потенциально-импульсные.
Логика ЛЭ может быть:
- Положительная Л+

- Отрицательная Л-

Первое правило функциональной интеграции: если области разных элементов (компонентов) имеют одинаковый потенциал и тип, то эти области могут быть объединены в одну.
1. логическое И (конъюнкция).
Логика – Л+ 
Таблица истинности:
Обозначение схемы:

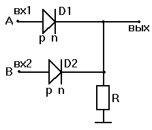
Схема:

Математическая модель:

Работа схемы:
На входе 00
UA = UB = U0
D1, D2 – открыты
Uвых = E-IR
На выходе 0
На входе 01
UA = U0
UB = U1
D2 – закрыт
D1 - открыт
Uвых = E-IR
На выходе 0
На входе 10
D1 – закрыт
D2 - открыт
UA = U1
UB = U0
Uвых = E-IR
На выходе 0
На входе 11
D1, D2 – закрыты
UA = UB = U1
Uвых = E (если нагрузка = 0)
На выходе 1
Вывод: диодная сборка с резистивной нагрузкой с объединенными р-областями диодов выполняет функцию логического умножения положительной логики.
|
|
|
2. логическое ИЛИ (дизъюнкция).
Логика – Л+ 
Таблица истинности:
Обозначение схемы:

Схема:

Математическая модель:

Работа схемы:
На входе 00
UA = UB = U0
D1, D2 – закрыты
Uвых = 0 (Uвых = 0 + IR (I -> 0))
На выходе 0
На входе 01
UA = U0
UB = U1
D1 – закрыт
D2 - открыт
Uвых = IR
На выходе 1
На входе 10
D1 – открыт
D2 - закрыт
UA = U1
UB = U0
Uвых = IR
На выходе 1
На входе 11
D1, D2 – открыты
UA = UB = U1
Uвых = IR
На выходе 1
Лекция 2






