Запасы помехоустойчивости.
Запас устойчивости по положительной помехе – это допустимое увеличение напряжения логического нуля на входе, при котором еще не происходит нарушение работы схемы.
Запас устойчивости по отрицательной помехе – это допустимое уменьшение напряжения логической единицы на входе, при котором не происходит нарушение работы схемы.

1) n = 0

P0, P1 – мощности, соответственно, нуля и единицы. Эти величины определяются по выходу.

Uвых = U0
На выходе – 0.
Транзистор насыщен.
I = Iнас

Uвых = 1
На выходе – 1
Транзистор закрыт.



2) 

U вых = U0
На выходе ноль, транзистор насыщен.


U вых = 1
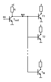
Основной транзистор закрыт, а остальные насыщенны.



Лекция 4






