3. Функция НЕ.
Таблица истинности:
| x | вых. |
Обозначения схемы:

Схема: Математическая модель:

МОП-инвертор (схема) Структура.

Работа схемы:
На входе 0
UВх = U0
Uвых = ER
На выходе 1
На входе 1
UВх = U1
Uвых = Uкэн = U0
На выходе 0
4. Функция И-НЕ
Таблица истинности:
Обозначение схемы:

Схема:

Математическая модель:

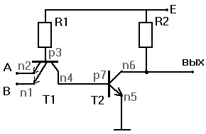
5. Функция ИЛИ-НЕ.
Таблица истинности:
Обозначение схемы:

Схема:

Математическая модель:

Лекция 3






