Модели переходной схемотехники.
Анализ компонентов транзисторной схемотехники.
Биполярный транзистор.

МОП-транзистор.

Резистор.

N - размерность

Лекция 5
Алгоритмов решения этой задачи несколько.
Алгоритм 1.
Дано:

Требуется: F = (F1, F2, F3, F4, F5)
Fi = (E1, …, Ek1, Ground, I1, …, Ik2, g1, …, gk3….) - управление
Bx1, …, Bxm, вых1, …, выхk4 - назначение
Для этой модели нужно задать транзисторные эффекты.
Алгоритм решения:
- Зададим вектор F
- Зададим базы устройств
- Моделирование (анализ)
Алгоритм 2.
Дано: НЕ
Найти: Модель ФИЭ
Критерий – минимальное число ЛЭ
Замечание: При синтезе надо стремиться к тому, чтобы моделью было дерево.
Начиная с размерности N=8, идут модели ТТЛ и ЭСЛ.
Алгоритмы создания интегральных структур и технологических процессов для математических моделей функционально интегрированных элементов (ФИЭ).
Возьмем для примера ФИЭ ТТЛ.
Размерность N=8.

а) эпитаксиально–планарная технология

берем за центр среднюю точку и перерисовываем модель (т.е. мы назначаем подложку)

б) локальная эпитаксия


в) 3D технология

Реализация интегральных структур в модели с циклами.

а)

б)

в)

Лекция 6
Проектирование логических элементов.
Биполярный инвертор.
Дано: принципиальная схема ЛЭ.

Решение:
1. Расчет параметров компонентов
(P, t) – критерий построения.
Чем меньше резисторов, тем лучше.

2. Конструкторное проектирование (топология)
а) размещение компонентов
б) трассировка данных
Где нет явно транзистора и резистора, там проектируется топология и структуры.

R Þ I¯ Þ P¯
Wб < 3мкм – транзистор
x – закрытый переход (его надо обеспечить закрытостью)
Трассировка.

Трассировка соединения – это прокладывание металлизации и контактов.
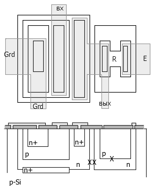
Технологические этапы создания элементов.
- создание подложки.

- создание n+-подушки (n+-диффузия)
mask1

- создание n-эпитаксиального слоя

- изолирующая p-диффузия
mask2 NEGA(P)

- p-базовая диффузия
mask3 POSY(P)

- n+ эмиттерная диффузия
mask4 POSY(n+)

- окисление

- создание контактов
mask5 POSY (
)

- металлизация поверхности

- травление металлизации
mask6 NEGA(Me)

Создание элемента требует 6 масок.
Пример:
Количество масок для МОП.
1. mask1 POSY(N)
2. mask2 POSY(Tox)
3. mask3 POSY(
)
4. mask4 NEGA(Me)
Топология создания схем с локальной эпитаксией.
1.

2.

3.

4.

5.

6,7.

8,9.

Лекция 7
Фотолитография.
Для того, чтобы формировать в структуре области определенной конфигурации, используется фотолитография.
1.

2.

3,4.

5.

а) свет
б) снять маску
Туда, куда попадает свет, фоторезист поляризуется.
6. Травление фоторезиста и окисла.

-------------------------------------------------------------------------
7.
Диффузия.

8. Травление остатков окисла.

Особенности компонентов транзисторной схемотехники.
Основные компоненты транзисторной схемотехники – транзистор и резистор.

- транзисторы

- резистор
Транзистор.

Режим насыщения:



Резистор.


Низкоомные сопротивления.

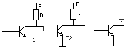
Синтез логического элемента с более сложной функцией, чем инверсия.
Дано:

Требуется: ИЛИ-НЕ
Принцип: параллельное соединение транзисторов реализует зависимую функцию ИЛИ.

Логика – Л+ 
НТСЛ – непосредственно связанная транзисторная логика.
| А | В | Т1 | Т2 | выход |
|
| закр. | закр. | E | |||
| закр. | насыщ. | Uкэн2 | |||
| насыщ. | закр. | Uкэн1 | |||
| насыщ. | насыщ. | Uкэн |
Эта схема из всех самая неудачная. Т.к. у нее низкое быстродействие (т.к. есть резистор, она насыщенна).
Алгоритм синтеза инжекционного инвертора.

U1 U2
(R1, T1) (R2, T2)
Хотим: U3 (R1, T2) (I)
Uвх = U0 T1 – закрыт
Uвых1 = U1
T2 – насыщен
$ IR1 втекает в базу T2
Uвх = U1 T1 – насыщен
Uвых = U0
T2 – закрыт
$ IR1 = Iк..нас1
Тогда получаем:

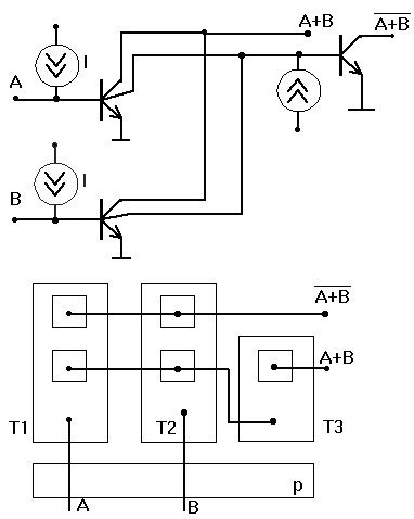
В качестве источника тока в интегральных схемах применяют pnp-транзисторы.
Принципиальная схема инжекционного инвертора транзисторной схемотехники.


Синтез структур инжекционных инверторов.
1) x = nGround

Это инвертор с торцевым инжектором.
2) x = pE

Лекция 8
x = n2Ground


Инжекционный инвертор с торцевым инжектором.
Инжекционный инвертор с подложечным инжектором.
x = pE1

Особенность:
Тл
- инверсная структура
К одному выходу можно вешать не больше одной схемы.
p1-n2-p3 – инверсная структура
Недостатки инжекционного инвертора:
- невысокое быстродействие
- bn – мало ® n = 1

Достоинства.
- Нет резисторов
- Маленькая мощность
- Небольшая стоимость
- Маленькая емкость
- Min Pt
- Маленькая площадь
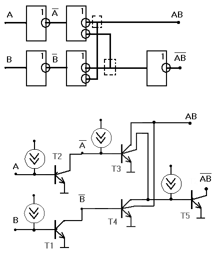
Схема ТТЛ в инжекционной логике.




Переход от транзисторной схемотехники к p-n переходам дает ряд преимуществ.
Схемотехника И2Л.
Чтобы создать функционально полный логический базис надо реализовать:
- НЕ, ИЛИ, И
- ИЛИ-НЕ
- И-НЕ
Инвертор:


!!! В инжекционных схемах ВСЕГДА один вход и много выходов!

Вывод: Объединение входов инжекционных инверторов реализует функцию монтажное И.
Примеры.
ИЛИ/ИЛИ-НЕ (И2Л)
F1 = 
F2 = A+B = F1

И-НЕ/И (И2Л)
F1 = 
F1 = 







