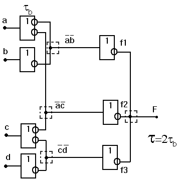
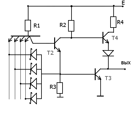
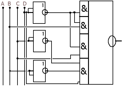
Для того, чтобы спроектировать сколь угодно сложное устройство в базисе И2Л, необходимо взять МКНФ функции. Затем взять двойное почленное отрицание и раскрыть внутреннее.

Монтажное И реализуется только тогда, когда аргументы снимаются с выходов инжекционных инверторов.




Лекция 9
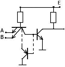
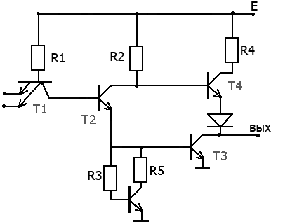
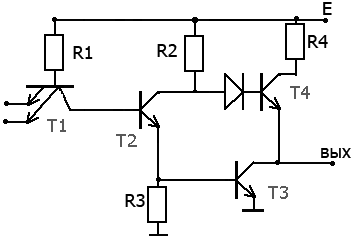
Реализация функции И-НЕ в биполярной схемотехнике.
ДТЛ – диодно-транзисторная логика.


Докажем, что эта схема реализует эту функцию.
Логика – Л+.
| А | В | D1 | D2 | D3 | D4 | T | вых |
|
| отк. | отк. | зак. | Е | |||||
| отк. | зак. | зак. | Е | |||||
| зак. | отк. | зак. | Е | |||||
| зак. | зак. | отк. | отк. | нас. | Uкэн |
Вывод: Схема ДТЛ может содержать один или больше диодов сопряжения.
Достоинства и недостатки ДТЛ.
Недостатки:
- Очень большая мощность
- Большая задержка
- Много транзисторов, поэтому большая площадь
Достоинство
- Большая помехоустойчивость

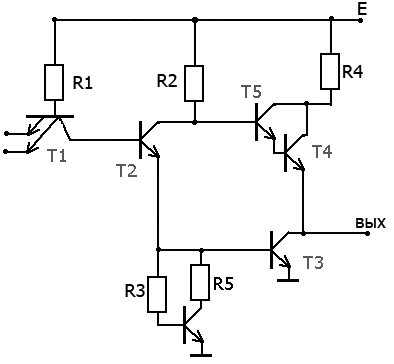
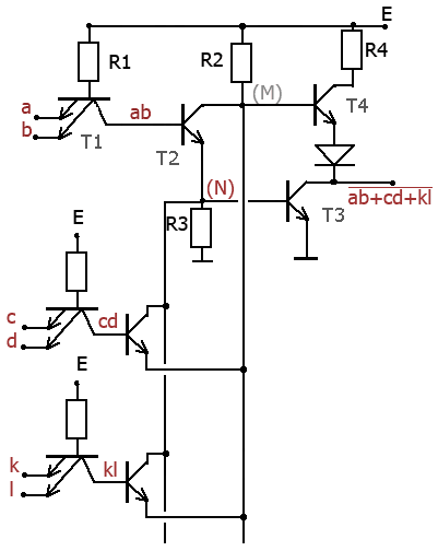
Если п/п области различных компонентов имеют одинаковый потенциал, то их можно объединить в одну область.
|
|
|
Результатом оптимизации является многоэмиттерный транзистор ТТЛ.

Схема ТТЛ с простым инвертором.
Логика – Л+.

| A | B | МЭТ | Т | выход | |
| б-э1 отрыт б-э2 отрыт | E1R1 закрыт | n=0 »E | |||
| б-э1 отрыт б-э2 зарыт | закрыт | »E | |||
| б-э1 зарыт б-э2 отрыт | закрыт | »E | |||
| б-э1 зарыт б-э2 зарыт | насыщен | Uкэн (0.1 ¸ 0.2 В) |
Достоинства и недостатки ТТЛ с простым инвертором.
В сравнении с ДТЛ:
Достоинства:
- Маленькая площадь
- Маленькая мощность
- Маленькая задержка
Недостатки:
- Низкая помехоустойчивость
Объективно:
Недостатки:
- Низкая помехоустойчивость
Топология.

Существует паразитный транзистор p1 – n2 – p3
p1 – база
n2 – коллектор
p3 – Gound

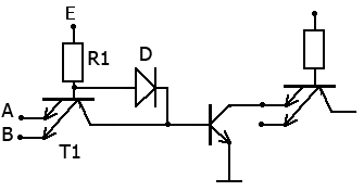
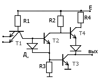
Модификации ТТЛ с простым инвертором.
1.

ТТЛ с открытым коллектором. Данная схема используется для реализации дополнительных логических функций.

2.

3.

4.

5.

Эта схема не требует нагрузки.
U1 = E – 2UD – IR
t = 1.1 + IR + 2UD
Лекция 10
Синтез комплиментарной схемы ТТЛ с простым инвертором.

Fсв1 = (1, 2, 3, 4, 5, 6)
Fсв2 = (1, 2, 3, 4, 5, 6)

Класс ТТЛ с простым инвертором.


Недостатки:
- n = 3 ¸ 4
- есть сопротивление
- есть паразитный транзистор
- низкое быстродействие
Достоинства:
- с ДТЛ кроме Uп
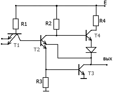
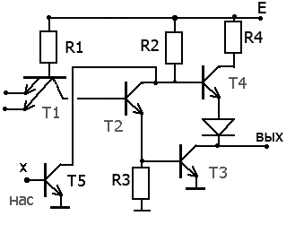
Класс ТТЛ со сложным инвертором.

Логика – Л+. 
Т1 выполняет функцию U.
Т2 и Т3 обеспечивают запас помехоустойчивости.
Диод D используется для запирания транзистора Т4, когда на выходе “0”.
Т3, Т4 – пара антагонистов. Они увеличивают быстродействие, когда Т3 закрыт и на выходе “1”. В этом случае выходное сопротивление определяется сопротивлением Т4.
|
|
|
| А | В | Т1 | Т2 | Т3 | Т4 | выход | |
| б-э1 – отк б-э2 – отк | закрыт | закрыт | открыт | U = E-IR2-Uбэ4-UD > U0+Uл | |||
| б-э1 – отк б-э2 – зак | закрыт | закрыт | открыт | U = E-IR2-Uбэ4-UD | |||
| б-э1 – зак б-э2 – отк | закрыт | закрыт | открыт | U = E-IR2-Uбэ4-UD | |||
| б-э1 – зак б-э2 – зак | насыщен | насыщен | закрыт | U = Uкэн = 0.1 ¸0.2 В |
Достоинства:
- малое время задержки - t = 10 нс.
- высокая нагрузочная способность n > 30 ¸ 40
- большой запас помехоустойчивости
Недостатки:
· много компонентов
· есть сопротивление
· большая мощность
· большая площадь
Передаточная характеристика.

Как видно из графика – передаточная характеристика неидеальная. Неидеальная передаточная характеристика может привести к нелогичной работе всего устройства.
Лекция 11
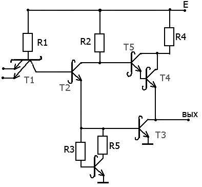
Модификации схемы ТТЛ со сложным инвертором (варианты оптимизации).
1. Схема отличается от стандартной тем, что диод из эмиттерной цепи Т4 перенесен в базовую.

Для исправления передаточной характеристики используется схема оптимизации 2.
2. В этой схеме вместо сопротивления R3 используется ключ R3-R5-T5. Транзистор Т3 открывается только тогда, когда будет открыт не только Т2, но и Т5. А Т2 и Т5 открываются одновременно. Фактически, Т2-Т5 – это как бы единый транзистор.


3. Оптимизация нагрузочной способности.

- нагрузочная способность
Быстродействие здесь становится немного хуже, т.к. емкость увеличивается.
Транзисторы Т4-Т5 составляют пару Дарлингтона.
Улучшение быстродействия схемы ТТЛ со сложным инвертором.
Алгоритмы улучшения:
1. быстро уменьшать заряды Q2, Q3
или
2. не накапливать эти заряды.
4. Использование медленного диода.

При подаче запирающего напряжения диод еще открыт.
Const = Q = ¯t * Ip
Ip – ток рассасывания
Медленный диод формирует низкоомный путь для рассасывания Q3.
5.

Данный вариант способствует уменьшению Q3.
¯Q3 ® ¯ tp
tp – время рассасывания.
6. Использование диодов Шоттки.

Диоды Шоттки формируют низкоомный путь для отвода Q3 из базы насыщенного транзистора Т3.
7. Схема, в которой Q2=Q3=0 в режиме насыщения.

Qi=0
tТТЛШ = 3 нс
tТТЛ = 10 нс

Лекция 12
Стандартная ТТЛ Шоттки.

Достоинства:
- min t
- max n
- max Uп
Недостатки:
- S
- kR ® P * t
- Uкэн = 0.4 ¸ 0.5 В
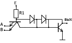
ТТЛ с расширителем И-ИЛИ-НЕ.

- на выходе.
Здесь может быть шесть расширителей (определяется режимом работы и задержки).
Расширитель:

Пример:
F = (0, 3, 5, 7, 11, 13, 15)



ТТЛ с тремя состояниями.
В БИС у простых ТТЛ существуют проблемы.

Для устранения этой проблемы используют схему ТТЛ с тремя состояниями.

| x | A | B | T1 | T2 | T3 | T4 | T5 | выход |
| закрыт | ||||||||
| закрыт | ||||||||
| закрыт | ||||||||
| закрыт | ||||||||
| закрыт | закрыт | насыщен | ´ | |||||
| закрыт | закрыт | насыщен | ´ | |||||
| закрыт | закрыт | насыщен | ´ | |||||
| закрыт | закрыт | насыщен | ´ |


Лекция 13
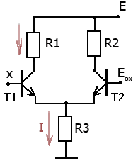
Эмиттерно Связанная Логика - ЭСЛ.

МЭСЛ (маломощная ЭСЛ)
Логика – Л+ 
|
| |||||
| x < Eоп | x | Выход 1 | Выход 2 | Uбэ1 < Uбэ2 | ||

В данном случае – относительно положительная логика.
То, что немного больше Еоп – это логическая единица, меньше – ноль.

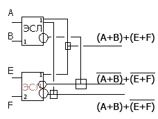
Зависимую функцию ИЛИ можно реализовать, включив вместо транзистора Т1 параллельно транзисторы Т11 и Т12.


Достоинства:
- Функционально полный базис
- Маленький логический перепад
Недостатки:
|
|
|
- Маленькая помехоустойчивость
- Есть сопротивления
- Rвых = [кОм] Þ большое время задержки

С = t ~ (Rвых * Cп)
Чтобы уменьшить Rвых и уменьшить задержку, надо к выходу подключить эмиттерный повторитель.
// Пометим эту схему (*****)

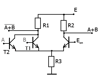
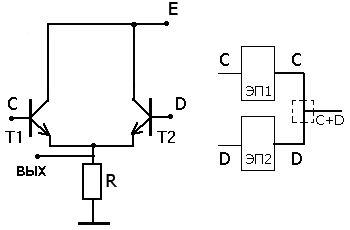
Эмиттерные повторители на выходе позволяют реализовать дополнительную функцию ИЛИ.

| С | D | T1 | T2 | выход | |
| закрыт | закрыт | ||||
| закрыт | открыт | IR | |||
| открыт | закрыт | IR | |||
| открыт | открыт | IR |
Пример:

Вывод: использование эмиттерных повторителей в ЭСЛ дает два преимущества.
- увеличение быстродействия за счет уменьшения входного сопротивления
- реализацию дополнительной логической функции монтажное ИЛИ (параллельное соединение эмиттерных повторителей)
Существует и недостаток у этих схем – это два источника напряжения. Поэтому наша задача – уменьшить количество источников питания.
Использование схемы опорного напряжения.

Вставляем этот кусочек в схему (*****) и получаем:

Т.к. в точке N имеется встречное включение одинакового количества p-n переходов, то любое изменение температуры будет компенсировано.
Схема ЭСЛ с отрицательным питанием.
Недостаток схемы с положительным питанием заключается в том, что напряжение логического нуля и единицы определяются в зависимости от Е.
U1 = (Е ± DЕ) – IR1R1 – Uбэ
U0 = (Е ± DЕ) – IR2R2 – Uбэ
IR1 = 0.01I
IR2 = 0.99I
У источника питания существует разброс, как логический, так и температурный.
Е ± DЕ

Замечательный метод.
Если из всех узловых потенциалов схемы вычесть некоторую константу, то работа схемы не изменится.
Для схемы с отрицательным питанием U0 и U1 будет определяться так:
U1 = 0 – IR1R1 - Uбэ
U0 = 0 – IR2R2 - Uбэ
0 = Ground
Лекция 14
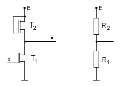
Схемотехника МОП вентилей. МОП инвертор.


Чем больше Uпор, тем выше запас помехоустойчивости схем.

Uпор формирует питание элемента.
1.

2.

3.

Рассмотрим схему 1.
| x | T1 | T2 | выход | Прим. | |
| Нет канала, закрыт по U | Есть канал, открыт по U | ~E | |||
| Есть канал, открыт по U | Есть канал, открыт по U | G1 >> G2 |

|
|
|
Схема 2 – это инвертор, у которого каналы нагрузочного транзистора управляются каналом. Этот инвертор с улучшенным быстродействием, с наименьшей задержкой.
Схема 3 – схема с улучшенной мощностью.
Достоинства:
- высокий запас помехоустойчивости
- маленькая потребляемая мощность
- стоимость много меньше, чем у биполяров
Недостатки:
- большая задержка (плохое быстродействие)
- неустойчив к радиации
- разные топологии транзисторов (логического и нагрузочного)
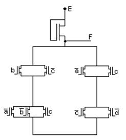
МОП вентиль И-НЕ.

| А | В | Т1 | Т2 | Т3 | Выход | Прим. | |
| закрыт | закрыт | открыт | Е | ||||
| закрыт | открыт по U закрыт по I | открыт | Е | ||||
| закрыт по току | закрыт | открыт | Е | ||||
| открыт | ® ground | G3 << (G1+G2) |
Недостаток схемы: Напряжение питания зависит от количества аргументов.
МОП вентиль ИЛИ-НЕ.

Т1-Т2 – логическая часть
Т3 – нагрузочная часть
| А | В | Т1 | Т2 | Т3 | Выход | Прим. | |
| закрыт | закрыт | открыт | Е | ||||
| открыт | открыт | ~0 B | Если R2 <<R3 | ||||
| открыт | открыт | ~0 B | R1 << R3 | ||||
| открыт | открыт | открыт | ~0 B | R3 >> (R2 || R1) |
С увеличением количества вентилей в данной схеме ухудшается задержка.
Основные принципы синтеза МОП схем.
Общая инверсия реализуется с помощью нагрузочного транзистора.
Зависимое (подинверсное) умножение реализуется с помощью последовательного включения транзисторов или схем.
Зависимое (подинверсное) сложение реализуется с помощью параллельного включения транзисторов или схем.
Пример:



Лекция 15
Схемотехника КМОП схем.






