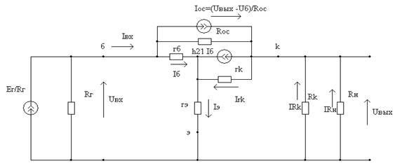
Эквивалентная схема усилителя в области средних частот
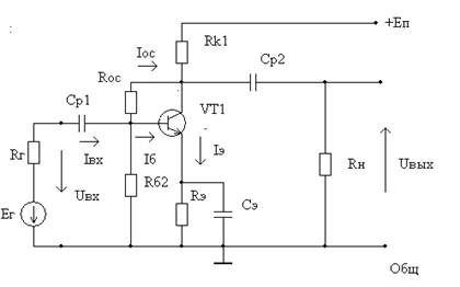
Принципиальная схема усилителя с параллельной ООС по напряжению в области средних частот

Рисунок 1 – Принципиальная схема УУ с параллельной ООС по напряжению

Рисунок 2 –Эквивалентная схема УУ с параллельной ООС по напряжению
3.1.Коэффициент передачи усилителя с параллельной ООС по напряжению определяется выражением:

[Ом],
где:
- коэффициент передачи УУ без обратной связи;
- коэффициент передачи (проводимость) цепи обратной связи УУ.
3.2. Известно, что коэффициент передачи без ОС:
,
Т.к. сопротивление rк много больше параллельного соединения
.
3.3. Ввиду того, что при параллельной ООС по напряжению Uвых>> Uб, коэффициент передачи цепи ООС будет равен
,
.
3.4. Подставляем коэффициент усиления без ОС и коэффициент передачи цепи ООС в исходное выражение для определения коэффициента передачи УУ с ООС по напряжению:
=
,
Как правило
>> 1.
3.5. Зная коэффициент передачи УУ с параллельной ООС по напряжению в виде сопротивления передачи, можно перейти к безразмерному коэффициенту передачи по напряжению

Отсюда:







