Этот метод универсальный, но его имеет смысл применять для расчёта только таких цепей, в которых не более двух – трёх источников ЭДС и не более трёх – четырёх ветвей, в противном случае расчёт становится громоздким.
Метод основан на принципе независимости действия источников ЭДС: каждый ЭДС независимо от других вырабатывает свой ток в каждой ветви цепи – частичный ток.
В результате в каждой ветви протекает ток, равный алгебраической сумме частичных токов.

1) Произвольно на схеме 0 задаём направление протекающих токов.

2) I1’, I2’, I3’ – частичные токи, вырабатываемые первым источником ЭДС.
Считаем, что в цепи действует только один источник ЭДС. 
Рассчитываем схему 1 методом преобразования и определяем эти токи.



3) Считаем, что в цепи работает только второй источник. 
Аналогично производим расчёт схемы 2 и определяем токи I1’’, I2’’, I3’’ – частичные токи, вырабатываемые источником ЭДС.
4) Производим наложение схем 1 и 2 на схему 0 и определяем I1, I2, I3.

Если после наложения какой-то из токов получится со знаком «-», значит он протекает в направлении противоположном схеме 0.
|
|
|
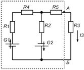
Метод эквивалентного генератора (метод активного двухполюсника)
Этот метод применяют для расчёта если нужно найти ток только в одной какой-то ветви сложной цепи. Метод основан на теореме об эквивалентном генераторе.


Найти ток в R3 или установить зависимость этого тока от величин R3. При такой постановке вопроса схема разбивается на две части,??? R3 b всё остальное, называемое двухполюсником. Задача сводится к определению ЭДС эквивалентного генератора и его внутреннего сопротивления. Это можно сделать опытным путём, либо расчётным.
Опытным путём ЭДС Gэ определяется с помощью вольтметра, который ставится вместо R3. Расчётным – вычисляем UАБ при R3=∞



Внутреннее сопротивление R0э определяется: опытным путём – в режиме короткого замыкания для R3, расчётным путём – вычисление сопротивления между А и Б при всех ЭДС равных нулю.


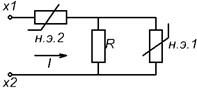
Понятие о нелинейных цепях и их графическом расчёте
В цепях постоянного тока находят широкое применение так называемые нелинейные элементы – элементы, сопротивление которых величина не постоянная, а зависит от тока, напряжения или каких-нибудь внешних факторов.
Если в цепи есть хотя бы один такой элемент, цепь считается нелинейной и её аналитический расчёт невозможен – он требует построения вольтамперной характеристики и проводится графически.
Все нелинейные элементы условно делятся на группы:
а)элементы с несимметричной ВАХ
б) элементы с симметричной ВАХ
Для нелинейных цепей остаются справедливыми законы Ома и Кирхгофа, на которых основывается графический расчёт, он заключается в направлении в одной системе координат ВАХ элементов, построение которой зависит от тока соседних элементов.
|
|
|
1) Последовательное соединение.


По току и ВАХ нелинейного элемента строится напряжение Uн.э.
По току и общей ВАХ строится напряжение U.
2) Параллельное соединение.


3) Смешанное соединение.

При смешанном соединении графический расчёт следует начинать с участка с параллельным соединением элементов, построить общую ВАХ для этого участка, складывая ординаты элементов параллельного участка, а затем общую ВАХ всей цепи, складывая общий ВАХ параллельного участка и ВАХ второго нелинейного элемента.
Электрическая ёмкость
Сообщение телу электрического заряда называется электризацией.
Тела, различные по форме и размерам обладают разной способностью накапливать и удерживать электрический заряд.
Способность тела или системы тел накапливать и удерживать электрический заряд, определяемая отношением


для одиночного тела, или


для системы тел называется электрической емкостью.
Электрическая емкость зависит от формы и размеров тела и диэлектрической проницаемости окружающей среды, а для системы тел и от расстояния между ними.
Ёмкость системы тел всегда больше ёмкости одного тела.
В электрических цепях применяют устройства, называемые конденсаторами. Два или несколько проводников различной формы, разделённые диэлектриком, образуют конденсатор.

На любом конденсаторе помимо его тока указывают величину ёмкости и величину допустимого рабочего напряжения и размеры (габариты) конденсаторов одной марки прямо пропорционально зависят от этих величин. Если нет конденсатора нужной ёмкости или необходимого рабочего напряжения, применяют соединение нескольких конденсаторов, его называют батарея или электростатическая цепь.
Виды соединения конденсаторов.
1)
Последовательное



- при одинаковых ёмкостях

Чтобы получить меньшую ёмкость,
будет меньше ёмкости меньшего.


На конденсаторе меньшей ёмкости большее напряжение.