Катушка помещена на сердечнике, тесно связанном с магнитопроводом, крепление катушки на сердечнике с раздвоенным потоком. Магнитопровод сердечниками закреплен на стальной скобе.
Плоский якорь с помощью оси укреплен на основании, удерживающем контактную пластину. На якоре имеется медная пластина, служащая для предотвращения замыкания.
Реле является унифицированным и выпускается как постоянный, так и переменный ток.
В конструкции электромагнитного реле переменного тока короткозамкнутый виток ставится медный, а пластина отлипания удаляется.
Обмотки реле рассчитаны на напряжение 12-220 В постоянного, и 12-380 В переменного тока, контакты на напряжение до 220 В и ток до 5 А. Потребляемая мощность реле составляет 0,5-7 В*А
Схема и принцип работы простейшего электромагнитного реле.

В качестве датчика используется отрезок тонкой медной проволоки, расположенной по периметру охраняемого объекта, который называется шлейфомRш.
Поскольку сопротивление шлейфа очень мало (1,2 Ома), то база транзистора VT закорочена с его эмиттером, а значит, напряжение на подаваемое на эмитерный переход равно 0. При этом эмиторный переход имеет большое сопротивление транзистр запорт напряжение на его коллекторе Uкэ≈Ек (приблизительно равно). Обмотка промежуточного реле RL не получает питания, реле находится в исходном состоянии.
При разрыве Rш перемычка исчезает, на базу транзистора через R1 подается отрицательное напряжение смещения. Эмиторный переход получает прямое включение, сопротивление уменьшается, транзистор открывается и напряжение на его коллекторе резко уменьшается.
Обмотка KL получает питание, оно срабатывает и своим контактом включает сигнальную лампу HL (или сирену)
Недостатком этой схемы является то, что при восстановлении целостности шлейфа сигнализация отключается.
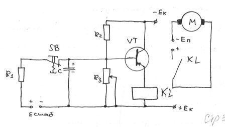
Схема и принцип работы электромагнитного контактного реле времени

Применяется для коммутации исполнительных цепей систем автоматически через заданные промежутки времени (выдержки времени)
В исходном состоянии кнопка SB не нажата, конденсатор с зарядом от источника стабилизированного напряжения Eста. через резистор R1 и замкнутые контакты SB.
Поэтому на его верхней обкладке, которая подключена к базе транзистораVT, имеется положительный потенциал Uс. =Uб. =+3В. В эту же точку на базу подается отрицательное напряжение смещения Uсм=-1В, со средней точки делителя напряженияR2-R3, результирующее напряжение на базе Uбэ.=+3-1=+2В. Следовательно, транзистор заперт, промежуточное реле KL отключено и двигатель M не вращается.
При нажатии кнопки SB и фиксации ее в разомкнутом состоянии конденсатор C начинает разряжаться через резистор R3, как только напряжение на конденсаторе станет равным нулю, то Uбэ=-1В, транзистор открывается и ток, протекающий по цепи +Ек→KL→коллектор→эмитор VT→-Ек заставляет сработать KL. Контакт KL замыкается, подавая питание на обмотку двигателя.
Время, прошедшее с момента нажатия кнопки до момента включения двигателя, называется выдержкой времени реле. Поскольку это время разряда конденсатора токаС, то выдержку времени можно регулировать двумя способами – для увеличения выдержки времени увеличивают или емкость С или сопротивление R3.
Схема и принцип работы электрического бесконтактного реле.

Применяется в качестве охранных устройств. Если вместо сирены в качестве нагрузки установить исполнительный электродвигатель или другое устройство, то может применяться в других системах автоматики.
В исходном состоянии база VT1 транзистора закорочена с эмиттером с помощью замкнутых контактов геркона SK (постоянный магнит находится вблизи геркона). При этом транзистор заперт, т.к. на эмиттэрный переход не подается U питания.
Напряжение на коллекторе транзистора большее отрицательное Uк1= -3В, поэтому тиристор VS заперт, на электрическую сирену не подается питание, и она не работает.
При отключении магнита влево (открывающие двери) контакт SK размыкается, на базу VT1 поступает отрицательное напряжение смещения от источника питания через резистор R1. VT1 открывается, и напряжение на его коллекторе резко уменьшается до -0.5В.
Этот перепад напряжения через резистор R3 поступает на управляющий электрод тиристор VS, он открывается и подает напряжение питания на сирену.
Если теперь вновь приблизить магнит к геркону, то транзистор закроется, но это не приведет к запиранию тиристора, а значит, сирена будет продолжать работу.
Тема 2.8. Логические операции и логические элементы

В схемах современных систем автоматики большое применение получили логические элементы и более сложные устройства, которые реализуются на их основе.
Логические элементы широко используются для построения бесконтактных систем управления электроприводами, а так же бесконтактных систем автоматики управления, регулирования и контроля.
Рассмотрим несколько упрощенных схем, которые иллюстрируют работу основных логических операций, и составим для каждой из них таблицу истинности.
Условимся, что воздействие на контакт SB1 и SD2 является входными сигналами логических операций: если кнопки нажаты, то этот сигнал логической единицы («1»), а если кнопка не нажата, то это сигнал логического нуля («0»).
Условимся также, что выходным сигналом логической операции является состояние сигнала лампы HL: если лампа горит «1», а если не горит – «0».
Логическая операция «2-ИЛИ»

Логическая операция «2-И»

Логическая операция «НЕ»

В бесконтактных электрических схемах логические операции как правило реализуются с помощью логических элементов, которые состоят из диодов транзисторов, интегральных микросхем. Поэтому для таких логических элементов сигналом логического нуля является сравнительно небольшое
относительно общего провода, а сигналом «1» сравнительно большее напряжение относительно общего провода.
Электрические упрощенные схемы, условные графические обозначения и таблицы истинности основных логических элементов.
Современные логические элементы создаются на базе сложной микроэлектронной техники и имеют большое количество входящих в них деталей. Но для того, чтобы понять принцип работы основных логических элементов, достаточно рассмотреть их упрощенные схемы.
Данный элемент осуществляет операцию инверсия, т.е. отрицание 
(на Х)
Если на вход Х подать логический 0 относительно общего провода (например-0.2В), то этого напряжения будет недостаточно, чтобы открыть эммиторный переход, а значит, транзистор VT1 заперт, напряжение на его конвекторе равно -Eк и равно -5В.
Следовательно, на выходе этого логического элемента логическая 1.
При подаче на вход логической «1» (-4.3В) транзистор открывается, напряжение на его коллекторе резко уменьшается
, а следовательно на выходе появляется логический «0»
Таблица истинности и
условное графическое обозначение элемента «2И-НЕ».

Если на оба входа Х1 и Х2 подаются логические «0» (маленькое напряжение относительно общего провода), то оба транзистора заперты, а значит на коллекторе VT1 большое отрицательное напряжение, т.е. логическая «1».
Если на один из входов подан логический «0», а на второй – логическая «1», то хотя бы один из транзисторов заперт, а значит на выходе «у» логическая «1» и если и на вход X1 и на вход X2 подать логические «1», то оба транзистора откроются и на выходе - у- будет логический «0». Эта операция называется … умножением с инверсией. 
Упрощенная схема, таблица истинности и
условное графическое обозначение логического элемента «2ИЛИ-НЕ»

Если на оба входа
и
подаются логические «0», то оба транзистора заперты, а значит на выходе - у – логическая «1», если на один из входов
или
подан логический «0», а на второй логическая «1», то один из транзисторов открывается, а значит … коллекторов VT1 и VT2 напряжение резко уменьшается, т.е. на выходе у логический «0».
Если на оба входа X1 и X2 подаются логические «1», то на выходе у логический «0». Эта операция называется логическим … с инверсией. 
Упрощенная схема логического элемента, таблица истинности и условное обозначение логического элемента «память».

Если необходимо на какое-то время запомнить сигнал логическая «1», то этот сигнал подается на вход
, при этом на выходе
будет сигнал, то на выходе
логический «0». Поступив на вход
на выходе
получаем «1», эта логическая «1» по цепи обратной связи поступает на вход
. Теперь какой бы сигнал не поступал на вход
все равно на выходе
будет логическая «1». Таким образом сигнал логическая «1» «запоминается». Для того, чтобы очистить память, достаточно на вход
подать логическую «1».
Тема 2.9. Назначение и классификация исполнительных устройств
Электрические исполнительные устройства преобразуют электроуправляющий сигнал «Uу» в линейное или вращательное перемещение регулирующего органа в сигналы автоматики.
Все Uу делятся на электродвигательные и электромагнитные. К электродвигательным относятся двигатели постоянного и переменного тока сравнительно небольшой мощности до 100 Вт и шаговые двигатели.
К электромагнитным исполнительным устройствам относятся электромагнитные вентили, клапаны, задвижки и т.д.
Конструктивно представляют собой мощный электромагнитный якорь, который механически связан с регулирующим органом.

Схемы электродвигательных исполнительных устройств
«Uу» с двигателем постоянного тока включается по схемам а, б и в.
Во всех 3-х схемах в качестве блока управления Б.у. применяются электромеханические или электронные устройства, позволяющие изменять напряжение управления Uу.
Изменение этого напряжения будет вызывать скорость вращения двигателей.
Изменение направления вращения достигается изменением полярности Uу или напряжения возбуждения Uв.
«Исполнительные устройства с двигателями переменного тока»
(Чекваскин, стр. 162-170)

Такие Uу включается по схемам, где управление двухфазными асинхронными двигателями осуществляется двумя способами:
- изменением амплитуды напряжения на обмотке управления Uу;
- изменением угла сдвига фаз между напряжениями возбуждения Uв и управления Uу
Первый способ регулирования частоты вращения называется амплитудным, второй – фазовым. Применяемые в системах автоматики двухфазные асинхронные двигатели управляются с подавляющем большинстве случаев первым способом. Необходимый фазовый сдвиг между напряжениями Uв и Uу осуществляется подбором емкости конденсатора
в цепи возбуждения двигателя. Для компенсации индуктивного сопротивления в цепь обмотки управления включается последовательно или параллельно конденсатор
.
По схеме осуществляется фазовое управление электродвигателями. Амплитуды напряжений Uв и Uу постоянны. Сдвиг фаз между Uв и Uу осуществляется фазовращателем, который выполняет роль устройства управления.
Недостатки двухфазных АД: низкий КПД, который лежит в пределах от 15 до 30%. По этой причине мощность таких двигателей не превышает 10-20Вт.
Свойства двухфазных АД в … режиме (n=const) определяется их статическими характеристиками:
- механической характеристикой называют зависимость вращающего момента М от частоты вращения
ротора при постоянных напряжениях возбуждения Uв и управления Uу
Особенностью механических характеристик является то, что их пусковой момент (Мп) равен максимальному моменту, полученному при скорости n=0
- регулировочной характеристикой называют зависимость частоты вращения ротора n от управляющего напряжения Uу при постоянном значении момента нагрузки на валу.
Значение управляющего напряжения, при котором ротор двигателя начинает вращаться называется напряжением трогания двигателя Ucp.
Конструкция и принцип работы электромагнитных исполнительных устройств
(Чекваскин 156-157, 171-172)
Исполнительные устройства с электромагнитным приводом представляет собой совокупность электромагнита и перемещаемой им механической нагрузки (задвижки и т.п.). Они делятся на две группы:
- в устройстве первой группы магнит рассчитан на длительное пропускание рабочего тока
- электромагнит не рассчитан на длительное пропускание рабочего тока.
Электромагниты могут быть подразделены:
1. по роду тока – на электромашины постоянного и переменного тока. Электрические машины постоянного тока предназначаются для кратковременной работы и способны развивать значительные усилия. Электрические машины переменного тока, как правило, развивают меньше мощности, поэтому они используются в маломощных цепях.
2. по способу действия – на удерживающие и притягивающие. Удерживающие – электромагнитные плиты плоскошлифовальных станков, служащие для магнитного закрепления обрабатываемых деталей. Притягивающие – электромагниты служат для сообщения определенного движения подвижным частям.
3. по значению хода якоря – на длинноходовые и короткоходовые. У длиннохоровых магнитов ход якоря достигает 150 мм., а у короткоходовых – 2…4,5 мм.
4. по характеру движения якоря – на электромагнитные с поступательным движением якоря и с поворотным якорем.
5. по способу включения – по электромагнитным параллельным и последовательным включением обмотки в питающую цепь.
Конструкции электромагнитов весьма разнообразны, но всегда основными частями электромагнита является неподвижный стальной магнитопровод с расположенной на нем обмоткой и подвижный якорь.
При подключении катушки электромагнита к источнику питания, возникает магнитный поток, который создает электромагнитное усилие, вызывающее притяжение или поворот якоря.
В качестве электромагнитов с плавким перемещением подвижной части обычно применяются электромагниты с поворотным якорем.
Эти электромагниты по своему устройству и принципу действия близки к электромагнитным реле.
Электромагниты широко применяются с электропневматических и электрогидравлических исполнительных устройствах, в которых электромагнит перемещает распределительный золотник, подключая ту или иную полость рабочего цилиндра к источнику высокого давления либо открывает вспомогательные клапаны.
ЗАДАЮЩИИ УСТРОЙСТВА
Схема и принцип работы сравнивающих устройств.
Сравнивающих устройства предназначены для непрерывного сравнения 2-х электрических сигналов х(t) пропорционально эталонному параметру и сигнала y(t) который пропорциональный действительному регулировочному параметру. В результате сравнения на выходе СУ образуется сигнал разсоглосования Z(t)=x(t)-y(t)

В качестве сравнивающих устройств в системе автоматики применяются механические, электромеханические и электрически устройства. Наибольшее распространения а современных САР получили сравнивающие устройства выполнены на делителях напряжения.

Сравнивающее устройство представляет собой делитель U на резисторах R1 и R2 на первый вход СУ подается сигнал x(t) через резистор R1 например с задающего устройства.
На второй вход подается сигнал y(t) через R2 (например, с датчика).
На средней точки делителя в месте соединительных резисторов возник сигнал рассогласования Z(t)=x(t)-y(t),который поступает на вход операционного усилителя ОУ.
Если x(t)=y(t) то сигнал рассогласования =0, а значит U на входе и выходе усилителя отсутствует. Если по каким либо причинам y(t) изменится на появления сигнал рассогласования с напряжением или с отрицательным знаком, он усилившись усилителем и поступает далее в систему автоматики.
Большое распространение в качестве сравнивающего устройства в системе автоматики получили компараторы выполняемые на микросхемах.
Схемы и принцип работы корректирующих и вспомогательных устройств
Корректирующие устройства предназначены для улучшения динамических свойств систем автоматики (точности и быстродействия) а также придания определенного знака изменяющимся во времени электрического сигнала.
В качестве корректирующего устройства в современных системах автоматики широко используются RC цепи и операционные усилители с использованием RC цепей в качестве обратной связи.

Данная схема представляет собой пропорционально интегральный регулятор (ПИ – регулятор). В выходном сигнале в такого корректирующего устройства содержатся 2 составляющие.
1) пропорциональная составляющая U
Uвых=K*Uвых
и интеграл по времени Uвх

Задающее устройство предназначены для выработки эталонного параметра – задающего воздействия как правила виде U регулируемой величины.
В качестве задающего устройства в системах автоматики применяются стабилизаторные источники питания постоянного и переменного напряжения с регулируемым выходом.
В качестве элемента установки уровня сигнала используются переменный резистор со шкалой проградуированной единицами измерения технологического параметра.
Вспомогательные устройства служат для согласования уровней сигнала между различными.
В качестве вспомогательного устройства используются ограничители и фиксаторы уровней, мультипликаторы и демультипликаторы, шифраторы и дешифраторы.
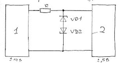
Примером вспомогательного устройства является схема ограничителя уровня сигнала

Предположим, в блоке 1 используются сигналы, с максимальным уровнем ±12 В. Блок 2 построен на элементе исполнительного максимального сигнала ±5 В. Пока с выхода блока 1 на вход блока 2 подается напряжение не более ±5 В стабилитроны VD1 и VD2 заперты и не оказывают воздействия на работу схемы.
Если U на выходе блока 1 увеличивается до уровня 9 В, то один из стабилитронов пробивается и ограничивает U до уровня 5 В (U пробоя стабилитронов = 5 В)
Модуль III. «Системы автоматики»
Тема 3.1. «Система автоматического контроля (САК)».
Назначение, классификация и обобщенная структурная схема САК
Автоматический контроль – это область автоматики, изучающая и создающая технические средства, которые освобождают человека от непосредственного наблюдения за ходом технологического процесса и состоянием параметров этого технологического процесса. (ТП)
Системы автоматического контроля предназначены для объективной качественной и количественной оценки параметров технологических процессов проверки качества обработки или изготовления изделий, оценки, массы, размеров и количества изделий.
Все САК в зависимости от производящего элемента (устройства ВУ) делятся на системы автоматического измерения САИ и системы автоматической сигнализации (САС)
Обобщенная структурная схема САК

С объекта с контролируемого «
» контролируемый параметр «
» поступает на датчик «
», где преобразуется в электрический сигнал.
С выхода датчика этот сигнал поступает на первый вход сравнивающего устройства «
» на второй вход «
» поступает эталонный параметр «
» в виде электр. сигнала, который вырабатывается в задающем устройстве «
».
С выхода «
» снимается сигнал рассогласования, который поступает на воспроизводящее устройство «
» (При необходимости сигнал рассогласования усиливается или переводится в другую форму)
Воспроизводящее устройство указывает, записывает или сигнализирует информацию о значении контролируемого параметра «
».
В качестве воспроизводящих устройств могут применяться:
1. Указывающие приборы (стрелочные и цифровые измерительные приборы, осциллограф, измерениями частотных характеристик и т.д.)
2. Регистрирующие приборы (самописец, … измерительный автоматический потенциометр, электронное запоминающее устройство – компьютер)
3. Сигнальные приборы (сигнальные лампы, светодиоды, мнемосхемы, звонки сирены, ревуны)
По характеру контроля во времени делятся на системы непрерывного контроля и системы периодического контроля.
По числу контролируемых параметров САК делятся на:
· системы одиночного контроля;
· системы множественного контроля.
По способу получения информации САК делятся на балансные и небалансные.
Схема и принцип работы небалансной САИ
(радиационного пирометра)

Тепловое излучение раскаленного тела 1 фокусируется с помощью линзы объектива 2 на рабочем … термопары 3. Термопара расположена в стеклянной колбе 6, заполненной …. Выходные клеммы термопары через усилитель постоянного тока УПТ соединяются с милливольтметром 5, шкала которого проградуирована в градусах температуры.
Чем больше температура раскаленного тела, тем больше разница между температурой рабочего спая и температурой свободных концов термопары, а следовательно, больше термо ЭДС
на выходе усилителя.
Усиленный сигнал подается на милливольтметр, который и показывает температуру тела.
Через окуляр 4 производится контроль точной наводки фокуса на рабочий спай термопары.
Такие системы просты по конструкции, но обладают значительными погрешностями, потери возникают в следствие изменения … и характеристики элементов прибора, а также вследствие изменения параметров окружающей среды.
Балансные системы автоматического измерения.
Структурная схема балансной САИ.

В отличие от небалансных систем такие САИ обладают более высоким быстродействием и высокой точностью измерения контролируемого параметра
.
Параметр
, действующий на объекте
преобразуется датчиком
в электрический сигнал
, пропорциональный
.
Этот сигнал подается на первый вход сравнивающего устройства
, на второй вход
подается сигнал отрицательной обратной связи в виде напряжения балансирования
, которая поступает с выхода балансирующего устройства БУ.
Пока значения
и показания воспроизводящего устройства равны (например, в печи
и по шкале измерительного устройства то же
), то система находится в равновесии.
При изменении значения контрольного параметра на объекте, например, увеличении или уменьшении температуры, сравнивающее устройство на своем выходе даст сигнал рассогласования:
, т.к. в первый момент времени
будет не равно
.
Усиленный или преобразованный в преобразовательно-усилительном устройстве
сигнал рассогласования поступает на балансирующее устройство
, при этом
начнет изменять показания воспроизводящего устройства, а также изменять напряжение балансирования
, сигнал рассогласования на выходе
начнет постепенно уменьшаться и как только
вновь станет равным
сигнал рассогласования станет равен 0.
Воспроизводящее устройство покажет новое значение контролируемого параметра и САИ придет в равновесие до следующего измерения контролирующего параметра.
Рассмотрим пример такой системы схему автоматического измерительного потенциометра.
Упрощенная схема и принцип работы
автоматического измерительного потенциометра.

Автоматический измерительный потенциометр предназначен для автоматического измерения температуры в ходе различных технологических процессов.
Датчиком температуры служит термопара
, преобразующая изменение температуры контролируемого объекта в термо ЭДС
.
Этот сигнал прикладывается к первому входу
, а на второй вход
подается напряжение балансирования
, снимаемое с ползунка реохорда
. Это напряжение создается неизменным по величине током
, значение которого подбирается переменным резистором
по мере разряда гальванического элемента
.
В исходном состоянии, когда температура на объекте равна температуре на шкале напряжения
и
равны, а значит, напряжение рассогласования
, поэтому входное и выходное напряжение усилителя постоянного тока 
.
Следовательно, управляющая обмотка
балансирующего двигателя
не получает питания и его вал неподвижен.
Система находится в равновесии до тех пор, пока температура на объекте не изменится.
При уменьшении температуры на объекте (например, при вводе в пространство нескольких холодных двигателей), на выходе
появится напряжение рассогласования с отрицательным знаком 
Усилившись в
этот сигнал в качестве напряжения управления подается на обмотку возбуждения
. При этом двигатель через механическую передачу начнет перемещать влево стрелку на шкале потенциометра, а также ползунок реохорда
, по мере передвижения стрелки и ползунка по реохорде напряжение
будет постепенно уменьшаться, а значит, будет уменьшаться и сигнал рассогласования
.
Как только
станет равным 0, двигатель останавливается, а стрелка на шкале потенциометра покажет новое значение температуры на объекте.
Система вновь приходит в равновесие до следующего изменения температуры.
При увеличении температуры на объекте САИ работает аналогично, по значению рассогласования меняется на противоположный.
При этом балансирующий двигатель будет передвигать стрелку и ползунок реахордов вправо.
Схема и принцип работы системы дистанционной передачи угла поворота на переменном токе.
Системы дистанционной передачи (СДП) является частным случаем систем автоматического измерения. Наиболее часто в автоматике применяются СДП угла поворота какого-либо рабочего механизма RH

Система состоит из сельсин датчика СД, сельсин приемника СП и трехпроходные линии связи соединены с ротором обмотки СД и СП. Обмотки возбуждения сельсин датчика и сельсин приемника ОВД и ОВП подключены к U возбуждения ~UВОЗБ.
В исходном состоянии СД и СП повернуты на один угол £д >£п, поэтому фазы роторных обмоток расположены под одним углом по отношению к магнитным потокам Ф~, которая вырабатывает ОВД и ОВП. Эти магнитные потоки наводятся в фазах роторных обмоток одинаковые ЭДС: е1=е4; е2=е5; е3=е6.
Вследствие этого сравнит. Токов по линии связи нет и стрелка на валу сельсин приемника показан на шкале угол поворота сельсин датчика. Система находится в равновесии.
Если рабочий механизм РМ повернет роторную обмотку СД на какой то угол £д, то направление магнитного потока по отношению к фазам роторной обмотки сельсин датчика изменится ЭДС: е1/ е2/ е3/
Поэтому по линиям связи потекут уравненные токи I1 I2 и I3. Протекание этих токов по фазам роторной обмотки СП вызовут появления собственного магнитного потока. Взаимодействие суммарного магнитного потока роторной обмотки СП и магнитного потока обмотки возбуждения. ОВП создаст вращающий момент и роторная обмотка начнет разворачивается вокруг своей оси. Как только она займет такое же положение как и роторная обмотка СД (£д/ = £п/)
ЭДС на вывод роторной обмотки станут равны: е4/=е1/; е5/=е2/; е6/=е3/. Уравненные токи исчезают,магнитный поток ротора СП становится равным 0 и он останавливается при этом стрелка прикреплена на вал сельсин приемника укажет новый угол поворота рабочего механизма.
Схема и принцип работы системы дистанционной передачи угла поворота на постоянном токе.
На рис. приведена простейшая схема дистанционной передачи небалансного типа. Роль датчика Д в схеме выполняет кольцевой потенциометр, к двум диаметральным точкам которого подводится напряжение постоянного тока. С осью задающего устройства связаны три контактные щетки, которые скользят по потенциометру. Указаные щетки имеют смещение относительно друг друга на 1200. Щетки с приемником П связаны с помощью трех проводов, образующих линию связи ЛС через которую осуществляется питание приемника. Роль приемника П выполняет устройство, состоящее из трех одинаковых катушек, расположенных под углом 1200относительно друг друга, и вращающегося постоянного магнита. Отсчет показаний осуществляется с помощью стрелки, расположенной на оси магнита.

Предположим, что подвижная система датчика повернулась на какой-то угол, тогда щетки переходят с одних точек потенциометра на другие, имеющие новые значения потенциалов. В результате этого происходит перераспределение токов в обмотках приемника, что в свою очередь приводит к изменению их МДС. В этом случае магнитный поток, который создается обмотками приемника и направлен по его диаметру, поворачивается на угол, почти равный углу поворота оси датчика. В связи с тем, что постоянный магнит приемника вращается свободно, он устанавливается вдоль оси потока приемника, повторяя при этом движение оси датчика. В том случае, когда ось приемника преодолевает некоторый момент сопротивления, например, от сил трения, постоянный магнит приемника устанавливается не точно по оси потока, а с некоторым отклонением (ошибкой), которое тем больше, чем больше момент сопротивления и чем меньше поток, создаваемый катушками приемника. Рассмотренная система в основном применяется при малых моментах сопротивления, т.е. когда на оси приемника находится только легкая стрелка.
Схемы и принцип работы систем автоматической сигнализации. САС
САС предназначены для подачи звуков и световых сигналов, отображающих информацию о ходе технологического процесса. Существуют 3 вида САС: контрольная, предупредительная, аварийная.
Контрольная САС -служит для оповещения операторао положении органов управления, вкл. или откл. Различных коммутационные устройства, а также о состоянии параметрах технологического процесса в нормальном (рабочем) режиме работы машин и механизмов.

HL1-сигнализация о включению контактора КМ
HL2-сигнализация о том что двигатель набрал определенные обороты
Предупредительная САС -служит для оповещения оператора о возникновении нарушения в входе технологического процесса, которая может привести к аварийной ситуации

Сигнальная лампа сигнализирует о возможном переливе жидкости через края резервуара.
Аварийная САС –служит для оповещения оператора о возникновении различных аварий или катастроф, а также о нежелательных прекращениях технологических процессов непрерывного цикла.
Примером такой САС является схема аварийной противопожарной сигнализации

Применяются для оповещения оператора возникновении пожара на складе ГСМ. Датчиками являются фоторезистор R3,который вместе с делителем U R1 и R2 установлен на складе. С помощью 3х проводниковых линий он соединен с диспетчерской, в которой находятся остальные схемы и источники питание.
В исходных состояниях при отсутствии пожара R3 не освещен, поэтому его сопротивления велика (100 кОм) при этом на базу VT1 поступает отрицательное напряжение через R6, которая запирает VT1 и VT2. Сирена не работает.
При возникновении вспышки света при пожаре сопротивления R3 резко уменьшается (100 Ом) и через него на базу транзистора подается положительное напряжение со средней точки делителя R1 и R2. Поскольку это напряжение по абсолютному значению на 2-3 В превышает отрицательное напряжение, то VT1 откроется при протекании тока но это транзистору на R5 также создается положительное падение напряжения которое откроет VT2. Протекания тока по VT2 вызывает срабатывания промежуточного реле KL, которыми своим контактом подключает сирену к сети.
Переменный R6 служит для регулировки чувствительности сигнализации, путем изменением отрицательности напряжения на базе VT1. Диод VD служит для гашения импульса ЭДС самоиндукции, который возникает при открывании и закрывании транзистора VT2 в обмотке KL.
Тема: 3.2«Системы автоматического регулирования (САР)»
Назначение и структурная схема САР
САР предназначена для:
1) поддержание параметров технологического процесса на заданном уровне;
2) Изменение параметра технологического процесса по заданному закону во времени
Обе эти задачи необходимы для того чтобы технологический процесс проходил качественно с минимальными количества брака.
Все САР строятся по следующей структурной схеме
Рассмотрим работу САР в режиме подержании регулировки параметра на заданном уровне.
Если значение регулировки параметра y / (t) равно заданному значению, то электрический сигнал y(t) поступающий с датчика Д равен

электрическому сигналу x (t) поступающего с задающего устройства ЗУ, при этом на выходе сравнивающего устройства СУ сигнал рассогласования Z(t)=x(t)-y(t)=0 поэтому САР находится в равновесии.
Если на объекте О из вне поступает возмущающее воздействие, то регулировка параметра y / (t) изменяя свою величину, а следовательно изменится электрический сигнал y(t).
На выходе СУ появляется сигнал рассогласования Z(t) определенного знака. Усилившись или преобразовавшись в ПУУ он поступает на исполнительное устройство ИУ и ИУ воздействует на регулировку органа РО, который начинает изменять регулируемый параметр, в сторону приближенная к заданному уровню. Вследствие этого сигнал рассогласования постепенно будет стремится к нулю. Как только на объекте О вновь установится заданное значение y / (t), Z(t) вновь станет равным О и САР приходит в равновесие до следующего возмущающего воздействия.
Рассмотрим работу САР в режиме изменения регулировки параметра во времени
В этом режиме ЗУ через заданные промежутки времени изменяет значение задающего сигнала x(t). В результате появления сигнала рассогласования Z(t) (поскольку первое мгновение y(t) остается неизменным).Этот сигнал воздействует на регулирующий орган аналогично выше изложенному, при этом на объекте О появляется новое значение регулируемого параметра y / (t)
Схема и принцип работы САР напряжения генератора –I

В исходном состоянии САР находится в равновесии т.к. выходное Uг= заданному, при этом электрическая магнитная сила FЭ создаваемая катушкой -2 электромагнита равняется силе упругости Fпр. возвратной пружины -4. Поскольку эти силы направлены в противоположные стороны то якорь -1 неподвижен.
Если сопротивление нагрузки Rн увеличивается, то ток генераторный Iг уменьшится а его выходное Uг увеличивается, в результате Fэ также увеличивается, а результирующая сила Fрез=Fэ-Fпр начнет передвигать якорь верх. Через передвигающийся механизм -3 ползунок реостата R начнет передвигаться вниз, его сопротивление увеличивается, а ток возбуждается Iв проходящий по обмотке возбуждения генератора ОВГ уменьшится.
В результате Uг по мере передвижения ползунка будет постепенно уменьшатся. Как только Uг вновь станет равным заданному результирующая сила. Fрез=Fэ-Fпр=О
Якорь-1 займет новое положение и остановится. САР вновь приходит в равновесие до следующего изменения сопротивления нагрузки Rн
В заданной схеме:
1) объект О – генератор
2) регулируемый параметр y / (t) – выходное напряжения генератора Uг
3) возмущающее воздействие – изменение Rн
4) датчик Д – катушка электромагнита
5) Сравнивающее устройство СУ – якорь
6) исполнительное устройство ИУ – передаточное устройство + реостат
7) регулирующий орган РО – ОВГ
8) задающее устройство ЗУ – возвратная пружина
9) задающее воздействие – сила упругости возвратной пружины Fпр
10) регулирующий воздействие –перемычка ползунка реостата R
Схема и принцип работы САР, V вращения двигателя – I

При пуске двигателя U обратной связи по скорости Uос мало, следовательно, на входе регулятора V PC действует по величине сигнал ↑ Uвхс=Uзс-Uос↓≈Uзс поэтому один из стабилитронов VD1 или VD2 пробивается, а следовательно между входом и выходом РС возникает перемычка, поэтому на входе регулятора тока присутствует U Uвхт=Uзт-Uот. Поскольку Uзт иUот велики то Uвхт мало ↓Uвхт=Uзт↑-Uот
В следствии этого Uуправ. Uу подается на вход СИФУ мало, а значит угол £ открывания тиристоров ТУВ большой (150-1600). Поэтому Uвых выпрямителя Uвых ТВ маленькое. В результате ток двигателя на момент его разгона ограничен на заданный уровень.


По мере разгона двигателя U обратной связи Uос увеличивается, в результате ↓Uвхс=Uзс-Uoc↑, поэтому стабилитрон выходит из режима пробоя и пермычка между входом и выходом исчезает. С этого момента вступает в действие регулятор V РС. САР переходим в установившемся режим при таких значениях Uу, £ и Uвых ТВ которая обеспечивает задания ω вращения ωзад. При увеличении момента сопротивления навалу двигателя скорость его стремится уменьшится Uос также уменьшается а напряжение на входе РС вновь увеличивается.
↑Uвхс=Uзс-Uос↓
(оно увеличивается, но не до уровня пробоя стабилитрона)
Последовательно усилившись в РС и РТ этот сигнал в качестве Uу поступающего на СИФУ. Поскольку Uвых ТВ постепенно увеличивается, а следовательно увеличивается скорость вращения.
Этот процесс будет происходить до тех пор пока вновь скорость двигателя станет заданной. САР вновь приходит в равенстве до следующего изменения нагрузки на валу двигателя.
Тема: «Система автоматического управления»
Назначение и структурная схема САУ
САУ – предназначены для управления операциями технических процессов (пуск, торможение, реверс, изменение скорости и т.д.)
Особенность САУ является то что они в отличии от САР являются разомкнутыми т.е. в них отсутствует обратная связь по управляемому параметру. Поэтому в САУ нет возможности автоматического регулирования управлением параметр.
Обобщенная структурная схема САУ

Сигнал управления распространяется от задающего устройства ЗУ через управляющее устройство УУ исполнительное устройство ИУ к управляющему объекту УО.
В качестве управляющих объектов могут выступать вентиляционные, насосные, мостовые краны, конвейеры, печи, металлорежущие станки и т.д.
В качестве ЗУ вырабатывать задающее воздействие могут использоваться, как устройство памяти, (автоматически вырабатывать сигнал управления) так и аппаратуры ручного управления (вырабатывает управление сигнал под воздействием оператора).
В качестве управления устройств используется реле, контакторы, магнитные пускатели, усилители различных конструкций и тиристорные преобразователи.
Исполнительными устройствами могут быть электрические двигатели, электрические нагреватели и электромагниты различных конструкций (муфты, вентили, задвижки, тормоза, заслонки и т.д.)
Разновидностью САУ являются системы автоматической защиты САЗ и системы автоматической блокировки САБ.
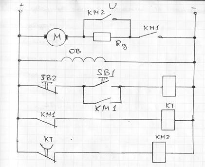
Схема автоматического управления двигателем –I в функции времени

Схема содержит кнопки управления SB1 (пуск) и SB2 (остановка, стоп ДТП), линейный контактор КМ1, обеспечивающий подключение ДТП к сети, и контактор ускорения КМ2 для включения (закорачивания) пускового резистора Rд. В качестве датчика времени КТ. При подключении схемы к источнику питания происходит возбуждение ДПТ и срабатывает реле КТ, размыкая свой размыкающий контакт в цепи контактора КМ2 и подготавливая двигатель к пуску.
Пуск ДПТ начинается после нажатия кнопки SB1, в результате чего получает питание контактор КМ1, который своим главным контактом подключает ДПТ к источнику питания. Двигатель начинает разбег с резистором Rд в цепи якоря. Одновременно замыкающий блок-контакт контактора КМ1 шунтирует кнопку SB1 и она может быть отпущена, а размыкающий блок-контакт КМ1 разрывает цепь питания катушки реле времени КТ. Через интервал времени ∆tкт после прекращения питания катушки реле времени, называемый выдержкой времени, размыкающий контакт КТ замыкается в цепи катушки контактора КМ2, последний включится и своим главным контактом закоротит пусковой резистор Rд в цепи якоря. Таким образом, при пуске ДПТ в течении времени ∆tкт разгоняется по искусственной характеристике 1, а после шунтировки резистора Rд – по естественной 2. Величина сопротивления резистора Rд выбрана таким образом, что в момент включения двигателя ток I1 в цепи якоря и соответственно момент М1 непревосходит допустимого уровня. За время ∆tкт после начала пуска скорость вращения двигателем достигает величины ω1, а ток в цепи якоря снижается до уровня I2.После шунтировки Rд происходит бросок тока в цепи якоря от I2 до I1, которой непревышает допустимого уровня. Изменение сеорости, тока и момента во времени происходит по экспоненте. Время изменения скорости от нуля до уровня ω1, определяющее настройку реле КТ.
Назначение схемы и принцип работы систем автоматической блокировки и систем автоматической защиты
САЗ применяется для прерывания технологических процессов на защищенном объекте, при нарушении нормального режима работы, которая может привести к авариям:
1) При возникновении токов КЗ
2) При длительных перегрузках технологического оборудования
3) При увеличении значений технологических параметров выше заданных значений
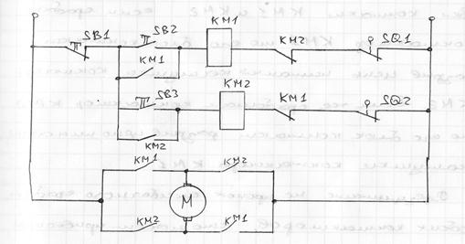
Примером САЗ является схема конечной защиты которая предотвращает выход рабочих органов механизма за крайние предельные положения.

Двигатель М подключен к схеме контактами контактора КМ1 и перемщает мостовой кран вдоль цеха. При подходе крана к стен специальный курок давит на конечный выключатель SQ1 его контакты размыкаются, катушка контактора КМ1 теряет питание и двигатель останавливается.
САБ – служит для обеспечения заданной последовательной операции ТП, а также предотвращения неправильных действий со стороны оператора.
В данной схеме есть блокировка от одновременного включения контактов КМ1и КМ2.Если сработает контактор КМ1 то, его блок-контакт разрывает цепь питания катушки контакт КМ2. Если же сработал контактор КМ2 то его блок-контакт разрывает цепь питания катушки контактора КМ1.
В результате не проходит ошибочное срабатывание обоих контакторов, что может привести к короткому замыканию.