
|
При подаче на анод положительного потенциала, а на анод – отрицательного, тиристор выключен. Включится он только тогда, когда на управляющий электрод мы подадим положительный потенциал.


Тиристор представляет собой полуупрвляемый прибор, то есть он включается при подаче управляющего напряжения и будет включен даже тогда, когда напряжение управления и ток будут равны нулю. Для включения тиристора использовать либо специальную электрическую схему, либо сменить полярность напряжения подаваемого на тиристор.

Регулирование тока, напряжения на нагрузке с помощью тиристора производится в результате изменения управляющего угла α, отсчитываемого от начала положительной полуволны синусоиды.
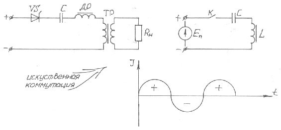
В тиристорных высокочастотных источниках питания используется искусственная коммутация тиристоров. При замыкании ключа К и подборе определённых значений ёмкости и индуктивности в цепи возникает переходный процесс по току (см рис.). В результате образования отрицательной полуволны тиристор будет закрываться.

Основные характеристики тиристоров.
1. Максимальный ток тиристоров.
2. Максимальное обратное напряжение.
3. Время включения.
4. Время выключения.
5. Максимальная скорость нарастания на тиристоре напряжения dU/dt.
6. Максимальная скорость возрастания тока dI/dt.
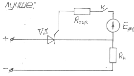
При превышении скорости возрастания напряжения на тиристоре он из-за теплоэлектродных ёмкостей может самопроизвольно включится. Особенно это существенно при управлении режимами сварочного трансформатора на первичной цепи.

Для устранения самопроизвольного включения, анод или катод шунтируют RC-цепью. Конденсатор заряжается, тем самым напряжение возрастает не мгновенно.

Превышение максимальной скорости возрастания тока может привести к появлению локальных точек, а через некоторое время и выход тиристора из строя. Для устранения перегорания локальных точек последовательно в анодную или катодную область включают индуктивность.






