
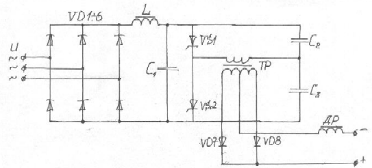
Выпрямитель, собранный на диодах VD1÷VD6 выпрямляет переменное трёхфазное напряжение. Конденсатор С и дроссель L сглаживают пульсации этого напряжения. Также этот L–C фильтр не пропускает в сеть помехи от работы тиристорного инвертора.
Тиристорный инвертор работает следующим образом: ток от плюса источника питания, если открыт тиристор VS1, через анод - катод последнего, первичную обмотку трансформатора, конденсатор С3 поступает к минусу источника питания. Так как в цепи прохождения электрического тока имеется L–C цепочка, параметры которой подобраны так, что в цепи возникает колебательный переходной процесс. Поэтому тиристор VS2 закроется от отрицательной полуволны. В следующий момент времени открывается тиристор VS1; ток от плюса источника питания через конденсатор С2, тиристор VS2, первичную обмотку первого трансформатора поступает к минусу выпрямителя. Одновременно конденсатор С3 разряжается через первичную обмотку трансформатора и тиристор. В следующий момент времени работает тиристор.






