Для оценки схем выпрямления в целом используют следующие параметры:
1. Гармонический состав кривой выпрямленного напряжения оценивается коэффициентом пульсаций КП
,
где Uνm – амплитуда ν-ой гармонической составляющей;
Ud – среднее значение выпрямленного напряжения.
2. Гармонический состав кривой первичного тока, характеризуемый коэффициентом искажения Ки, равным отношению действующих значений основной гармоники и полного тока первичной обмотки.
.
3. Коэффициент гармоники КГ, равный отношению действующего значения гармоник к основной гармонике тока.

4. Внешняя
и регулировочная
характеристики. α - угол управления.
5. Коэффициент мощности χ.
6. Коэффициент полезного действия η.
В общем виде выпрямленное напряжение udможет быть выражено в виде суммы постоянной составляющейUdи переменной пульсации u: ud =Ud+u.
Постоянная составляющая представляет собой среднее значение выпрямленного напряжения
,
где ud(t)– мгновенное значение выпрямленного напряжения;
Т – период повторяемости формы выпрямленного напряжения.
При сравнении различных схем выпрямления используют коэффициент схемы
.
Основными элементами, параметры которых подлежат расчету в схемах выпрямления, являются вентильные элементы и трансформатор. Исходными данными при расчете служат выпрямленное напряжение Ud и ток Id, или мощность
и напряжение сети U1.
Для выбор вентильного элемента необходимо определить максимальное IВ,М , среднее IB,СР и действующего IB значения тока, протекающего через него в прямом направлении, выраженное через Id, а также максимальные напряжения на вентиле: обратное Uобр,м – для неуправляемых вентилей; обратное Uобр,м и прямое Uпр,м – для управляемых, выраженные через U2.
Оценка эффективности использования вентилей производится через коэффициент использования по напряжению KU и по току KI.
, 
Параметры трансформатора определяются полной расчетной мощностью ST и коэффициентом трансформации KT
,
, 
Оценку эффективности использования трансформатора производят посредством коэффициента превышения расчетной мощности
,
где 
– номинальная активная мощность выхода выпрямителя.
Мощность
в отличие от
соответствует фактической мощности, выделяемой в нагрузках. Она может быть вычислена по выражению

где T – период повторяемости пульсаций выпрямленного напряжения;
- мгновенные значения выпрямленного напряжения и тока.
Для идеально сглаженного выпрямленного напряжения, а следовательно, и тока в активной нагрузке
; во всех других случаях
. Разница в значениях
и
обусловлена наличием пульсаций в выпрямленном напряжении и токе. Если обозначить пульсации в виде переменных составляющих
и
, то можно записать
.
При значительных пульсациях выпрямленного напряжения
может быть намного больше
.
Основные потери активной мощности:
в трансформаторе
, в вентилях
, в вспомогательных устройствах (СУ, СЗ, охлаждение, сигнализации)
. Составляющую мощности
(интеграл), обусловленную пульсацией напряжения на нагрузке, относят к дополнительным потерям.
С учетом этих составляющих К.П.Д. выпрямителя
.
Из несинусоидального тока сети ic можно выделить первую гармонику
, отстающую от напряжения
на угол φ1. Активная мощность, потребляемая выпрямителем
.
Полная мощность, потребляемая выпрямителем
,
где
– действующее значение тока
гармоники;
– действующее значение несинусоидального тока сети.
Коэффициент мощности выпрямителя

Степень несинусоидальности тока характеризуется коэффициентом искажения
. Для несинусоидального режима вводится понятие мощности искажений 
1.3 Основные элементы преобразователей
В настоящее время основными приборами силовой электроники в области коммутируемых токов до 50 А являются: диоды; тиристоры (SCR); биполярные транзисторы (ВРТ); биполярные транзисторы с изолированным затвором (IGВТ); полевые транзисторы с изолированным затвором (МОSFЕТ); силовые интегральные схемы (Power IC); интеллектуальные силовые интегральные схемы (Start Power IC).
В области коммутируемых токов более 50 А основными приборами силовой электроники являются: силовые модули на базе биполярных транзисторов; силовые модули (IGВТ); тиристоры; запираемые тиристоры (GTO); диоды.
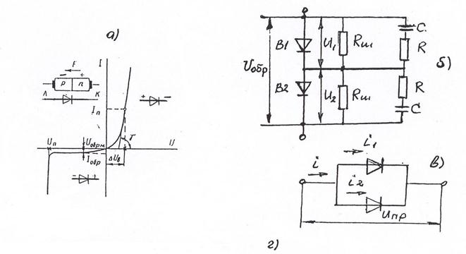
Диоды - неуправляемые вентили, основные параметры, которых определяются из ВАХ (рис.3).
Выпускаются серии силовых диодов с предельным током Iп = 320÷200 А и повторяющимся напряжением Uпов.=100÷2000 В. На ещё большие значения должны использоваться блоки, состоящие из последовательно и параллельно включённых приборов (рис.3,б,в.).
Для выравнивания напряжений
(рис.3,б) используются резисторы Rш, включённые параллельно вентилям. Для выравнивания напряжений в переходных режимах параллельно вентилям включаются RC–цепи.
Для равномерного деления тока между параллельно включёнными вентилями обычно производят подбор вентилей по прямым падениям напряжения
.
Тиристоры (SCR). Несмотря на такие очевидные достоинства, как низкое падение напряжения (1,2-1,5 В), высокая плотность тока, высокие коммутируемые напряжения 8 кВ и токи 4 кА, простота и низкая стоимость схем управления, стойкость к перегрузкам по току, высокая надежность прижимной таблеточной конструкции — этот класс приборов силовой электроники сегодня можно отнести к устаревшим. У них есть один существенный недостаток — невозможность выключения по управляющему электроду.
Запираемые тиристоры (GTO, IGCT). Запираемый затвор (тиристор) – тиристор, который может быть выключен. Отрицательный импульс на затворе может выключить тиристор, даже когда напряжение анод-катод положительно. Сами GTO были модернизированы за счёт применения новых технологий, и появился новый класс приборов - тиристор, коммутируемый по затвору (GCT или IGCT). Повысилось быстродействие, значительно сократились статические и динамические потери.
Силовые транзисторы. В преобразователях они используются в качестве ключевых элементов, т.е.работают в режиме переключения из области насыщения – включено (кривая А на рис.4,в) в область отсечки - выключено (кривая В).
Самую значительную часть приборов в диапазоне до 50 А составляют полевые транзисторы с изолированным затвором – транзисторы МОSFЕТ. Имея небольшие времена переключения, они могут работать на частотах до 1 МГц и практически полностью вытеснили из низковольтных преобразователей (<200 В) все остальные типы приборов.
В области средних напряжений (500 - 600 В и выше) использую биполярные транзисторы с изолированным затвором (IGВТ).
В настоящее время IGВТ обеспечивают коммутацию токов до 1,8 кА и напряжений до 4,5 кВ. При этом времена переключения IGВТ транзисторов лежат в диапазоне 200 – 400 нсек. Дальнейшее развитие IGВТ будет идти по пути:

|















D X
![]() | |||||||||||
![]() | |||||||||||
![]() | |||||||||||
![]() | |||||||||||
![]() | |||||||||||
![]() | |||||||||||
![]() | |||||||||||
![]() | |||||||||||
![]() | |||||||||||
![]() | |||||||||||




|
|
















