Электрические трансформаторы
Тема 5. Электрические машины
Электрический трансформатор - электромагнитное устройство, преобразующее напряжение и ток одного уровня в напряжение и ток другого уровня при неизменной частоте и малой потере мощности.
Генераторы электрических станций вырабатывают электрическую энергию при напряжении 6, 10, 15 кВ, так как на более высокие напряжения конструировать электрогенераторы сложно в связи с трудностью обеспечить хорошую изоляцию обмоток.
В то же время в линиях электропередачи применяют напряжения до 110, 220, 400, 500 кВ и более, чтобы уменьшить силу тока в линии, а значит и сечение проводов, что позволяет резко снизить мощность потерь и стоимость линий электропередач.
Таким образом, необходимы повышающие трансформаторы, увеличивающие напряжение генераторов электрических станций до напряжения линий электропередач. В местах же потребления электрической энергии, на производстве, в быту и так далее необходимы понижающие трансформаторы, чтобы иметь напряжения 380, 220, 127 В и менее.
|
|
|
Силовые трансфоматоры существую в трехфазном или однофазном исполнении.
Силовые трансформаторы менее одного кВА выполняют с воздушным охлаждением, выше – с масляным.
По конструкции магнитоповода: с броневым или со стержневым
Существуют специальные измерительные, радиотехнические и др.
Электрические трансформаторы имеют высокий коэффициент полезного действия, доходящий до 99 % и высокую надежность, так как не содержат движущихся частей.
Изобрел электрический трансформатор в 1876 году П.Н. Яблочков.
В 1891 году М.О. Доливо-Добровольским была разработана конструкция первого трехфазного электрического трансформатора.
В дальнейшем трансформаторы стали использоваться повсеместно. Они применяются в измерительной технике: трансформатор тока и трансформатор напряжения, в радиотехнике: трансформаторы развязки, согласования и др., в автоматике и во многих др. отраслях.
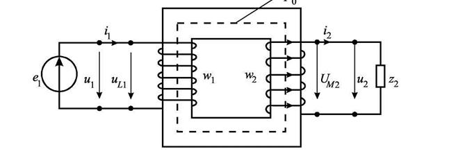
Простейший однофазный электрический трансформатор (рис. 39) состоит из двух обмоток, размещенных на ферромагнитном магнитопроводе, который набран из изолированных друг от друга листов электротехнической стали толщиной 0.3-0.5 мм, с целью уменьшения потерь на вихревые токи (потерь в стали) Pс.
Обмотка, подключаемая к источнику электрической энергии (генератору) или к линии электропередач (электрической сети) называется первичной (входной). Обмотка, к которой подключается приемник электрической энергии - вторичной (выходной).

Рис. 39. Схема электрической цепи с трансформатором.
На щитке электрического трансформатора указываются:
|
|
|
высшее и низшее номинальные напряжения; номинальная полная мощность S = U1НI1Н, ВА или кВА; частота f (Гц); токи в первичной и вторичной (I1Н,I2 н) обмотках при номинальной мощности; коэффициент трансформации К; число фаз; схема соединений обмоток (звездой или треугольником) в случае трехфазного электрического трансформатора; режим работы (длительный или кратковременный); способ охлаждения (масляный, воздушный).
Крупный силовой трансформатор обязательно имеет масляное охлаждение, поэтому вся активная часть располагается в баке, который имеет масляный расширитель (для сезонного регулирования масла и для связи с атмосферой), радиаторы охлаждения, высоковольтные и низковольтные проходные изоляторы для соединения с внешними устройствами.