Газораспределительные станции
УСТРОЙСТВА И СООРУЖЕНИЯ СИСТЕМ ГАЗОСНАБЖЕНИЯ
Рекомендуемые скорости газов в газопроводах низкого давления
Таблица 5.3.
| Диаметр газопровода, мм | Скорость газов в газопроводе, м/с | ||
| доменного и ферросплавного | коксового и богатого | природного и сжиженного | |
| 20 … 50 | - | ||
| 100 … 200 | 3 … 4 | 4 … 5 | 8 … 12 |
| 300 … 500 | 5 … 6 | 6 … 7 | 12 … 15 |
| 600 … 800 | 7 … 8 | 8 … 9 | 15 … 20 |
| 900 … 1200 | 9 … 11 | 10 … 13 | 25 … 35 |
| 1300 … 2000 | 12 … 20 | 14 …22 | 40 … 50 |
Газораспределительные станции (ГРС), сооружаемые на отводах или в конце магистральных газопроводов природного газа, не входят в состав систем газоснабжения предприятий, но являются для них непосредственными источниками газа.
На ГРС снижается и поддерживается на уровне 0,3 - 1,2 МПа давление газа, отбираемого из магистрального газопровода, а также учитывается его расход и проводится очистка от механических примесей. Оборудование ГРС рассчитывается на давление до 7,5 МПа.
Автоматизация позволяет вести безвахтенное (без постоянного обслуживающего персонала) обслуживание ГРС. Только при производительности более 200 тыс. м³/ч газа необходим вахтенный персонал.Обычно параллельно с ГРС сооружают хранилища сжиженного и сжатого газа для покрытия пиков газопотребления.
Газовое топливо должно подаваться потребителям под определенным давлением в зависимости от условий его использования (в частности, от принятого давления перед приборами, агрегатами и т. д.). Газосбытовая организация обязана обеспечивать требуемое давление в газораспределительных сетях и на входе у потребителя.
Газорегуляторные пункты (ГРП) и установки (ГРУ) предназначены для снижения давления газа, поступающего к потребителю, до необходимого, и автоматического поддержания его постоянным независимо от расхода газа и колебания его до ГРП (ГРУ). Кроме того, на ГРП (ГРУ) осуществляют очистку газа от механических примесей, контроль за входным и выходным давлением и температурой газа, учет расхода (в случае отсутствия специального пункта измерения расхода), предохранение от возможного повышения или понижения давления газа в контролируемой точке газопровода сверх допустимых пределов. Принципиальные технологические схемы ГРП и ГРУ аналогичны.

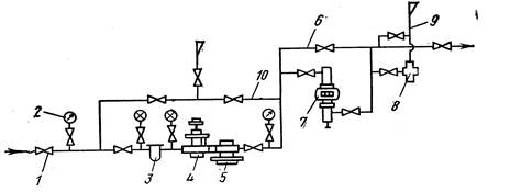
Рис. 5.3. Схема ГРП с одной регулирующей ниткой
1 – отключающее устройство; 2 – манометр; 3 – фильтр; 4 – предохранительный запорный клапан; 5 – регулятор давления; 6 – обводной газопровод счетчика; 7 – газовый счетчик; 8 – предохранительный сбросной клапан; 9 – сбросной трубопровод; 10 – обводной газопровод
В зависимости от входного давления различают ГРП и ГРУ среднего (до 0,3 МПа) и высокого (от 0,3 до 1,2 МПа) давления. Если цехи расположены компактно, то устанавливают один центральный ГРП или несколько цеховых в одном помещении. Если цехи расположены далеко друг от друга, то ГРП устанавливают у агрегатов, которые потребляют наибольшее количество газа. ГРУ монтируют в помещениях, где расположены газопотребляющие установки и агрегаты небольшой производительности.
На рис. 5.3 показано расположение оборудования на газопроводах ГРП.
В соответствии с назначением в состав ГРП и ГРУ входят следующие элементы:
- фильтр для очистки газа от механических примесей;
- предохранительный запорный клапан (ПЗК), прекращающий подачу газа при повышении или понижении его давления после регулятора давления сверх заданного;
- регулятор давления (РД), понижающий давление газа и поддерживающий его на заданном уровне независимо от расхода газа и изменения входного давления;
- предохранительный сбросной клапан (ПСК), сбрасывающий излишки газа из газопровода после регулятора, чтобы давление газа не превысило заданного;
- запорная арматура (задвижки, краны);
- контрольно –измерительные приборы (КИП) для измерения давления (манометры), перепада давления на фильтре (дифманометры), температуры газа(термометры);
- узел учета расхода газа;
- обводный газопровод (байпас) для снабжения газом потребителей в период ревизии и ремонта с двумя последовательно расположенными отключающими устройствами на нем;
- импульсный и сбросной трубопроводы.
Давление газа на выходе из ГРП поддерживается регулятором давления, а при отказе – с помощью ручного управления запорно-отключающим устройством на обводной линии. При повышении давления за ГРП выше допустимого срабатывает предохранительно-сбросной клапан, а при необходимости – предохранительно- отключающий запорный клапан.
В зависимости от расхода газа и требуемого выходного давления применяют регуляторы давления прямого (типа РД) и непрямого действия (типа РДУК-2).
У регулятора типа РД импульс от давления газа воздействует на мембрану, а она через рычажный механизм перемещает дроссельный орган. Такие регуляторы устанавливают на вертикальных и горизонтальных участках. Диаметр клапанного отверстия регуляторов можно изменять заменой седла клапана.
Регулятор РДУК-2 состоит из основного регулятора и регулятора управления; импульс от давления газа на входе преобразуется в регуляторе управления и передается на мембрану основного регулятора, управляющего открытием клапана.
Для очистки газа от механических примесей применяют фильтры. Если нет централизованной чистки, то на каждой регулирующей линии с диаметром условного прохода до 50 мм устанавливают сетчатый или волосяной фильтр. В сетчатом фильтре газ поступает внутрь стакана, обтянутого мелкоячеистой фильтровальной сеткой. Твердые частицы оседают в стакане и задерживаются на сетке, а газ направляется к выходному патрубку. В волосяном фильтре очистка газа происходит в кассете. Фильтрующий материал (конский волос, капроновая нить) находится между двумя металлическими сетками.
В ГРП на газопроводах с диаметром условного прохода более 50 мм применяют сетчатые и висциновые фильтры.
Работоспособность фильтра контролируется по перепаду давления на нем. Так, для фильтров, применяемых совместно с регуляторами РДУК-2, перепад давления не должен превышать 10 кПа. В противном случае фильтр подлежит очистке и промывке.






