Газосмесительные станции (ГСС) применяют на предприятиях, располагающих различными видами газообразного топлива (металлургические, нефтеперерабатывающие и другие заводы). Применение смесей газов в ряде технологических аппаратов приводит к повышению эффективности использования топлива.
Так, например, в нагревательных и термических печах прокатных, трубопрокатных, кузнечно-прессовых и других цехов наряду с природным и коксовым используется смешанный природно-доменный газ с теплотой сгорания от 10 до19 МДж/м³, а также коксо-доменный газ с теплотой сгорания от 6 до 10 МДж/м³.
ГСС могут работать по схеме, обеспечивающей постоянство теплоты сгорания смешанного газа или постоянство объемов смешиваемых газов.
Для расчета подводящих к ГСС газопроводов, количество каждого из смешиваемых газов определяют по формулам
а 1 = 100 (Q 2 – Q) / (Q 2 – Q 1); а 2 = 100 – а 1, (5.4)
где а 1 и а 2 – количество смешиваемых газов 1 и 2, % (объемн.); Q 1, Q 2, Q – теплота сгорания соответственно смешиваемых газов 1, 2 и смеси, МДж/м³.
|
|
|
Количество теплоты, вносимой каждым газом определяют по формулам
q 1 = а 1 Q 1 / Q; q 2 = а 2 Q 2 / Q, (3.5)
где q 1 и q 2 - теплота, вносимая газами 1 и 2, в процентах от общего количества теплоты.

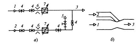
Рис.5.4. Газосмесительная станция
а – схема газопроводов газосмесительной станции; б – схема смесителя; 1 – газопровод ведущего газа; 2 – газопровод ведомого газа; 3 – газопровод смешанного газа; 4 – запорно-отключающее устройство; 5 – продувочная газовая свеча; 6 – измерительная диафрагма; 7 – дроссельное устройство
Газы смешивают в смесителе, устройство которого должно обеспечивать хорошее их перемешивание. С этой целью обычно врезку одного газопровода в другой производят с помощью нескольких патрубков, расположенных по окружности.
Схема газопроводов ГСС представлена на рис. 3.4. По одному газопроводу проходит ведущий газ (обычно доменный), по другому – ведомый. На каждом газопроводе установлены контрольное и главное отключающие устройства, измерительная диафрагма, дроссель В зависимости от требуемой точности регулирования и колебаний смешанного газа на ГСС применяют два или большее число дроссельных клапанов. Кроме того, предусматривается продувочная газовая свеча.






