Схемы сетей электрического освещения
Система рабочего освещения - включает светильники общего и местного освещения.
Аварийное освещение - обеспечивает освещенность для продолжения работы или для эвакуации людей при отключении рабочего освещения.
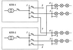
Рис. 11.5. Схема питания электроосвещения от двух ТП: 1 - распределительный щит; 2 - линии, отходящие к силовым РП; 3, 4 - групповые щитки соответственно рабочего и аварийного освещения; 5, 6 - групповая сеть соответственно рабочего и аварийного освещения; 7- питающие линии освещения
Главные (повышающие и понижающие) подстанции (ГПП) - предназначены для повышения или понижения напряжения линии электропередач при больших расстояниях. Высокое напряжение таких подстанций обычно может быть 1150...33 кВ, низкое - 35...6 кВ (чаще всего 10 кВ);
Трансформаторные подстанции (ТП) - служат для понижения напряжения, поступающего от ГПП, с 35...6 кВ на 660/380 или 380/220 В, на которое и рассчитано большинство потребителей. На строительстве имеют место и мощные потребители электроэнергии по 6 и 10 кВ (землесосные снаряды, шагающие экскаваторы, компрессоры).
Оборудование ТП состоит из трансформаторов, аппаратов коммутации и защиты, устройств управления, контроля и учета электроэнергии. С высокой стороны трансформатор присоединен к линии. Обмотки трансформатора соединены в «звезду».
Виды ТП:
- открытые - оборудование устанавливается на открытом воздухе (трансформатор устанавливается на деревянных или железобетонных опорах или на помосте на высоте 4 м, а распределительный щит 380/220 В внизу в шкафу);
- закрытые – оборудование располагается в помещении;
- передвижные.
Промышленность выпускает трехфазные силовые трансформаторы мощностью: 10; 16; 25; 40; 63; 100; 250; 400; 630; 1000; 1600 кВА. В условиях строительных площадок применяются преимущественно трансформаторы напряжения 10/0,4 и 6/0,4 кВ мощностью 100 и 630 кВА с естественным масляным охлаждением.






