Классификация электроприемников
По напряжению - до 1000 В и свыше 1000 В.
Породу тока:
- приемники переменного тока промышленной частоты (50 Гц),
- приемники переменного тока частотой, отличной от 50 Гц (повышенной или пониженной);
- приемники постоянного тока.
По степени надежности электроснабжения правила устройства электроустановок (ПУЭ) предусматривают три категории:
Электроприемники I категории — электроприемники, перерыв снабжения которых электроэнергией связан с опасностью для людей или влечет за собой большой материальный ущерб (котельные, подъемные и вентиляционные установки шахт, аварийное освещение и др.). Они должны работать непрерывно.
Электроприемники II категории — электроприемники, перерыв электроснабжения которых приводит к массовому недоотпуску продукции, простою технологических механизмов, рабочих, промышленного транспорта, нарушению нормальной деятельности жителей.
Электроприемники III категории — все остальные электроприемники, не подходящие под определение I и II категорий. Электроприемники данной категории допускают перерыв электроснабжения не более одних суток.
|
|
|
Общепромышленные установки - вентиляторы, насосы, компрессоры, воздуходувки и т. п. В них применяются асинхронные и синхронные двигатели трехфазного переменного тока частотой 50 Гц, на напряжениях от 127 В до 10 кВ, Данная группа электроприемников относится, как правило, к первой категории надежности (иногда ко второй), режим работы – длительный.
Электросварочное оборудование по степени надежности относится ко второй категории, режим работы - повторно-кратковременный.
Подъемно-транспортное оборудование - питается переменным напряжением 380 и 660 В, нагрузка - симметричная. По надежности электроснабжения относится к первой или второй категории, режим работы — повторно-кратковременный.
Электрические осветительные установки. Светильники общего освещения (с лампами накаливания или газоразрядными) питаются преимущественно от сетей 220 или 380 В. Светильники местного освещения с лампами накаливания на 12 и 36 В, питаются через понижающие однофазные трансформаторы. Равномерная загрузка фаз трехфазной сети достигается путем группировки светильников по фазам. Режим работы- длительный, категория надежности – вторая.
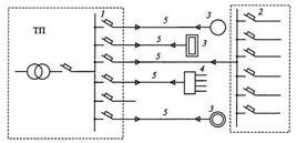
1. Радиальная схема (рис. 11.2) применяется для питания сосредоточенных нагрузок большой мощности, при неравномерном размещении приемников, а также для питания приемников во взрывоопасных, пожароопасных и пыльных помещениях. Электроэнергия от трансформаторной подстанции (ТП) поступает к одному достаточно мощному потребителю или к группе электроприемников. Радиальные схемы выполняют одноступенчатыми, когда приемники питаются непосредственно от ТП, и двухступенчатыми, когда они подключаются к промежуточному распределительному пункту (РП). Выполняются радиальные схемы кабелями..
|
|
|

Рис. 11.2. Радиальная схема питания: 1 - распределительный щит; 2 - силовой распределительный пункт (РП); 3 - электроприемник; 4 - щит освещения; 5 - кабельная линия
Достоинство радиальных схем - высокая надежность (авария на одной линии не влияет на работу приемников, получающих питание по другой линии) и удобство автоматизации.
Недостатки радиальных схем - значительный расход проводников; необходимость в дополнительных площадях для размещения силовых РП; ограниченная гибкость сети при перемещениях технологических механизмов, связанных с изменением технологического процесса.
2. Магистральная схема (рис. 11.3) применяется при питании приемников одной технологической линии или при равномерно распределенных по площади цеха приемниках. Приемники подключаются к любой точке линии (магистрали). Магистрали могут присоединяться к распределительным щитам подстанции или к силовым РП.

Рис. 11.3. Магистральная схема с распределительным шинопроводом: 1 - комплектная трансформаторная подстанция (КТП); 2 - распределительный шинопровод; 3 – нагрузка.
Достоинства магистральных схем - упрощение щитов подстанции и высокая гибкость сети, дающая возможность перемещать технологическое оборудование без переделки сети.
Недостаток магистральных схем - меньшая надежность, так как при исчезновении напряжения на магистрали все подключенные к ней потребители теряют питание.






