Глава 15. Методические указания к решению задач
Основным кинематическим параметром зубчатого механизма является передаточное отношение.
Передаточным отношением
называется отношение угловой скорости звена 1 (
) к угловой скорости звена 2 (
) (рис.15.1).

Очевидно, что
(15.1)
Если
и
, то
(15.2)
где
и
– частота вращения, мин-1, звена 1 и звена 2.
Для механизмов с параллельными осями передаточное отношение считается положительным при одинаковом направлении угловых скоростей и отрицательным – при противоположном.
Для цилиндрической передачи знак "плюс" соответствует внутреннему зацеплению (рис. 15.1 б), а "минус" – внешнему (рис. 15.1 а).
Передаточное отношение можно представить в виде
(15.3)
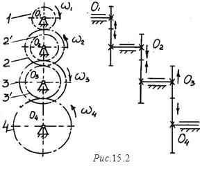
Многоступенчатый зубчатый механизм можно образовать последовательным соединением колес (рис. 15.2), при котором вращение от ведущего вала О1 передается ведомому валу О4 через промежуточные валы О2 и O3, на каждом из которых помещено по два колеса 2 и 2´, 3 и 3´. Колеса 2 и 2´ жестко соединены с валом O2 и имеют общую угловую скорость
; аналогично колеса 3 и 3´ также жестко соединены с валом О3 и имеют общую угловую скорость
.
На одной проекции (см. рис. 15.2) направление угловых скоростей показано круговыми стрелками, а на второй – прямыми.
При последовательном ступенчатом соединении колес передаточное отношение равно произведению передаточных отношений промежуточных зацеплений (см. рис. 15.2)
(15.4)
В данном случае имеем трехступенчатую передачу.
В общем случае передаточное отношение
(15.5)
где K – число внешних зацеплений.
При простом последовательном соединении зубчатых колес (рис. 15.3) величина общего передаточного отношения не зависит от количества промежуточных (паразитных) колес.

(15.6)
В общем случае
(15.7)
где K – число внешних зацеплений.
"Паразитные" колеса могут изменить знак передаточного отношения; например, при внешнем зацеплении (см. рис. 15.3) каждое четное колесо 2 и 4 вращается в сторону, противоположную вращению входного колеса 1, а каждое нечетное колесо 3 – в сторону вращения входного колеса 1.
На рис. 15.4 показано последовательное соединение, состоящее из трех колес: 1, "паразитное" 2 и выходное 3 с внутренним зацеплением. Передаточное отношение

Передаточное отношение червячной передачи равно отношению числа зубьев колеса к числу витков червяка.


(15.8)
где
– число зубьев червячного колеса;
–число витков червяка;
и
– частота вращения червяка и колеса, мин-1.
Механизм, изображенный на рис. 15.5, состоит из пары цилиндрических колес 1 и 2, пары конических колес 2´, 3 и червячной пары 3´ и 4, где звено 3´ – червяк, а 4 – червячное колесо. Общее передаточное отношение для этого механизма

где
– число зубьев червячного колеса, а
– число витков червяка.
Знак для общего передаточного отношения можно поставить лишь для того случая, когда входной и выходной валы вращаются относительно осей, параллельных друг другу.