Конструктивно оно не отличается от реле ИМ-149. Движение диска у этих реле на
чинается тогда, когда ток генератора увеличится до значения тока уставки срабатывания.
В отличие от реле обратной мощности контакты этих реле замыкают цепи АВ ме-
нее ответственных приемников.
8.6. Бесконтактное реле обратного активного тока типа РОТ-51/401
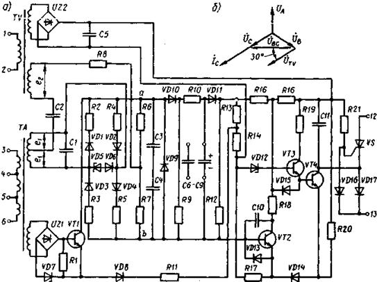
Реле этого типа изображено на рис. 4.33.
Оно предназначено для защиты ГА переменного тока от перехода в двигательный режим при параллельной работе. Реле имеет 3 уставки по обратному току: 5, 10 и 15 % номинального активного тока контролируемой сети. Уставки изменяют переключением выводов 3- 6 на трансформаторе тока ТА.

Рис. 4.33 Реле обратного тока типа РОТ-51/401:
а – принципиальная схема; б – векторная диаграмма напряжений и токов
Реле (рис. 4.33, а) состоит из измерительной части, собранной на кольцевом модуля
торе (надиодах VD1-VD4) и согласующих трансформаторах тока (ТА) и напряжения (ТV), реле времени (R10, С6-С9), исполнительной части (VТ2-VТ4) и устройства "отсечки" (VТ1).

Рис. 4.34. Принципиальная схема кольцевого модулятора реле РОТ-51/401
Кольцевой модулятор с трансформаторами тока ТА и напряжения ТV представляет собой фазочувствительный выпрямитель ФЧВ.
Выпрямленное выходное напряжение ФЧВ прямо пропорционально току нагрузки генератора (току вторичной обмотки трансформатора тока ТА), а полярность напряжения изменяется на обратную при переходе генератора в двигательный режим (когда изменяет
ся на 180º фаза тока во втоичной обмотке трансформатора тока ТА).
Трансформатор тока ТА включен в фазу С, а трансформатор напряжения TV - на линейное напряжение U
(рис. 4.33, б). При помощи конденсатора С2 вектор напряже-
ния трансформатора ТV cдвигут на 30° относительно вектора U
.
Таким образом, вектор опорного напряжения, создаваемого трансформатором ТV, совпадает с вектором активного тока фазы С. Так как U
>> U
, измерительная часть схемы будет реагировать на активный ток.
При работе контролируемого источника электроэнергии в генераторном режиме на рис. 4.34 мгновенные полярности ЭДС e
и e
впервый полупериод обозначены в кру-
жочках Так как e
> e
, то направление токов через резисторы R 6, R7 и кольцевой моду
лятор будет определяться мгновенной полярностью e
.
Ток i
протекает по цепи: точка 7 - R8-R6 - точка а - R4 - VD2 - точки 9 и 10 - С2 - точка 8.
Этотток пропорционален сумме ЭДС (e
+ e
), так как эти ЭДС действуют согла
сно.
В это же время ток i
протекает по цепи:точка 7 - R8 - R7 – RЗ - VDЗ - точки 11 и 10 - С2- точка 8. Ток i
пропорционален разности ЭДС (e
- e
),так как эти ЭДС дейст
вуют встечно.
Следовательно, i
> i
, и падение напряжения U
на резисторе R6 больше, чем напряжение U
на резисторе R7. Мгновенная полярность напряжения в точках а, в бу-
дет определяться мгновенной полярностью падения напряжения на R6, а именно: «минус»
в точке «а» и «плюс» в точке «в».
Во второй полупериод мгновенные полярности ЭДС на рис. 4.34 обозначены в квад
ратиках. Токи через R6 и R7 будут течь в противоположном направлении, причем i
> i
.
Мгновенная полярность в точках «а» и «в» определится мгновенной полярностью падения напряжения на резисторе К7, через который течет ток i
. В точке «а», как и в пер
вый полупериод, «минус», а в точке «в» - «плюс».
В этом режиме работы генератора под действием напряжения постоянного тока в точках «а» и «в» измерительной части схемы ток течет через диод VD9, а конденсаторы С'З, С4 не заряжены.
При переходе генератора в двигательный режим вектор тока поворачивается отно
сительно вектора напряжения на 180°, поэтому мгновенные полярности е
изменятся относительно мгновенных полярностей е
на противоположные.
Полярность напряжения в точках «а» и «в» тоже изменится на противоположную
(в точке «а» будет «плюс», в точке «в» - «минус»). Теперь конденсаторы СЗ, С4 зарядятся с указанной на схеме полярностью.
Напряжение U
через диод VD10 (см. рис. 4.33) подается на R10 и один из вклю
ченных конденсаторов С6-С9.
Время заряда конденсатора до напряжения срабатывания исполнительной части схемы находится в обратной зависимости от напряжения U
, а следовательно, от обратного активного тока. Переключением конденсаторов С6-С9 изменяют выдержку времени срабатывания реле в пределах 1-5 с.
Напряжение на выходе реле времени сравнивается с падением напряжения на рези
сторе R12. При равенстве этих напряжений прекращается протекание тока управления транзистором VT2, в результате он закрывается, а составной транзистор VТЗ, VТ4 открыва
ется.
Заряжается конденсатор С11 и открывается тиристор V5, через который замыкается ток отключения АВ генератора.
Устройство "отсечки" служит для формирования выходного сигнала реле с мини
мальной выдержкой времени при обратном токе генератора большем, чем ток уставки. В таком режиме работы г.енератора напряжение выпрямителя UZ1 становится больше напря
жения стабилизации стабилитрона VD7 и начинает течь ток управления транзистором VТ1.
Под действием напряжения U
ток потечет по цепи: V Т1-VD8-R11-R14-R17-VD13. Падение напряжения на R14 оказывается достаточным для закрытия VТ2, в результате ре-
ле срабатывает за 50-80мс.
Когда напряжение на вторичной обмотке трансформатора тока ТА достигнет значе-
ния, равного напряжению пробоя диодов VD5 и VD6, они пробиваются.
Вторичная обмотка трансформатора ТА теперь замкнута через стабилитроны, и про
текающий по этой цепи ток оказывает размагничивающее действие на сердечник транс-
форматора, вследствие чего трансформатор продолжает работать на линейном участке ха-
рактеристики намагничивания.






