Схема программного управления пуском АДГ
На судах отечественной постройки установлены унифицированные системы про-
граммного управления пуском АДГ (системы автозапуска АДГ), с дизелями типов 1Д6-150М (мощность 100 кВт), 6Ч12/14 (50 кВт) и 4Ч10,5/13 (25 кВт).
После обесточивания судна автоматизированная СУ АДГ обеспечивает выполне-
ние такой программы пуска, включения АДГ на шины АЭС и приема нагрузки:
1. отключение фидеров питания щита аварийной СЭС от ГЭРЩ;
2. прокачку масла в смазочной системе дизеля;
3. перемещение рейки регулирования подачи топлива в положение минимальной подачи;
4. включение стартера, вращающего дизель;
5. исключение повторного включения стартера при удавшемся пуске;
6. обеспечение еще двух включений стартера в случае неудавшегося пуска;
7. при удавшемся пуске перемещение рейки регулирования подачи топлива в поло
жение номинальной подачи;
8. включение АВ после возбуждения генератора с одновременным приемом нагруз
ки ранее включенных приемников или прием нагрузки в 2 ступени;
9. возвращение системы автоматического пуска АДГ в исходное состояние;
10. прерывание программы пуска и возврат СУ в исходное состояние в случае включения питания основной СЭС.
Программа пуска может быть реализована с помощью электромеханических контак
тных устройств или электронной схемы.
В 1-м случае при аварии основной СЭС включается ЭД программного устройства, который через замедляющий редуктор вращает кулачковый валик. Последний, в опреде-
ленной последовательности, с заданными промежутками времени переключает контакты, которые, в свою очередь, управляют реле и другими устройствами, обеспечивающими пуск АДГ и включение нагрузки.
Во 2-м случае с помощью электронной схемы реализуется программа управления контактной частью схемы пуска АДГ и включения нагрузки.
Система состоит из пульта с кнопками для ручного пуска и сигнальными устройст-
вами, блока автоматического управления и элементов, смонтированных на дизеле.
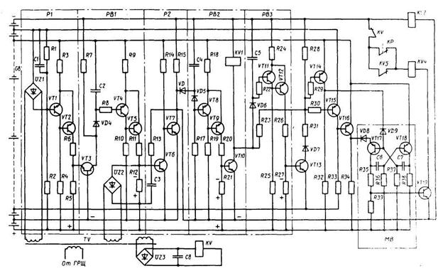
Устройство программного управления пуском (рис. 5.3) получает питание от акку-
муляторной батареи GB, имеющей несколько выводов (это позволяет получить необходи-
мые для работы схемы напряжения разных значений).

Рис. 5.3. Схема программного управления пуском АДГ
В исходном состоянии (в неаварийном режиме) на трансформатор TV поступает на
пряжение от ГРЩ, включается реле KV контроля напряжения и его контакт повторно пре
рывает цепь реле KV4 пуска (она прервана также закрытым в этом режиме транзистором VT19).
Через резисторы Rl, R3 на транзистор VT1 подано напряжение отрицательного сме-
щения, однако он открыт более высоким напряжением управления выпрямителя UZ1. В открытом состоянии сопротивление транзистора VT1 близко к нулю, на нем нет падения напряжения.
На эмиттер и базу транзистора VT2 поданы напряжения практически одинаковых потенциалов, поэтому он закрыт.
Через R5 на эмиттер -базу транзистора VT3 поступает напряжение положительного смещения, поэтому этот транзистор открыт. Через него заряжен конденсатор С2, через R8 течет ток управления транзистора VT4, и он открыт, а транзистор VT5 закрыт.
Через транзистор VT6 течет ток управления, создаваемый падением напряжения на резисторе R12, через который течет ток нагрузки выпрямителя UZ2. Транзистор VT7 за-
крыт.
Состояние остальной части схемы изменяется при переключении транзистора VT7. Так как он закрыт, конденсатор С4 не заряжен и транзистор VT8 тоже закрыт.
На коллектор - эмиттер транзистора VT8 не поступает напряжение, поэтому, несмо-
тря на то, что он закрыт, на нем нет падения напряжения и транзистор VT9 тоже закрыт.
Транзистор VT10 закрыт, так как на него поступает напряжение отрицательного смещения батареи. Так как VT10 закрыт, конденсатор С5 не заряжен, поэтому VT11 тоже закрыт. На его коллекторно-эмиттерном переходе создается падение напряжения, которое является напряжением управления транзистора VT12, и он открыт.
Протекающий через VT12 ток создает на резисторе R27 падение напряжения, кото-
рое компенсирует напряжение отрицательного смещения батареи, и транзистор VT13 от-
крыт. Через него текут токи управления транзисторов VT14, VT15, они открыты.
На базу транзистора VT16 подан отрицательный потенциал с коллектора транзисто-
ра VT15, поэтому VT16 закрыт.
На транзисторах VT17 и VT18 собрана схема мультивибратора MB. С коллектора транзистора VT16 на базу транзистора VT17 подан положительный потенциал, следователь
но, VT17 закрыт (соответственно VT18 открыт). Через R39 на транзистор VT19 поступает напряжение отрицательного смещения батареи, и он закрыт.






