Классификация судовых ИИС по построению (структуре)
Классификация судовых ИИС по назначению
Обобщенная структурная схема ИИС
Функции измерительных систем
Основные сведения
Современное судно оснащено сложными техническими системами различного на-
значения, безаварийная эксплуатация которых во многом зависит от своевременности по-
лучения и анализа контрольно-измерительной информации о состоянии объектов и устройств.
Для выбора правильного управляющего решения оператору приходится перераба-
тывать большой объем информации по различным контролируемым параметрам, иногда быстро изменяющим свое значение. Например, на атомном ледоколе «Сибирь» в течение 5 с измеряется и контролируется около тысячи параметров. Естественно, что человек при самой хорошей тренированности и опытности неспособен за такой короткий промежуток времени воспринять и осмыслить такой объем информации.
|
|
|
На помощь человеку-оператору приходят измерительные системы, возможности которых по объему и скорости измерений и обработке результатов значительно выше, чем у человека. При этом с помощью измерительной системы оператору выдается обобщенная сокращенная информация о состоянии объектов, а зачастую и рекомендации по принятию управляющих воздействий на объекты регулирования.
Измерительные системы предназначены для выполнения следующих операций:
1. получение информации непосредственно от контролируемого объекта от первич-
ных измерительных датчиков;
2. выполнение измерительных операций, т. е. сравнение измеряемого значения X с известным значением А, а также преобразование непрерывного сигнала в дискретный (квантование), а в ряде случаев — и цифровое кодирование значений X;
3. производство математических и логических операций при косвенных или сово
купных измерениях;
4. хранение полученной информации и выдача ее оператору в требуемом виде.
На морских судах в последние годы устанавливаются автоматические измеритель-
ные информационные системы нескольких разновидностей.
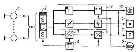
В наиболее общем виде структурная схема судовой измерительной информацион-
ной системы состоит из таких частей (рис. 15.1):

Рис. 15.1. Обобщенная структурная схема ИИС
1 - первичные измерительные преобразователи физических величин (температуры,
давления, уровня, напряжения, тока), представляющие их в виде электрического сигнала;
2 - коммутирующие устройства, подключающие электрический сигнал к измери-
тельному преобразователю автоматически или по вызову оператора;
|
|
|
3 - измерительные преобразователи, переводящие аналоговые электрические сигна
лы в унифицированный сигнал. В некоторых случаях измерительные преобразователи меняют масштаб с целью получения результата измерения в принятых единицах;
4 - аналого-цифровые преобразователи (АЦП), осуществляющие собственно изме-
рение, квантование и цифровое кодирование;
5 - цифровые индицирующие устройства, предназначенные для выдачи результата измерения в цифровой форме в десятичном коде;
6 - цифровые регистрирующие устройства, обеспечивающие регистрацию резуль-
тата измерения, номера контролируемого параметра и времени измерения;
7 - электронные вычислительные машины (ЭВМ), выполняющие различные мате
матические операции и сбор статистических данных о ходе измеряемого процесса;
8 - управляющие устройства, обеспечивающие выполнение заданной программы по определенному алгоритму;
9 - устройства контроля, предназначенные для выработки сигнала измерительной информации при отклонении параметра от нормы;
10 - устройства светозвуковой сигнализации, обеспечивающие выдачу оператору световых сигналов, указывающих место неисправности, а также обобщенных светозвуко-
вых сигналов в различные помещения судна.
Судовые ИИС имеют различную структуру, но все они строятся на принципе цент-
рализации измерений путем программного или по вызову оператора подключения первич-
ных преобразователей к одному или нескольким измерительным преобразователям.
В настоящее время не существует единой признанной классификации судовых ИИС. Наиболее распространенной классификацией ИИС является разделение ее по функ-
циональному назначению и по структуре.
По назначению ИИС могут быть разделены на три группы:
1. измерительные системы (ИС);
2. системы автоматического контроля и управления;
3. системы технической диагностики (СТД).
Измерительные системы обычно используются при исследованиях сложных объек-
тов, они имеют хорошие метрологические характеристики и обеспечивают оператора необ
ходимой измерительной информацией о состоянии объекта.
Информация в таких системах имеет количественный характер и выдается операто-
ру, как правило, в принятых единицах.
Средства представления информации самые различные: показания стрелочных и цифровых приборов, графики, таблицы и т. д. С помощью некоторых измерительных систем выполняют математическую обработку измерительной информации.
Результат измерения в таких системах выдается в виде логических заключений их обобщенных данных. Обработка результатов измерений в системах первой группы иногда производится с запаздыванием, поэтому объем запоминающих устройств может быть зна-
чительным.
Основные характеристики судовых измерительных систем:
1. чаще всего в ИС используются входные электрические сигналы в виде напряже-
ния постоянного тока в пределах от десятков микровольт до сотен милливольт;
2. число точек измеряемых параметров на судах колеблется от сотен до тысячи. Ко-
личество параметров зависит от назначения и типа судна;
3. погрешность измерения составляет ± (0,5ч-1,5) %. В основном используются методы цифровой измерительной техники, с помощью которой обеспечивается высокая точность измерений, практически недосягаемая при использовании аналоговых измерительных устройств;
4. как правило, предусматривается вывод информации на цифровую регистрацию и электронную вычислительную машину.
Системы автоматического контроля и управления предназначены для сравнения измеряемых параметров, характеризующих контролируемый объект, со значениями этих параметров (уставками), принятыми за нормальные или допустимые. Часто системы автоматического контроля и управления называют системами централизованного контроля.
|
|
|
Характер «поведения» объектов практически известен заранее, а все его возмож-
ные состояния подразделяются, как правило, на нормальные и допустимые («норма» и «отклонение от нормы»). Информация, выдаваемая системой, имеет качественный харак-
тер и отвечает на вопрос: находится объект в заданном режиме или вышел за допустимые пределы. Поэтому система автоматического контроля может быть менее универсальна, чем измерительная.
Системы технической диагностики (СТД) на основании результатов измерений вы-
дают обобщенные сведения о состоянии объекта, характере неисправностей и способах их устранения. В СТД широко используются вычислительные и логические устройства.
Разделение систем на три группы весьма условно. С помощью большинства судо-
вых систем автоматического контроля и сигнализации можно одновременно и измерять -параметры. Измерительные системы, имеющие обратные связи с объектом, по структуре не отличаются от систем диагностики.
Число возможных структурных вариантов ИИС может быть очень большим.

Рис. 15.2. Структурные схемы судовых ИИС: а – с общим измерительным каналом;
б – с параллельным измерительным каналом; в – с развертывающим преобразова-
нием
По построению (структуре) ИИС делятся на три вида:
1. системы с одним измерительным каналом, к которому последовательно подклю-
чаются различные первичные преобразователи. К ним принадлежат структуры параллель-
но-последовательного типа (рис.15.2, а). Переключение первичных преобразователей осу
ществляется коммутатором.
По таким структурным схемам выполнена ИИС «Датацент», установленная на су-
дах тина «Новгород».
2. системы с несколькими параллельными каналами для измерения и контроля (рис. 15.2, б). К ним принадлежат структуры параллельного действия.
Общими в таких системах являются устройства управления УУ и представления информации УПИ. Системы с параллельными каналами могут иметь и независимые устройства представления информации в каждом канале.
|
|
|
Примерами такой структурной схемы могут быть системы непрерывного контроля и измерения, установленные на судах типа «Варнемюнде» и «Инженер Мачульский».
3. системы, в которых процесс измерения осуществляется для всех каналов с помо-
щью меры М (рис. 15.2, в) и индивидуального для каждого канала устройства сравнения СУ измеряемой величины с мерой. Судовые ИИС, имеющие подобную структуру, называются мультиплицированными развертывающими системами.
Такую структуру имеет аналоговая приставка АНЛ1-2 в судовой измерительно-ин-
формационной системе АЛСИ1-2 на судах типа «Новомиргород».
Надежность структурной схемы с несколькими параллельными каналами для изме-
рения и контроля намного выше надежности структурной схемы с общим измерительным каналом, так как при выходе измерительного канала из строя выводится из эксплуатации вся система. Однако структурная схема первой группы может быть значительно проще и дешевле.
Все рассмотренные структурные схемы судовых ИИС (рис.15.2) имеют в своем составе устройство управления. С помощью этого устройства задается алгоритм работы системы: организуется взаимодействие всех узлов и последовательность выполнения различных операций, выбирается частота опроса первичных преобразователей, определяются пределы измерения по каждому из каналов и обеспечивается сравнение контролируемого параметра с уставкой.
Однако в последнее время отдельные судовые ИИС и СТД имеют встроенные в них мини-ЭВМ, с помощью которых, кроме обработки результатов измерения, выполняются все функции, присущие устройству управления.
В более простых судовых ИИС, работающих в одном или нескольких выбираемых заранее режимах, функции управления упрощаются и могут быть переданы таким устройствам, как коммутатор, аналого-цифровой преобразователь, устройство представления ин
формации. Например, устройство представления информации, выдав в том или ином виде информацию оператору, может дать команду на установку аналого-цифрового преобразо-
вателя (АЦП) в исходное состояние, а затем - команду коммутатору на подключение оче-
редного первичного преобразователя.
В любом случае, когда система управляется с помощью специальных устройств уп
равления или с помощью каких-либо других функциональных узлов, между отдельными устройствами ИИС происходит обмен командами, т. е. обмен служебной информацией. Поэтому для нормального функционирования судовой ИИС задается алгоритм работы, обеспечивающий информационную совместимость всех узлов, входящих в нее.