Блок БКЗГ. Работа каналов защиты от перегрузки
Защита генераторов от перегрузки
Автоматизированные защитные устройства генераторов
В соответствии с Правилами Регистра генераторы, предназначенные для параллельной работы, должны иметь следующие виды защиты:
- от токов КЗ;
- токов перегрузки;
- снижения напряжения;
- перехода в двигательный режим.
Конструктивно защитные устройства могут быть выполнены в виде составной части генераторного автомата, в виде узко специализированного унифицированного устройства (например УТЗ) или отдельного узла устройства с расширенными функциональными возможностями (например БКЗГ).
В автоматизированных электростанциях защита генераторов от перегрузки осуществляется путем отключения неответственных потребителей электроэнергии. В системе «Ижора-М» эту функцию выполняет блок БКЗГ, в системе «Ижора» - устройство УТЗ.
Блок БКЗГ обеспечивает защиту синхронных генераторов от перегрузки при помощи двух каналов загрузки с уставками 1,0 (1,1) Рном и 1,3 (1,5) Рном.
|
|
|
Канал с уставкой 1,0 (1,1) Рном состоит из двух последовательно включенных ступеней. Первая ступень имеет уставку по активной мощности 1,0 (или 1,1) Рном и по времени 2, 4, 10, 20 с. Выдержка времени второй ступени не регулируется и составляет 4 с.
При увеличении активной мощности генератора до 1,0 (1,1) Рном 1-ая ступень отключает 1-ую группу неответственных потребителей и одновременно выдает сигнал на вход второй ступени. Если за время 4 с перегрузка генератора не исчезла, то вторая ступень выдает сигнал на отключение второй группы неответственных потребителей.
Канал с уставкой 1,3 (1,5) Рном выдает сигнал на одновременное отключение обеих групп неответственных приемников (режим отсечки).
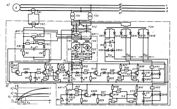
Устройство предназначено для защиты генераторов от токов перегрузки посредством отключения неответственных приемников электроэнергии. Подключается к генератору при помощи измерительных трансформаторов тока и напряжения
Первая ступень выдачи сигналов состоит из измерительной и исполнительной частей. Измерительная часть включает в себя датчики активного тока ДАТ-1 и ДАТ-2 с общими для обоих датчиков трансформаторами тока ТА2 и напряжения TV3. Выходное напряжение датчика ДАТ-1 снимается с потенциометра RP10. Выходное напряжение датчика ДАТ-2 снимается между точками d и е. Применение двух датчиков вызвано необходимостью получения в первой ступени выдержки времени, находящейся в обратной зависимости от тока нагрузки.
Исполнительная часть первой ступени построена на транзисторах VT1-VT7 и реле напряжения KV1. Вторая ступень выдачи сигналов включена последовательно с первой и построена на транзисторах VT8-VT10 и реле KV2.
|
|
|
При токе нагрузки генератора, меньшем тока уставки, напряжение с выхода датчика ДАТ-2 недостаточно для пробоя стабилитрона VD45. Последний закрыт, поэтому напряжение на входе триггера Tr1, снимаемое с резистора R13, отсутствует. Триггер находится в исходном состоянии, при котором транзистор VT2 закрыт, а VT3 открыт. Напряжение на выходе VT3 близко к нулю, поэтому закрыт транзистор VT4 и на резисторе R21 напряжение равно нулю. Напряжение на выходе ДАТ-1, снимаемое с потенциометра RP10, недостаточно для пробоя стабилитрона VD46 и VD47. Конденсатор С6 разряжен, а стабилитрон VD48 закрыт.
Триггер Тr2 находится в исходном состоянии: транзистор VT6 закрыт, VT7 открыт. Последний шунтирует цепь со стабилитроном VD43 и тиристором VS19, реле KV1 обесточено. Контакты KV1:1 этого реле разомкнуты, поэтому напряжение на входе 2-й ступени отсутствует. Схема 2-й ступени на транзисторах VT8-VT10 и часть схемы 1-й ступени на транзисторах VT5-VT7 подобны, поэтому идентичные элементы обеих ступеней находятся в одинаковом состоянии, реле KV2 обесточено.
При увеличении тока нагрузки генератора до тока уставки напряжение Ude на выходе ДАТ-2 достигает значения напряжения пробоя стабилитрона VD45. Последний пробивается, что приводит к опрокидыванию триггера Тr1. Напряжение на выходе закрытого VT3 увеличивается до 24 В. Поэтому открывается транзистор VT4 и на резисторе R21 устанавливается неизменное напряжение U2= 24В. Одновременно напряжение U1 на выходе ДАТ-1 становится достаточным для пробоя стабилитронов VD46, VD47. С этого момента образуется цепь заряда конденсатора С6: потенциометр RP10 - стабилитроны VD46, VD47 - резистор R21 - конденсатор С6 - резистор R22. В этой последовательной цепи падения напряжений U1 и U2 действуют согласно, поэтому конденсатор С6 стремится зарядиться до напряжения (U1 + U2). Однако при достижении на конденсаторе С6 напряжения U2 = 24 В отпирается диод VD21, вследствие чего заряд С6 прекращается.
Как только напряжение на С6 достигнет напряжения пробоя стабилитрона VD48, последний пробивается. Это приводит к опрокидыванию триггера Tr2 и срабатыванию реле KV1. Реле KV1 выдает сигнал на отключение первой группы неответственных приемников.
Если после отключения первой ступени перегрузка не исчезла, то мгновенно отключается вторая группа неответственных потребителей при помощи реле KV2. В режиме отсечки первая и вторая группа отключаются одновременно без выдержки времени. Выдержку времени можно регулировать: первой ступени в пределах 1,5 – 10 с при помощи потенциометра RP10 и изменением емкости конденсатора С6; второй ступени в пределах 2 – 6 с изменением сопротивления резистора R32.
При увеличении тока нагрузки генератора до установленного наибольшего значения происходит практически мгновенное срабатывание второй ступени независимо от первой. В этом случае напряжение с выхода ДАТ-2 становится достаточным для пробоя стабилитрона VD49.
Токи уставок составляют: для первой ступени 1,0 (1,1) Iном; второй ступени в режиме отсечки 1,3 (1,5) Iном.

Рисунок 20 – Принципиальная схема устройства токовой защиты типа УТЗ-1А.

Рисунок 21 – Структурная схема автоматического отключения резерва, выполненная на базе устройства токовой защиты типа УТЗ
Электронная схема узла токовой защиты судового генератора
На рис. 22 приведена принципиальная схема и три время-токовых характеристики устройства защиты, срабатывающего на отключение второстепенных потребителей при Iг = 1,2 Iуст, а также на отключения генератора по истечении выдержки времени, обусловленной зависимой (2) или независимой (3) время-токовой характеристикой. Электронные цепи, реализующие зависимые (1, 2) характеристики, содержат общее интегральное звено, построенное на базе операционного усилителя 6, на выходе которого при наличии перегрузки (DI = Iг – Iуст) формируется напряжение DU по закону
. Взоне 11В < DU < 12,3В срабатывает компаратор 20, включается реле 22, происходит отключение второстепенных потребителей. Если после этого будет иметь место DI > 0, то через время, обусловленное величиной DI и коэффициентом настройки интегратора (резистор RK) напряжение достигнет значения DU ³ 12,3 В, благодаря чему закроется диод 7 и изменится состояние на выходах логических элементов 8, 9, 10,11,12. Сформируется сигнал на отключение генератора.
|
|
|
Электронная цепь, реализующая независимую (3) характеристику, построена на базе порогового элемента 25 и двоичного счетчика 30, на счётный вход которого (+ в режиме сложения либо - в режиме вычитания) поступают счётные импульсы периодичностью 8 с. Если значение перегрузки генератора достигнет уставки, набираемой резистором 24, то откроется D2 и закроется диод 33. В результате на вход L счётчика поступит единичный уровень, счётчик загрузится исходным числом DCBA = (23, 22,21,20), значение которого определяется наличием перемычек на входе. Для данной схемы DCBA @0010(2)=0+0+21+0) = 2(10), то есть в регистр счетчика будет записано исходное число 2. Следовательно, полное заполнение счётчика произойдёт после тринадцатого счётного импульса (15 - 2 = 13), то есть по истечении 13 × 8 = 104 секунд на выходе Uv сформируется импульс, сработает триггер 32 и включится реле 16. Если бы счётные импульсы поступали на вход «–» счётчика, то в режиме вычитания достаточным для обнуления регистра было бы двух импульсов. Задержка составила бы 2 × 8 = 16 сек.

Рисунок 22 – Электронная схема узла токовой защиты генератора