Предназначен для усиления импульсов напряжения, поступающих на его вход из формирователя импульсов УРМ-35Ф, имеет 5 модификаций, отличающихся типом серводвигателя, подключаемого к выходу усилителя. В качестве примера рассмотрим усилитель типа УРМ-35УЗ, предназначенный для управления серводвигателем постоянного тока напряжением 27 В с независимым возбуждением.
В состав блока усилителя входят элементы питания и элементы импульсов «больше» и «меньше». Элементы питания включают в себя трансформатор напряжения TV2 и выпрямители UZ2 и UZ3. Элементы импульсов «больше» и «меньше» одинаковы по устройству. Элемент «больше» («меньше») включает в себя трансформатор TV1 (ТVЗ), выпрямитель UZ1 (UZ4), тиристор VS3 (VS14), диод VD2 (VD13) и резисторы R1, R2 (R3, R4). Нагрузкой для усилителя является обмотка якоря серводвигателя М.
Если активная нагрузка базового генератора СГ1 больше, чем резервного СГ2, то напряжения на выходах датчиков активного токаУРМ-35Д неодинаковы Uвых1 > Uвых2. В результате к входу 8-7 формирователя УРМ-35Ф будет приложено напряжение DU с полярностью, обозначенной на рисунке 14.

Рисунок 15 – Графики напряжений на входе (а) и на выходе (б) формирователя УРМ-35Ф
Принцип действия формирователя основан на сравнении двух напряжений: рассогласования DU и пилообразного Uп, (рисунок 5 а). Если DU > Un (участок АВ), через диод VD3, резисторы R4 и R2 протекает ток, создающий на VD3 напряжение, удерживающее транзистор VT2 закрытым. Тем самым исключается срабатывание элемента импульса «меньше». Напряжение на резисторе R4 (полярность обозначена на рисунке) опрокидывает триггер Tr1. При этом транзистор VT1 открывается, а транзистор VT3 закрывается. Напряжение на выходе закрытого VT3 увеличивается до напряжения пробоя стабилитрона VD7. Последний открывается, при этом образуется цепь: "+" 15 В - R18-VD7 - управляющий электрод - катод тиристора VS11 - переход эмиттер - база транзистора VT5-R16 - "-" 15 В. В результате открываются тиристор VS11 и транзистор VT5. Открытый VS11 шунтирует резистор R22, и напряжение Uвых1 увеличивается до 24 В. Поэтому увеличивается напряжение на выходе выпрямителя UZ1 и открывается тиристор VS3, шунтирующий резистор R2. Через обмотку якоря серводвигателя потечет ток по цепи: «+» UZ2-VS3 - обмотка якоря Я1-Я2 - «-» UZ2.
Если DU < Uп (участок ВС на рисунке 15, б), то полярность напряжения на резисторе R4 изменится на обратную под действием большего напряжения Uп. Это приводит к запиранию транзистора VT1 и исключению действия элемента импульса «больше». Таким образом, на выходе формирователя появляется напряжение с длительностью импульса t1 и длительностью паузы t2. Периодическое включение серводвигателя приводит к увеличению активной нагрузки СГ2 и уменьшению напряжения DU. При DU = 0 серводвигатель останавливается. При большей разности активных нагрузок обоих генераторов, что может происходить сразу после синхронизации СГ2, серводвигатель работает не в импульсном, а непрерывном режиме. При этом напряжение рассогласования DU1 непрерывно превосходит пилообразное напряжение Un (рисунок).
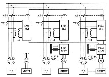
На рисунке 16 приведена схема включения устройства УРМ-35 для электростанции с тремя генераторами. На шины каждого генератора устанавливают датчик активного тока. Выходы датчиков соединяют по дифференциальной схеме.

Рисунок 16 – Схема включения блоков устройства УРМ-35 для трех генераторов.
СГ – синхронный генератор;
ПД – первичный двигатель;
СД – серводвигатель;
МИПТ – механизм изменения подачи топлива;
АВ – автоматический выключатель;
ТТ – трансформатор тока;
ТН – трансформатор напряжения.
Коммутация дифференциальной цепи для случая параллельной работы двух и более генераторов производится контактами генераторных автоматов.
Поскольку выходы датчиков соединены между собой, при равенстве нагрузок на генераторах напряжение на входах блоков УРМ-35ФУ равно нулю, и напряжение на их выходах тоже равно нулю. При неравенстве нагрузок генераторов датчики дают разный по величине выходной сигнал, что обуславливает напряжение на входах блоков УРМ35ФУ. На их выходах появляется сигнал, подаваемый на серводвигатели. Последние воздействуют на регуляторы первичных двигателей таким образом, что выравнивают нагрузки на параллельно работающих генераторах.






