![]() |
Выпрямительные (силовые) диоды - это полупроводниковые приборы, предназначенные для преобразования переменного тока в однополярный. Для этого диод включается последовательно в цепь источника переменного тока и нагрузки (рисунок 24).
Рис. 24. Схема электрической цепи с выпрямительным диодом
Основой конструкции диода является один р-n переход. Условное обозначение диода сохранилось от первых электровакуумных диодов. В изображении черта означает катод, а треугольник анод. Чтобы это запомнить, достаточно представить, что катод испускает электроны, и они выходят из него расходящимся пучком, образуя треугольник. Если считать проводимость диода направленной от плюса к минусу, то она будет соответствовать стрелке, образованной вершиной треугольника.
В силу односторонней проводимости диода через нагрузку протекает пульсирующий ток одной полярности (рисунок 25).
![]() |
Рис. 25. Вольт-амперная характеристика диода и график изменения тока на Rн (рис. 24)
Основными параметрами выпрями тельных диодов являются:
|
|
|
а) Максимальный выпрямленный ток Iпр max;
б)Максималъно-допустимое обратное напряжение Uобр max;
в) Обратный ток, протекающий через диод Iпр max;
г) Падение напряжения на диоде при прямом включении Uпp.
Выпрямительные диоды делятся на германиевые и кремниевые. В кремниевых диодах обратные токи Iобр а несколько порядков меньше, чем в германиевых, а допустимые обратные напряжения Uобр существенно выше. Однако германиевые диоды обладают меньшим прямым падением напряжения Uпp.
Переключающие диоды - тиристоры
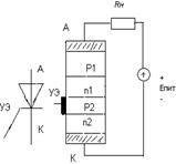
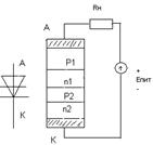
Тиристором называют полупроводниковый прибор с тремя последовательно включенными p-n переходами. Тиристоры с двумя электродами (рис. 26) называют динисторами-это неуправляемые тиристоры, с тремя электродами - тринисторы - это управляемые тиристоры.

а) б)
Рис.26. Устройства динистора – а) и тринистора – б)
А - анод; К - катод; УЭ - управляющий электрод.
На рис. 27 приведены вольтамперные характеристики динистора и тринистора, поясняющие их работу.

а) б)
Рис.27
Если к тиристору приложить обратное напряжение, то он ведет себя как обычный диод - закрыт. При прямом включении тиристоров они остаются также закрытыми, пока напряжение между анодом и катодом не достигнет величины Uвкл. После этого тиристоры резко переходят в открытое состояние и ведут себя как обычные силовые диоды в прямом включении, пока ток через них не снизится до величины Iвыкл. Как только это произойдет, диод вновь переходит в закрытое состояние. У динисторов невозможно управлять величиной Uвкл, а у тринисторов величина Uвкл зависит от величины тока управляющего электрода: Uвкл = f (Iуэ) и при достаточно больших токах Iуэ вольтамперная характеристика тринистора вырождается в прямую ветвь характеристики обычного диода. Управление тринистором осуществляется лишь при его отпирании, а затем он становится неуправляемым.
|
|
|
Важнейшими параметрами тиристоров являются:
Ток включения – Iвкл. Напряжение включения – Uвкл.
Ток выключения – Iвыкл.
Остаточное напряжение – Uост. - падение напряжения на открытом тиристоре.
Обратный ток тиристора – Iобр.
Управляющий ток – Iупр. – тиристора – величина тока, при котором включается тиристор.
Время включения – tвкл. - минимально необходимая длительность импульса включения на УЭ.
Выпускаются тиристоры, имеющие симметричную вольт-амперную характеристику для обеих полярностей напряжения на аноде. Такие тиристоры называют симисторами.

Биполярные транзисторы
Биполярный транзистор – это трехэлементный полупроводниковый прибор с двумя p-n переходами и обладающий усилительными свойствами. Транзисторы имеют три области и три электрода: э - эмиттер (на схемах обозначается стрелкой), к – коллектор и б – база. И соответственно различают эмиттерный и коллекторный p-n переходы. Различают две структуры транзисторов:
1-биполярные транзисторы с прямой проводимостью или p-n-p типа (рис. 29 а);
2-биполярные транзисторы с обратной проводимостью или n-p-n типа (рис.29 б).
![]() | ![]() | ![]() | |||
На изображении транзистора стрелка указывает условное направление тока в эмиттере от плюса к минусу.

а) б)
Рис. 29. Структура и обозначение биполярных транзисторов:
а- с прямой проводимостью; б- с обратной проводимостью.
В реальных конструкциях транзисторов эмиттер имеет большую степень легирования и меньшую площадь. На рис. 29- б) эмиттер с электронной электропроводностью, причём сильной, показан со знаком плюс. Взаимодействие p-n-переходов обеспечивается выбором толщины базы. База должна быть достаточно тонкой /толщина базы должна быть много меньше длины диффузии неосновных носителей в базе/.
Рассмотрим принцип работы транзистора в схеме включения с ОЭ (рис. 30).

Рис.30. Принцип работы транзистора в схеме включения с ОЭ
Так как на базе транзистора положительный потенциал по отношению к эмиттеру, то электроны от минуса источника питания, через эмиттер и открытый эмиттерный p-n переход инжектируются в базу, где они диффундируют к коллекторному p-n переходу, являясь не основными носителями в базе. Частично электроны рекомбинируют с основными носителями в области базы – с дырками, создавая ток базы Iб. Так как в транзисторах базу делают тонкой и слабо легированной, то число рекомбинированных зарядов не велико, ток базы мал и основная часть зарядов достигают коллекторного p-n перехода, где попадают под ускоряющее поле потенциала коллектора. Для электронов, как не основных носителей в базе, коллекторный p-n переход открыт и через него они устремляются к коллектору, а затем через R нагрузки к плюсу источника питания, создавая ток коллектора. Очевидно, что Iэ=Iб+Iк.
![]() |
Отношение коллекторного тока к базовому – это главный коэффициент, который показывает усилительные возможности транзистора:
Так как I к>>Iб, этавеличина большая, т.е. транзистор усиливает ток. Обычно b составляет 10 – 300.
Итак, у транзистора ток базы очень мал, поэтому ток эмиттера практически весь преобразуется в ток коллектора, и только небольшая часть его преобразуется в ток базы.
Аналогичные процессы, происходят в транзисторе типа p-n-p в схеме c общим эмиттером (ОЭ).

Физическая модель биполярного транзистора, включенного по схеме ОЭ
В схеме с транзистором образуются две цепи — входная и выходная. Во входную цепь включается управляющий сигнал, который должен быть усилен, а в выходную — нагрузка, на которой выделяется усиленный сигнал.
|
|
|
При включении транзистора в электрическую схему в зависимости от того, какой из его электродов является общим для цепи входного сигнала и выходного сигнала различают:
Схему включения транзистора с общим эмиттером (ОЭ) (рис.31 а). Эта схема включения обладает большим коэффициентом усиления по напряжению и току, так же средними значениями входного и выходного сопротивлений.
Схему включения транзистора с общей базой (ОБ) (рис. 31 б). Эта схема включения обладает большим коэффициентом усиления по напряжению, но коэффициент передачи по току меньше единицы. Входное сопротивление мало, а выходное велико.
Схему включения с общим коллектором (ОК) (рис.31 в). Эта схема включения обладает большим коэффициентом усиления по току, но коэффициент передачи по напряжению меньше единицы. Входное сопротивление велико, а выходное мало.


а) б) в)
Uвх=Uбэ; Uвых=Uкэ Uвх=Uбэ; Uвых=Uкб Uвх=Uбк; Uвых=Uкэ
Iвх=Iб; Iвых=Iк Iвх=Iэ; Iвых=Iб Iвх=Iб; Iвых=Iэ.
Рис. 31. Схемы включения биполярного транзистора: а)-с общим эмиттером; б)-с общей базой; в)-с общим коллектором.
Чаще используется схема с общим эмиттером.
![]() |
В этом случае в базу и в эмиттер подаются напряжения одного знака, но в базу подаётся не больше 0,7 В, а в коллектор – 5...15 В.
Если в коллекторную цепи включить резистор, то напряжение будет уменьшаться при больших токах, и может достичь нуля. В этом случае наступит режим насыщения: напряжение на колекторном переходе станет прямым, ток пойдёт из коллектора в базу и из эмиттера в базу, ток в коллекторной цепи прекратится, а в базе начнётся накопление электронов. Это так называемый режим насыщения.
Режим насыщения очень неприятен, так как из-за этого накопления носителей в базе резко ухудшается быстродействие транзистора.
В зависимости от направления смещения p-n перехода в транзисторах различают три его режима работы:
1) Режим отсечки (РО) - режим, при котором оба p-n перехода смещены в обратном направлении. Транзистор закрыт и через него протекают лишь небольшие тепловые токи обратно смещенных p-n переходов.
|
|
|
2) Режим насыщения (РН) - режим, при котором оба p-n перехода смещены в прямом направлении. Транзистор открыт и через него протекает максимальный ток, определяемый только внешними цепями (U и R).
3) Активный режим (АР) - режим, при котором эмиттерный p-n переход смещен в прямом, а коллекторный - в обратном направлениях. При этом транзистор обладает усилительными свойствами.
АР используется в усилительных устройствах; РН, РО используются в цифровых и импульсных устройствах. Основным является активный режим.
Для обеспечения активного режима работы транзистора между базой и эмиттером необходимо создать отпирающую разность потенциалов Eсм – отпирающее смещение. Для p-n-p типа транзистора это напряжение смещения должно быть отрицательным (рис. 32), а для n-p-n типа – положительным

Рис. 32
Для обеспечения обратного смещения коллекторного p-n перехода на коллектор транзистора должен быть подан потенциал той же полярности, что и на базу транзистора, но большей величины, то есть должно выполняться условие: ׀Eсм׀<׀Eпит׀.
Итак, у транзистора ток базы очень мал, поэтому ток эмиттера практически весь преобразуется в ток коллектора, и только небольшая часть его преобразуется в ток базы
Так как сопротивление обратно смещенного коллекторного p-n перехода очень велико (сотни кОм) для основных носителей, то включение Rн величиной единицы кОм в коллекторную цепь (рис. 30) мало повлияет на общее сопротивление цепи. Тогда очевидно, что, управляя на входе малой мощностью Pвх=Uбэ*Iбэ можно получить пропорциональный цикл в выходной цепи значительно большей мощности: Pвых=Iк
*Rн=Iк*Uкэ, Iкэ>>Iб, Uкэ>>Uбэ.
Основные параметры транзистора.
Основные параметры транзистора делятся на предельно-допустимые, усилительные и высокочастотные.






