Рис. 36. Схемы сглаживающих фильтров
Рис. 35. Двухполупериодный выпрямитель с выводом средней точки обмотки трансформатора
Схема выпрямителя показана на рис. 35. Необходимым элементом выпрямителя является силовой трансформатор Тр с двумя вторичными обмотками n=ω1/ω2-1=ω1/ω2-2. Схема соединения обмоток такова, что одинаковые по величине напряжения на выводах вторичных обмоток относительно общей (нулевой) точки сдвинуты по фазе на 180°. Вторичные обмотки трансформатора подключены к анодам диодов Д1, Д2. Выходное напряжение Ud снимается между нулевой точкой трансформатора и общей точкой соединения катодов обоих диодов. Принцип действия схемы рассмотрим для случая чисто активной нагрузки RН. При поступлении полуволны напряжения u1 положительной полярности на вторичных обмотках трансформатора действуют напряжения u2-1 и u2-2 с полярностью относительно нулевой точки, показанной на рис. 35 без скобок. К аноду диода Д1 относительно нулевой точки прикладывается напряжение положительной полярности, а к аноду диода Д2 - отрицательной. При указанной полярности напряжений на анодах диод Д1 на интервале 0 —π открыт, а диод Д2 закрыт. Поскольку в открытом состоянии падение напряжения на диоде мало, практически все напряжение u2-1 прикладывается к нагрузке RH, создавая на ней напряжение ud. На данном интервале анодный ток диода равен току нагрузки ia1=id=u2-1/RH. В конце интервала 0—π напряжения и токи в схеме достигают нулевых значений.
|
|
|
При поступлении напряжения u1 отрицательной полярности полярность напряжений на вторичных обмотках становится обратной. В проводящем состоянии находится диод Д2, а диод Д1 закрыт. К нагрузке RH прикладывается напряжение u2-2 определяющее напряжение ud той же полярности, что и на предшествующем интервале. Теперь токи в схеме определяются полуволной напряжения положительной полярности u2-2:id=ia2=u2-2/RH. В последующем процессы в схеме повторяются: поочередно проводят ток то диод Д1,то диод Д2.
Фильтрацию выпрямленного напряжения осуществляют обычно путем подключения к выходу выпрямителя сглаживающих ф и л ь т р о в. Виды выходных сигналов однополупериодного выпрямителя без фильтра и с простейшим емкостным фильтром приведены на рисунке ниже.

Сглаживающие фильтры выполняют на основе реактивных элементов — индуктивностей (катушку с сердечником называют дроссель) и конденсаторов, которые оказывают соответственно большое и малое сопротивления переменному току и наоборот—для постоянного тока. Указанные свойства этих элементов используют при построении простейших сглаживающих фильтров: сглаживающий дроссель включают последовательно с нагрузкой, а конденсатор - параллельно ей. Виды сглаживающих фильтров показаны на рис. 36. На рис. 36, а, б представлены схемы простейших одноэлементных сглаживающих фильтров, выполненных соответственно на основе дросселя Lф и конденсатора Сф; на рис. 3.28, в - схема однозвенного Г-образного LC-фильтра, а на рис. 3.28, г — схема двухзвенного сглаживающего фильтра с использованием двух Г-образных LС-фильтров. Путем надлежащего выбора параметров фильтра получают постоянное напряжение, удовлетворяющее нагрузку в отношении пульсаций.
|
|
|

Наличие сглаживающего фильтра оказывает значительное влияние на режим работы выпрямителя и его элементов. Существенным при этом является характер входной цепи сглаживающего фильтра, определяющий совместно с внешней нагрузкой вид нагрузки выпрямителя. Так, для сглаживающих фильтров, выполненных по схемам рис. 36 а, в, г, нагрузка выпрямителя носит активно-индуктивный х а р а к т е р, а для сглаживающего фильтра, выполненного по схеме рис. 36 б, — активно-емкостный характер.
Между сглаживающим фильтром и нагрузкой иногда подключают стабилизатор напряжения, обеспечивающий поддержание с необходимой точностью требуемой величины постоянного напряжения на нагрузке в условиях изменения напряжения питающей сети и тока нагрузки.
Усилитель – это устройство, преобразующее маломощный входной сигнал в подобный, но более мощный выходной.
Учитывая закон сохранения энергии, усилитель рассматривают как многополюсник, в котором помимо входной и выходной цепей есть цепь для поступления энергии от источника питания (рис. 37).

Рис. 37. Структурная схема усилителя: 1 – входная цепь; 2 – предварительный усилитель; 3 – промежуточные каскады; 4 – оконечный каскад; 5 – источник питания.
Входная цепь предназначена для согласования с источником сигнала, как по амплитуде, так и по сопротивлению. Как правило, требуется обеспечение большого входного сопротивления, что обеспечивается предварительным усилительным каскадом. Для получения требуемого коэффициента усиления может потребоваться многокаскадный усилитель. Основное усиление сигнала обеспечивается в промежуточных каскадах. Оконечный каскад – усилитель мощности. Он обеспечивает согласование усилителя с нагрузкой. Для обеспечения максимальной выходной мощности требуется выполнение равенства Rвых=Rнагр (режим согласования).
В схеме ОЭ входной сигнал подаётся на базу, а выходной сигнал снимается с коллектора. Схема и выходные характеристики изображены на рис. 38:
![]() |
Рис 38. Усилительный каскад на транзисторе, включенном по схеме с общим эмиттером
Видно, что схема стала очень сложной. Однако главное, что здесь есть – это резистор
Rк, на котором происходит падение напряжения от тока, проходящего через транзистор, резистор, который определяет коэффициент усиления по напряжению, и который составляет от единиц килоом до мегома (чем больше этот резистор, тем больше усиление). Все остальные элементы более или менее условны.
Прежде всего Rэ необходимо для термостабилизации транзистора. Это осуществляется за счёт обратной связи по постоянному току. Сэ – конденсатор, который шунтирует этот резистор на рабочих частотах, так что при переменном сигнале резистора нет. Этот конденсатор – несколько мкФ. Обычно это электролитический конденсатор.
Ср – разделительные конденсаторы, которые отделяют постоянную составляющую сигнала на входе и выходе схемы от внешних сигналлов. Обычно это несколько мкФ.
Rб1 – важный резистор, управляющий работой транзистора, служит для задания рабочей точки. Этот резистор задаёт постоянную составляющую тока базы. Его значение зависит от величины Rк.
|
|
|
Rб2 – практически ненужный резистор, просто он ставится для предохранения транзистора от сгорания. Его значение должно быть большим, так как стоит он параллельно входу и может его закоротить. Обычно это 1 или несколько килоом, так как входное сопротивление транзистора мало.
Rн – сопротивление нагрузки, лучше, если оно большое, так как оно подключено параллельно выходу транзистора, и если оно будет малым, выходной сигнал упадёт.
Uвх – сигнал на входе транзистора. Как видно, на входе много различных деталей – резисторов и конденсаторов. Но на рабочих частотах сопротивления конденсаторов малы, и они хорошо пропускают сигналы. А два параллельных резистора Rб1 и Rб2 достаточно велики по сравнению с входным сопротивлением транзистора. Поэтому учтём только это входное сопротивление.
Одними из основных параметров усилителя является коэффициент усиления. Различают три коэффициента усиления:
1) по напряжению
; 2) по току
;
3) по мощности
.
Для усилителей возможны различные значения коэффициентов, но принципиально то, что Kp всегда должен быть больше единицы. Общий коэффициент усиления многокаскадного усилителя равен произведению коэффициентов усиления отдельных каскадов. Так, для Ku можно записать
К u = Ku1·Ku2 … KuN.
Если коэффициент усиления каждого каскада выражен в децибелах, то общее усиление многокаскадного усилителя, дБ:
Кu = Ku1 + Ku2 +…+ KuN.
Помимо усиления сигнала необходимо, чтобы усилитель не изменял его формы, т.е. в идеальном случае точно повторял все изменения (напряжения или тока). Отклонение формы выходного сигнала от формы входного сигнала принято называть искажениями. Искажения бывают двух видов: нелинейные и частотные.
Нелинейные искажения определяются нелинейностью ВАХ транзисторов, на которых собран усилитель. Так, при подаче на вход усилителя сигнала синусоидальной формы выходной сигнал не является чисто синусоидальным, он будет содержать составляющие высших гармоник. Это просто пронаблюдать с помощью входной ВАХ биполярного транзистора, которая имеет форму экспоненты, а не прямой линии. Искажения этого вида оцениваются коэффициентом гармоник (коэффициентом нелинейных искажений), Kr:
|
|
|

где U1, U2, U3 – значения напряжений сигнала в выходной цепи усилителя для основной, второй и третьей гармоник соответственно.
Для приближенной оценки нелинейных искажений можно воспользоваться амплитудной характеристикой усилителя (рис. 2.5, а ), представляющей собой зависимость амплитуды выходного напряжения Uвых от амплитудного значения входного сигнала Uвх неизменной частоты. При небольших Uвх амплитудная характеристика практически линейна. Угол ее наклона определяется коэффициентом усиления на данной частоте. Изменение угла наклона при больших Uвх указывает на появление искажений формы сигнала.
Частотные искажения определяются зависимостями параметров транзисторов от частоты и реактивными элементами усилительных устройств, в частности, разделительными ёмкостями. Эти искажения зависят лишь от частоты усиливаемого сигнала. Зависимость Ku усилителя от частоты входного сигнала принято называть амплитудно-частотной (частотной) характеристикой (АЧХ). С помощью АЧХ (рис. 2.5, б) можно представить коэффициенты частотных искажений на низшей Mн и высшей Mв частотах заданного диапазона работы усилителя: 


Рис. 2.5 Амплитудная (а) и частотная (б) характеристики
Обычно допустимые значения коэффициентов частотных искажений не превышают 3 дБ. Отметим, что f = fв - fн принято называть полосой пропускания усилителя.
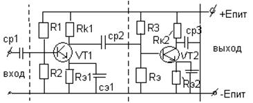
Резистивно-емкостной усилительный каскад.
Усилительные каскады этого типа (рис. 39) получили наибольшее распространение, так как имеют простую схемную реализацию при малых габаритах элементов и обладают хорошими характеристиками.

Рис. 39. Резистивно-емкостной усилительный каскад
Назначение элементов схемы.
Разделительный конденсатор на входе – Ср1 предназначен для разделения усилительного каскада с источником сигнала по постоянному току, а полученный переменный сигнал он легко пропускает.
Аналогичную роль играет разделительный конденсатор–С р2 на выходе – он разделяет каскад и нагрузку по постоянному току. Величина этих конденсаторов влияет на величину fн усилителя, так как с понижением их сопротивление сигналу растет, и они хуже его передают по цепи усиления. Для понижения fн нужно увеличивать Ср.
Rн – сопротивление нагрузки в коллекторной цепи. Оно задает положение (вместе с Rэ) нагрузочной прямой (зависимость Iк от Uкэ при наличии Rн в цепи коллекторного тока) на семействе выходных характеристик.







