Предельно-допустимые параметры транзистора
Максимально-допустимое напряжение коллектор-эмиттер Uкэ max. Превышение этого напряжения приведет к пробою транзистора.
Максимально-допустимый ток коллектора Iк max. Превышение этого тока вызовет его перегорание.
Предельно-допустимая мощность, рассеиваемая на коллекторе транзистора Pк max доп. Если мощность, выделяемая на коллекторе в виде тепла, превышает мощность рассеивания, то транзистор перегреется и сгорит.
В отличие от биполярных транзисторов в полевых транзисторах управление выходным током осуществляется не входным током, а электрическим полем, создаваемым входным напряжением.
Устройство одного из типов полевых транзисторов показано на рисунке.

Его основу составляет полупроводник n-типа, с противоположной стороны которого методом диффузии образована область р-типа. На границе р- и n-областей образуется p-n-переход, обладающий большим сопротивлением. Слой полупроводника n-типа, лежащий справа от p-n-перехода, называется каналом. Если между р- и n-областями включить источник напряжения Uзи, то p-n-переход окажется включенным в обратном направлении и его толщина увеличится, что приведет к уменьшению толщины канала. Но чем тоньше канал, тем меньше его поперечное сечение и тем больше сопротивление. Значит, изменяя обратное напряжение между р- и n-областями, можно управлять сопротивлением канала. Поэтому р-область называют управляющим электродом, или затвором полевого транзистора.
Если к каналу подключить второй источник напряжения Uси, то через канал потечет ток, созданный движением электронов от нижней к верхней части n-области. Участок n-области, от которого начинают движение основные носители заряда, называют истоком, а участок этой области, к которому они движутся,— стоком.
Ток, протекающий через канал полевого транзистора, зависит от его сопротивления, которое, в свою очередь, определяется толщиной канала. Следовательно, при изменении напряжения затвора Uзи изменяется и ток, протекающий через канал.
Транзистор, структура которого представлена на рисунке, называется полевым транзистором с управляющим p-n-переходом и каналом n-типа. Если в качестве исходного материала взять полупроводник p-типа, получим полевой транзистор с управляющим p-n-переходом и каналом р-типа. У такого транзистора затвор будет образован n-областью, а полярности источников питания Uзи и Uси должны быть противоположны.
Основными характеристиками полевого транзистора с управляющим р-n-переходом являются сток-затворные и стоковые (или выходные) характеристики.
При некотором напряжении затвора канал полностью перекрывается, и ток, протекающий через него, становится близким к нулю. Это напряжение затвора называют напряжением отсечки Uзи.отс.
Кроме полевого транзистора с управляющим р-n-переходом (их еще называют полевыми транзисторами с р-n-затвором) имеются полевые транзисторы с изолированным затвором. Области истока, стока и канала у них создаются в объеме полупроводника, а затвор выполняется в виде тонкой металлической пленки, расположенной на поверхности полупроводника и отделенной от него диэлектрической пленкой. Таким образом, полевой транзистор с изолированным затвором имеют структуру металл — диэлектрик — полупроводник, и их называют МДП -транзисторами. В качестве диэлектрической пленки часто используется пленка из оксида кремния, полученная при окислении поверхности полупроводника. Такие транзисторы называют также МОП-транзисторами.
МДП-, или МОП-транзисторы могут быть с индуцированным и со встроенным каналами.
Структура МДП-транзистора с индуцированным каналом показана на рисунке.

В нем р-области стока и истока отделены друг от друга n-областью подложки и образуют с ней два встречно включенных р-n-перехода. Поэтому независимо от полярности напряжения Uси один из p-n-переходов всегда оказывается закрытым, т. е. смещенным в обратном направлении, и ток в цепи сток — исток практически равен нулю. Для того чтобы в этой цепи стал протекать ток, необходимо на затвор подать отрицательное напряжение. Под действием электрического поля, возникшего в подложке у поверхности под затвором, свободные электроны начинают двигаться в глубь подложки. При некотором значении отрицательного напряжения Uзи у поверхности подложки дырок будет больше, чем оставшихся электронов. Произойдет инверсия типа электропроводности приповерхностного слоя под затвором, т. е. в приповерхностном слое образуется область с электропроводностью p-типа, называемая каналом, соединяющая сток и исток. Толщина канала зависит от величины напряжения Uзи.Изменяя Uзи, приложенное к затвору, можно регулировать толщину канала, т. е. сопротивление участка между стоком и истоком, и ток в цепи источника Uси.
Сток-затворные и стоковые характеристики МДП-транзистора с индуцированным каналом р-типа даны на рисунке.

Напряжение затвора, при котором возникает инверсия электропроводности в приповерхностном слое подложки (появляется канал между стоком и истоком), называют пороговым Uзи.пор.. Стоковые (выходные) характеристики МДП-транзистора с индуцированным каналом существуют только при Uзи. > Uзи.пор.
МДП-транзистор со встроенным каналом в отличие от МДП-транзистора с индуцированным каналом имеет тонкий канал, соединяющий области стока и истока при (Uзи = 0). Подавая на затвор напряжение той или иной полярности, можно увеличивать или уменьшать толщину
этого канала, регулируя тем самым силу тока, протекающего через канал (ток стока).
Усилительные свойства полевого транзистора зависят от его малосигнальных параметров, к которым относятся:
крутизна S, определяемая как отношение изменения тока стока к изменению напряжения на затворе при постоянном напряжении сток — исток (в мА/В):

внутреннее (дифференциальное) сопротивление переменному току, определяемое как отношение изменения напряжения сток — исток к изменению тока стока при постоянном напряжении затвора (в Ом):

статический коэффициент усиления, рассчитываемый по формуле: μ= Sri
Условно графические обозначения полевых транзисторов приведены на рисунке:

Источники вторичного электропитания (выпрямители)
Выпрямителем называют устройство, предназначенное для преобразования энергии источника переменного тока в постоянный ток. Необходимость в подобном преобразовании возникает, когда питание потребителя осуществляется постоянным током, а источником электрической энергии является источник переменного тока, например промышленная сеть частотой 50 Гц.
Основой является выпрямитель на одном или нескольких диодах, соединенных по определенной схеме. При построении системы преобразования трансформатор на входе диодной схемы выполняет вспомогательную роль. Его функция сводится к повышению или понижению вторичного напряжения U2 при заданном первичном напряжении U1 (рис. 33) с целью получения требуемой величины постоянного напряжения на выходе.
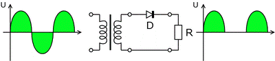
Однополупериодный выпрямитель (четвертьмост)

Схема однополупериодного выпрямителя
Простейшая схема однополупериодного выпрямителя состоит только из одного выпрямляющего ток элемента (диода). На выходе — пульсирующий постоянный ток. На промышленных частотах (50—60 Гц) не имеет широкого применения, так как для питания аппаратуры требуются сглаживающие фильтры с большими величинами емкости и индуктивности, что приводит к увеличению габаритно-весовых характеристик выпрямителя. Однако схема однополупериодного выпрямления нашла очень широкое распространение в импульсных блоках питания с частотой переменного напряжения свыше 10 КГц, широко применяющихся в современной бытовой и промышленной аппаратуре. Объясняется это тем, что при более высоких частотах пульсаций выпрямленного напряжения, для получения требуемых характеристик (заданного или допустимого коэффициента пульсаций), необходимы сглаживающие элементы с меньшими значениями емкости (индуктивности). Вес и размеры источников питания уменьшаются с повышением частоты входного переменного напряжения.
Наиболее распространены двухполупериодные выпрямители, собираемые по схемам: мостовой и с выводом средней точки трансформатора.

Рис 33. Мостовая схема включения диодов
При указанной на рис. 33 полярности напряжений вторичной обмотки трансформатора диоды VD1 и VD3 открыты, а диоды VD4 и VD2 закрыты. При поступлении напряжения u1 отрицательной полярности полярность напряжений на вторичной обмотке становится обратной. В проводящем состоянии будут находиться диоды VD4 и VD2, а диоды VD1 и VD3 будут закрыты.
Такой выпрямитель является двухполупериодным, у него пульсация будет меньше, чем в однополупериодном. Принцип выпрямления основывается на получении с помощью диодной схемы из двуполярной синусоидальной кривой напряжения u2(ωt) (рис. 34 б) однополярных полуволн напряжения Ud(ωt) (рис. 34 в).

Рис. 34.
Напряжение ud(ωt) характеризует кривую выпрямленного напряжения выпрямителя. Ее постоянная составляющая Ud определяет среднее значение выпрямленного напряжения.
Вместе с тем имеются схемы выпрямителей, в которых трансформатор является их неотъемлемой частью, например схема однофазного двухполупериодного выпрямителя с выводом средней точки трансформатора (рис. 35). Соотношение чисел витков вторичной и первичной обмоток трансформатора здесь также определяется величиной постоянного напряжения на выходе выпрямителя.
|