Базовыми называют логические элементы, выполняющие основные логические функции. Из них собирают устройства, выполняющие сколь угодно сложные логические функции.
Существует множество базовых логических элементов. Рассмотрим важнейшие из них.
1. Резисторно-транзисторный ЛЭ (РТЛ).
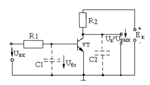
Простейшим элементом, выполняющим функцию отрицания НЕ, является транзисторный ключ.

Рис. 45. Транзисторный ключ
Транзисторы в интегральных схемах обычно изображают без окружности (для экономии места).
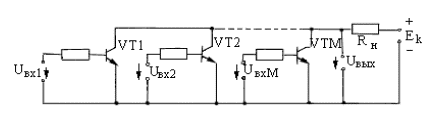
Более сложная операция ИЛИ-НЕ реализует цепь из М транзисторных ключей, работающих на общую нагрузку

Рис. 43. Совокупность ключей с общей нагрузкой
Если все транзисторы закрыты, то U вых = U 1вых >> Е к. Чтобы получить U вых = U 0вых > 0 необходимо открыть хотя бы один транзистор, т.е. U вх = U 1вх (до насыщения!).
Недостаток РТЛ - диссипативные резисторы занимают много места на подложке и снижают степень интеграции ИС. Применяются редко.






