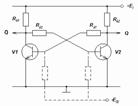
Состоит из двух транзисторных ключей, охваченных перекрестной положительной обратной связью (ОС).
Триггер имеет два устойчивых состояния, в каждом из которых один из транзисторов открыт и насыщен, а второй - закрыт. На выходе (коллекторе) закрытого транзистора будем иметь входной уровень напряжения, соответствующий логической единице, а на коллекторе открытого транзистора, будем иметь нулевой уровень, соответствующий логическому нулю. Транзисторы всегда находятся в противоположном состоянии за счет действия положительной обратной связи. При этом закрытый транзистор, своим высоким уровнем напряжения на коллекторе, поддерживает второй транзистор в открытом состоянии.

Рис. 45. Симметричный триггер на транзисторах.
Так допустим, если транзистор V2 закрыт, то:
, а
(
).
Высокое напряжение с коллектора второго транзистора, через сопротивление
, перекрестной положительной ОС, будет действовать на базу первого транзистора и открывать его.
(
; s - степень насыщения). Т.о. закрытое состояние второго транзистора обеспечивает открытое состояние первого транзистора. Следовательно,
,
.
Напряжение
, близкое к нулю, через сопротивление
будет приложено к базе второго транзистора. Если транзисторы кремниевые, то нулевого напряжения на базе достаточно для закрывания второго транзистора. Т.е. открытое состояние первого транзистора поддерживает закрытое состояние второго. Транзисторы поддерживают друг- друга в своих противоположных состояниях.
Такое состояние триггера является устойчивым. Второе устойчивое состояние когда V2 открыт, а V1 закрыт.
триггер симметричный, т.е. параметры левого и правого плеча одинаковы.
Параметры схемы триггера должны быть рассчитаны так, чтобы в каждом из этих состояний обеспечивалось гарантированное открытие одного из транзисторов, необходимая степень его насыщения и гарантированное закрывание второго транзистора.






