Планетарные передачи.
Механизмы суммирования движений.
Планетарной называют зубчато-реечную передачу, в которой часть зубчатых колес (сателлитов) перемещается со своими осями относительно центрального колеса вместе с водилом.
Звено, на котором установлены зубчатые колеса с подвижными осями, называется водилом.
Сателлит - это зубчатое колесо с подвижной осью вращения, которое одновременно вращается вокруг своей оси и совершает движение вместе с водилом.
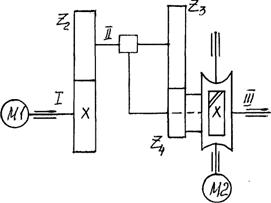
М1 и М2 - двигатели
I - центральная ось
II - подвижная ось
III - водило
Z1 и Z4 - центральные колеса
Z2 и Z3 - сателлиты.
При включении М1, Z1 вращает Z2. Z2 обкатывается вокруг Z1 и одновременно с ним Z3 обкатывается вокруг неподвижного Z4, водило получает некоторое количество движений. Если дополнительно включить М2, через червячную передачу начинает вращаться Z4, которое вращает Z3 следовательно водило сообщается дополнительное движение.






