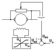
При питании якорной цепи от неуправляемого источника тока (I=const) электропривод, как отмечалось, обладает свойством управляемого по цепи возбуждения “источника момента”, т.е. имеет в разомкнутой структуре вертикальные механические характеристики. Это обстоятельство очень удобно для построения замкнутых структур: исключение действия ЭДС вращения позволяет просто формировать любые характеристики посредством использования соответствующих обратных связей. Покажем это на простых примерах. В схеме на рис. 3.23,а отрицательная обратная по скорости включена на возбудитель, имеющий характеристику с ограничением; напомним, что установленная мощность возбудителя много меньше мощности двигателя. В предположении, что характеристики Ф(Uв) и Uв(Uвх) на рабочих участках линейны, имеем:
М = КUвх,

а) б)
Рис. 3.23. Схема (а) и характеристики (б) системы источник тока – двигатель, замкнутой по скорости
но, в свою очередь,
Uвх = Uз - Uос = Uз - gw.
Решив уравнение относительно
, получим:
, (3.23)
т.е. будем иметь семейство параллельных характеристик (рис. 3.23,б), ограниченных посредством характеристики возбудителя заданной величиной момента.
|
|
|
Использовав отрицательную обратную связь по напряжению на якоре или в пренебрежении Rя - по ЭДС вращения - рис. 3.24,а, получим
,

а) б)
Рис. 3.24. Схема (а) и характеристики (б) системы источник тока – двигатель, замкнутой по напряжению на якоре
откуда, подставив в уравнение для момента, будем иметь:
.
Таким образом, в этой структуре механические характеристики имеют вид гипербол - рис. 3.24,б, т.е. стабилизируется мощность, развиваемая двигателем.
Приведенные примеры иллюстрируют богатые возможности получения искусственных механических характеристик любой требуемой формы посредством использования соответствующих обратных связей.
Следует отметить, что в системе источник тока - двигатель замыкание системы позволяет распространить экономный способ регулирования изменением магнитного потока на всю область
- М, т.е. сделать регулирование двухзонным, с широкими функциональными возможностями.
Однако, следует также иметь в виду, что рассмотренные приемы относятся лишь к получению статических характеристик и не учитывают динамических особенностей системы, которые в ряде случаев могут потребовать дополнительных усилий для получения удовлетворительных результатов.