Глава четвертая
Технические реализации. Применения
Управляемый преобразователь УП в электроприводах, регулируемых изменением напряжения, может быть выполнен на основе либо регулируемого электромашинного агрегата, либо управляемого выпрямителя.
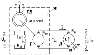
В первом случае электропривод носит название “ система генератор-двигатель ” (Г-Д) - рис. 3.25. Это традиционное техническое решение, обычно применявшееся при значительных мощностях (сотни кВт и выше). ЭДС генератора Г, вращаемого с практически неизменной скоростью w г приводным асинхронным или синхронным двигателем ПД, служит источником питания якорной цепи двигателя Д. Поскольку
Eг = kгФгwг,
то ее можно изменять, воздействуя на напряжение цепи возбуждения Uвг = Uвх.

Рис. 3.25. Система генератор – двигатель
К очевидным и важным достоинствам такой реализации УП относятся двусторонняя проводимость генератора, т.е. естественная возможность работы во всех четырех квадрантах, отсутствие искажений питающей сети, высокий коэффициент мощности.
|
|
|
Недостатки - две дополнительные вращающиеся машины, необходимость обслуживать генератор, инерционность цепи управления.
Система Г-Д до настоящего времени находит применение в металлургии, мощных экскаваторах и т.п.
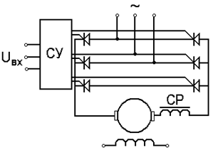
Во втором случае, ставшем в последние десятилетия основным, УП представляет собой статическое устройство - управляемый выпрямитель (рис. 3.26), собранный на тиристорах, включаемых схемой управления СУ с задержкой на угол a против момента естественного включения, благодаря чему
Еa = Еa0 cosa,
где Еa0 - среднее значение ЭДС неуправляемого выпрямителя (
).

Рис. 3.26. Система управляемый выпрямитель (тиристорный
преобразователь) – двигатель
В электроприводе используются все типы управляемых выпрямителей - однофазные, трехфразные, многофазные; мостовые и нулевые; нереверсивные и реверсивные.
Преимущества УП, выполненных таким образом, - отсутствие вращающихся машин, не требуют обслуживания, имеют высокое быстродействие. Недостатки - низкий коэффициент мощности
,
искажение напряжения питающей сети, трудно компенсируемое при значительных мощностях, необходимость в двух комплектах вентилей для работы в четырех квадрантах, необходимость в сглаживающих и уравнительных реакторах, утяжеляющих конструкцию.
Система тиристорный преобразователь-двигатель (система ТП-Д) является штатным техническим решением практически везде, где используется электропривод постоянного тока и лишь в последние годы активно вытесняется частотно-регулируемым асинхронным электроприводом.
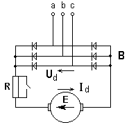
Источник тока (I = const) в системе “ источник тока - двигатель ” также может быть организован на основе управляемого выпрямителя с сильной отрицательной обратной связью по току, и такое решение будет обладать всеми перечисленными выше недостатками.
|
|
|
Интересны параметрические источники тока, выполненные на основе резонансных LC - цепей. Рассмотрим кратко принцип действия таких источников тока - индуктивно-емкостных преобразователей (ИЕП) на примере схемы, показанной на рис. 3.27,а. Схема состоит из трех одинаковых реакторов переменного тока с реактивным сопротивлением хL и трех одинаковых батарей конденсаторов с реактивным сопротивлением хС. Точки А, В, С подключены к симметричной трехфазной сети переменного тока с напряжением U1л; к точкам a, b, c подключена нагрузка - три одинаковые резистора, соединенные в звезду, причем величина их сопротивления может изменяться от нуля до R2макс. В электроприводе нагрузкой является якорь двигателя, включенный через неуправляемый выпрямитель (рис. 3.27,б); тогда 


а) б)
Рис. 3.27.. Схема индуктивно-емкостного преобразователя, нагруженного резисторами (а) и подключение двигателя (б)
Принцип действия ИЕП основан на явлении резонанса напряжений в цепи L-C. Пусть U1л = const, f = const, хL = хС = хр.э, активные сопротивления реакторов и конденсаторов пренебрежимо малы. Так как схема симметрична, рассмотрение проведем для одной фазы; токи и напряжения в других фазах будут иметь соответственно одинаковые амплитуды, но будут сдвинуты по фазе на
.
Для схемы на рис. 3.27,а справедливы следующие уравнения, записанные в комплексных величинах:

Решая эти уравнения, с учетом равенства реактивных сопротивлений получим:
, (3.25)
то есть ток I2 не зависит от величины R2, а определяется лишь величинами U1л и хр.э - схема по отношению к нагрузке обладает свойствами источника тока.
Характеристики источника тока на рис. 3.27,а показаны на рис. 3.28 в относительных единицах; за базовые приняты I2 и U1ф.

Рис. 3.28. Характеристики индуктивно-емкостного преобразователя
Рассмотренное устройство отличается простотой, высокой надежностью, высокими технико-экономическими показателями, мало искажает при работе на неуправляемый выпрямитель напряжение сети, не нуждается в трансформаторе для согласования напряжений сети и нагрузки.
Электроприводы по системе “источник тока - двигатель”, практически не известные за рубежом, успешно применяются в отечественной практике в установках, транспортирующих гибкую ленту, полосу, нить, жилу кабеля с поддержанием натяжения при любой скорости (кабельная, текстильная промышленность, металлургия), в специальных лебедках с дозированным усилием, в нагрузочных устройствах испытательных стендов для создания заданных условий нагружения испытуемых двигателей, муфт, трансмиссий и т.п.
*
* *
Мы весьма подробно рассмотрели электроприводы постоянного тока, несмотря на то, что они в последние годы заметно сдали свои позиции. Если до недавнего времени практически все регулируемые электроприводы выполнялись как электроприводы постоянного тока, то, по мнению европейских экспертов, в 2000 году они составят лишь 15% всех регулируемых электроприводов: их место во многих применениях занимает частотно-регулируемый асинхронный электропривод.
Вместе с тем, изучение электропривода постоянного тока позволяет лучше понять некоторые общие вопросы: энергетические режимы, регулирование координат, ограничения, накладываемые на координаты и т.п. К тому же в современных регулируемых электроприводах переменного тока с векторным управлением стараются приблизить свойства к свойствам электропривода постоянного тока - и в этой части его изучение полезно.
* Буквой U здесь обозначена ЭДС источника
ЭЛЕКТРОПРИВОДЫ ПЕРЕМЕННОГО ТОКА
Принцип действия асинхронной машины в самом общем виде состоит в следующем: один из элементов машины - статор используется для создания движущегося с определенной скоростью магнитного поля, а в замкнутых проводящих пассивных контурах другого элемента - ротора наводятся ЭДС, вызывающие протекание токов и образование сил (моментов) при их взаимодействии с магнитным полем. Все эти явления имеют место при несинхронном - асинхронном движении ротора относительно поля, что и дало машинам такого типа название - асинхронные.
|
|
|
Статор обычно выполнен в виде нескольких расположенных в пазах катушек, а ротор - в виде “беличьей клетки” (короткозамкнутый ротор) или в виде нескольких катушек (фазный ротор), которые соединены между собой, выведены на кольца, расположенные на валу, и с помощью скользящих по ним щеток могут быть замкнуты на внешние резисторы.
Несмотря на простоту физических явлений и материализующих их конструктивов полное математическое описание процессов в асинхронной машине весьма сложно:
во-первых, все напряжения, токи, потокосцепления - переменные, т.е. характеризуются частотой, амплитудой, фазой или соответствующими векторными величинами;
во-вторых, взаимодействуют движущиеся контуры, взаимное расположение которых изменяется в пространстве;
в-третьих, магнитный поток нелинейно связан с намагничивающим током (проявляется насыщение магнитной цепи), активные сопротивления роторной цепи зависят от частоты (эффект вытеснения тока), сопротивления всех цепей зависят от температуры и т.п.
Рассмотрим самую простую модель асинхронной машины, пригодную для объяснения основных явлений в асинхронном электроприводе.
Принцип получения движущегося магнитного поля
Пусть на статоре расположен виток (катушка) А-Х (рис. 4.1,а,б), по которому протекает переменный ток iA = Imsinwt; w = 2pf1. МДС FА, созданная этим током, будет пульсировать по оси витка
FА = Fmsinwt
а)
б)
в)
|
г)
|
Рис. 4.1. К образованию вращающегося магнитного поля в машине
(горизонтальные штриховые стрелки на рис. 4.1,в). Если добавить виток (катушку) В-Y, расположенный под углом 900 к А-Х, и пропускать по нему ток iB = Imcoswt, то МДС FВ будет пульсировать по оси этого витка (вертикальные стрелки):
|
|
|
FВ = Fmcoswt.
Вектор результирующей МДС имеет модуль

Его фаза a определится из условия
.
Таким образом, вектор результирующей МДС при принятых условиях, т.е. при сдвиге двух витков в пространстве в
и при сдвиге токов во времени на
, вращается с угловой скоростью
, где f1 - частота токов в витках.
В общем случае для машины, имеющей р пар полюсов (р =1,2,3...), синхронная угловая скорость
, рад/с, т.е. скорость поля, определится как
; (4.1)
для частоты вращения n0, об/мин, будем иметь:
, (4.2)
т.е. при питании от сети f1=50Гц синхронная частота вращения может быть 3000, 1500, 1000, 750, 600... об/мин в зависимости от конструкции машины.
Выражения (4.1) и (4.2) имеют принципиальный характер: они показывают, что для данной машины имеется лишь одна возможность изменять скорость поля - изменять частоту источника питания f1.
Процессы при w = w0
Пусть ротор вращается со скоростью w0, т.е. его обмотки не пересекают силовых линий магнитного поля и он не оказывает существенного влияния на процессы.
В весьма грубом, но иногда полезном приближении можно представить обмотку фазы статора как некоторую идеальную катушку, к которой приложено переменное напряжение
. Мы будем дальше либо обозначать его и другие синусоидально изменяющиеся переменные соответствующими заглавными буквами, если интерес представляют лишь их действующие значения, либо будем добавлять точку вверху, показывая тем самым, что речь идет о временнóм векторе, имеющем амплитуду
и фазу j.
Очевидно, что приложенное напряжение
уравновесится ЭДС самоиндукции
(рис. 4.2,а,б)
, (4.3)
где w - число витков обмотки; kоб - коэффициент, зависящий от конкретного выполнения обмотки.


а) б) в)
Рис. 4.2. Идеализированная модель асинхронной машины при w = w0 (а), векторная диаграмма (б) и кривая намагничивания (в)
Можно приближённо считать, что магнитный поток определяется приложенным напряжением, частотой и параметрами обмотки:
. (4.4)
Ток в обмотке (фазе) статора - ток намагничивания определится при этом лишь магнитным потоком и характеристикой намагничивания машины (рис. 4.2,в):

В серийных машинах при U1=U1н и f1=f1н, т.е. при номинальном магнитном потоке ток холостого хода I10 составляет обычно 30% - 40% от номинального тока статора I1н.
а)
б)
в)
г)






