Частотные характеристики усилителя напряжения.
Частотные свойства усилителя описываются амплитудно-частотной и фазо-частотной характеристиками, которые формируются в линейном режиме усилителя.
Амплитудно-частотной характеристикой (АЧХ) называется зависимость коэффициента усиления (т.е. отношения амплитуд выходного и входного напряжений Uвых,m/Uвх,m) от частоты синусоидального входного сигнала при его постоянной амплитуде – KU (f).
Фазо-частотной характеристикой (ФЧХ) называется зависимость разности фаз выходного и входного напряжений усилителя ∆ψ = ψUвых-ψUвх от частоты синусоидального входного сигнала при его постоянной амплитуде – ∆ψ(f).
Амплитуда входного сигнала для обеих характеристик выбирается таким образом, чтобы при любой частоте форма выходного сигнала оставалась синусоидальной, т.е. неискаженной, т.е. режим усилителя должен быть линейным. Обычно обе частотные характеристики получают одновременно в одном эксперименте.
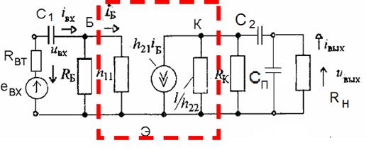
Для обсуждения амплитудной характеристики обратимся к схеме замещения усилительного каскада на рис. 5.7.
|
|
|

Рис.5.10
При уменьшении частоты сигнала f реактивное сопротивление конденсатора XC1 =1/(2π fC1) может быть значительно больше эквивалентного сопротивления участка «БЭ», т.е. входного сопротивления усилителя ZВХ
.
и заметная часть напряжения источника оказывается на конденсаторе С 1. При этом амплитуда напряжения u Б(t) между базой и эмиттером уменьшится, уменьшится амплитуда тока базы i Б(t) и, следовательно, - амплитуда выходного напряжения u ВЫХ(t). Так как амплитуда входного напряжения u ВХ(t) не изменялась, то коэффициент усиления KU уменьшится.
На низких частотах сигнала реактивное сопротивление конденсатора XC2 =1/(2π f C2) так же может оказаться больше сопротивления нагрузки
и амплитуда напряжения на нагрузке уменьшается.
По этим двум причинам с уменьшением частоты сигнала коэффициент усиления по напряжению уменьшается в области низких частот.
В правильно спроектированном усилителе емкости конденсаторов выбираются таким образом, чтобы сопротивления конденсаторов были меньше, соответственно, чем входное сопротивление усилительного каскада и сопротивление нагрузки на самой низкой частоте сигнала.
В области высоких частот коэффициент усиления так же уменьшается из-за инерционных свойств транзистора (h 21 уменьшается с увеличением частоты) и из-за паразитных емкостей между элементами усилителя и их выводами. На схеме замещения усилителя (рис.5.7.) паразитные емкости отражены емкостным элементом С П. При увеличении частоты сигнала реактивное сопротивление X CП=1/(ω C П)уменьшается, что приводит к уменьшению амплитуды выходного напряжения.
|
|
|
Моделирование дает следующие частотные характеристики (рис. 5.8). В реальном эксперименте АЧХ получают при отсутствии нелинейных искажений. Для этого устанавливают амплитуду входного напряжения на средней частоте в пределах отсутствия нелинейных искажений.
АЧХ в demo5_2 на рис. 5.11а представлена кривой, имеющей примерно постоянное значение коэффициента усиления в области средних значений частот. Здесь условно амплитуда входного напряжения равна нулю. В области низких частот и верхних частот АЧХ спадает к нулю.

Рис. 5.11а.demo5_2.Амплитудно-частотная характеристика усилителя напряжения.