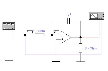
Схема интегратора приведена на рис. 10.8.

Рис. 10.8. Схема интегратора.
В отличие от усилителя в интеграторе используется емкостная отрицательная обратная связь. Если операционный усилитель можно считать идеальным, то в линейном режиме из схемы следует:
i 1= u вх/R,
i 2= С du вых/ dt и
i 1= - i 2.
Поэтому
.
Демонстрационный пример (demo10_4) приведен на рис. 10.9. и 10.10.

Рис. 10.9. Схема примера demo10_4.

Рис. 10.10. demo10_4. Осциллограммы входного (синяя) и выходного (красная) напряжений интегратора.
На кривых выходного напряжения участкам постоянного значения входного напряжения соответствуют участки линейного изменения, как и должно быть при интегрировании. Постоянная времени интегратора RC должна быть много больше длительности (или периода) повторения импульсов входного напряжения.
В стационарном режиме можно рассчитать амплитуду напряжения на выходе интегратора (рис.10.10а) следующим образом:
u вых(t1) = U выхm,
u вых(t1+T/2) = - U выхm,

отсюда
-U выхm= U выхm-T/(2RC)* U вхm
и
U выхm=T/(4RC)* U вхm

|
|
|
Рис.10.10а.
Своеобразие интегратора заключается в том, что по постоянной составляющей ООС отсутствует. Поэтому есть опасность влияния напряжения смещения ОУ, вплоть до перехода ОУ в неуправляемый насыщенный режим Uвых = Eпит. Для предотвращения таких последствий можно включить параллельно конденсатору резистор с большим сопротивлением Roc>>R или цепочку компенсации напряжения смещения.






